Всего за 45 руб. Купить полную версию

Рис. 12. Кольцеобразная дождевальная система
Современная промышленность производит подобные установки разного вида с широким ассортиментом насадок и распылителей, обеспечивающих эффект дождя. Например, конструкция "Сегнерово колесо" состоит из горизонтальной трубы, двух распылителей, трубки, соединяющей систему со шлангом, по которому подводится вода, и основания в виде двух укороченных лыж. Влага, поступающая из вращающейся трубки, распространяется в радиусе нескольких метров от установки (рис. 13).

Рис. 13. "Сегнерово колесо": 1 – головка распылителя; 2 – вращающаяся трубка; 3 – трубка для подключения шланга; 4 – основание
Хранение воды
Практически на каждом участке имеется металлический водонапорный бак. Его устанавливают на высоте 3–4 м от поверхности, что предохраняет емкость от коррозии и обеспечивает необходимый напор воды. На неровном рельефе его помещают на самое высокое место. В качестве платформы сооружают фермы из четырех стоек, скрепленных между собой и покрытых настилом. С данной целью используют металлические трубы, кирпич или бетон.
Популярны две формы накопительных баков – прямоугольная и круглая. Изготавливают их с помощью сварки: первые – из металлического листа, а вторые – из труб большого диаметра. Один из вариантов расположения водонапорной емкости представлен на рис. 14.

Рис. 14. Устройство водонакопительной емкости на участке
Данное устройство требует постоянного ухода. Его заполняют с помощью шланга водой из водопровода. В конце каждого сезона ее сливают, стенки осматривают и производят их ремонт, промазывая битумной мастикой. Перед наступлением зимнего сезона бак опорожняют, чтобы предотвратить разрыв стенок под воздействием низких температур. Ранней весной емкость заполняют оставшимся снегом, который после таяния используют для полива. Как правило, накопительные устройства окрашивают в темные цвета, чтобы обеспечить прогревание содержимого. Обеспечить наличие на участке питьевой воды можно двумя способом – пробурить скважину или вырыть колодец. И то и другое осуществляют с привлечением специалистов и строительной техники, что резко повышает объем затрачиваемых средств.
Освещение
Система освещения должна быть заложена на этапе создания проекта участка. Она имеет функциональную, декоративную и смешанную формы. В первом случае ее назначение заключается в обеспечении безопасности владельцев, комфортной жизни и нормальной работы используемых механизмов и приспособлений. По данной причине светильники располагают по сторонам подъездной дороги, а также у входа в дом, вспомогательные помещения и на территорию. При втором варианте их помещают у водоемов, растительных композиций, таинственных уголков сада и вдоль дорожек, а третий предусматривает смешение данных стилей и является самым распространенным.
Планирование системы освещения. Перед началом работ необходимо решить несколько вопросов:
– где будут расположены освещенные зоны;
– откуда произвести подключение наружного освещения участка;
– где удобнее разместить выключатели.
Затем делают несколько копий паспорта участка или рисуют план на бумаге в масштабе 1:100, то есть 1 см на изображении равен 1 м территории. Далее на него наносят схему расположения объектов, нуждающихся в освещении (рис. 15).

Рис. 15. План системы освещения
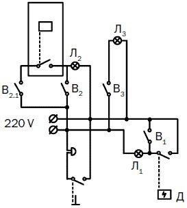
Определившись с желаниями и возможностями, составляют электрическую схему. Используют, как правило, общепринятые обозначения, но на собственный проект можно наносить любые знаки, так как главное – знать, что скрывается за тем или иным символом. Например, на основании вышеприведенного плана можно составить следующую схему электрических соединений (рис. 16).

Рис. 16. Электрическая схема системы освещения
В данном проекте заложено 3 осветительные лампы. Первую (Л1) помещают у входа на участок, замыкая цепь выключателями В1 и Д (датчик движения). Электрический звонок ставят над калиткой или воротами. Вторую (Л2) размещают перед домом и баней и привязывают к выключателю В2. Третью (Л3) располагают у туалета и соединяют с выключателем (В3) у бани. Выключатели В1, В2, В2.1 устанавливают у входа в дом. Датчик движения – современный прибор, замыкающий цепь при попадании в радиус его действия какого-либо перемещающегося объекта. Он удобен, но в целях экономии можно обойтись без него. Электросхему упрощают или усложняют в зависимости от желания или в соответствии с воображением. Электрооборудование наружного освещения, установленное на зданиях, помещают в гофрированные рукава, изготовленные из негорючего пластика. Провод, прокладываемый к удаленным объектам, должен иметь двойную изоляцию. Иногда для этого используют тонкие пластиковые или оцинкованные тросы. Светильники, выключатели, коробки и розетки, расположенные на открытых пространствах, должны быть герметичными. Их прячут под специальные защитные козырьки.
Для монтажа освещения участка применяют электрический ток напряжением 220 В, а клеммы источника питания называются "ноль" и "фаза". Данная работа сопряжена с опасностью, поэтому электросхему собирают таким образом, чтобы выключатель осуществлял размыкание провода с фазой. Для того чтобы установить, имеется ли напряжение в проводе, используют индикатор – прибор в виде отвертки с лампочкой. Монтаж проводят по следующей схеме: соединение проводов, проверка и подключение. Точкой подключения могут быть обычная розетка или электрощит, в который помещают предохранительные автоматы. Соединенные провода помещают в специальные коммутационные коробки, снабженные прижимными гайками. Если их скручивают пассатижами, то каждое соединение запаивают и обматывают изоляционной лентой.
Существует множество вариантов устройства освещения на дачном участке. О них можно узнать, изучив специальную литературу или получив консультацию у специалиста.
Заграждение
Участок имеет определенные границы, обозначенные забором, который выполняет не только утилитарные функции, препятствуя проникновению на территорию посторонних или животных, но и эстетические. По его качеству часто судят о статусе владельцев, поэтому к его сооружению следует отнестись серьезно.
Заборы
Благодаря таким конструкциям на даче можно создать и поддерживать благоприятный микроклимат, что в основном зависит от того, будет она низкой или высокой, сплошной или ажурной. На практике было установлено, что высокий сплошной забор является далеко не лучшим решением. Участок на возвышенности, обнесенный глухой оградой, не будет под надежной защитой. Ветровой поток, столкнувшись с таким препятствием, направляется резко вверх, а затем через 1,5–2 м стремительно падает вниз по другую его сторону. В результате образуются завихрения, которые выветривают почву, способствуют ее коррозии и наносят вред растительности, заботливо высаженной хозяевами. Если земельный участок расположен на склоне, поток воздуха тоже не остановится и не ослабеет, а проникнет за заграждение и задержится там, понижая температуру, что отрицательно скажется на микроклимате и растительности. Напротив, наткнувшись на ажурную решетку, ветер потеряет свою силу и энергию. Более того, отдельные деревянные планки, прибитые на расстоянии 2 см друг от друга, эффективно погасят его мощность, и в результате за двухметровым забором возникнет зона затишья длиной почти 20 м.
Микроклимат является не единственным фактором, который следует учитывать, выбирая тот или иной вариант конструкции ограждения. Сплошной забор, конечно, надежно защитит участок от проникновения и взглядов посторонних людей, а также от шума и пыли, если недалеко проходит дорога. Но важен и дизайн сооружения, который должен сочетаться с основной постройкой – домом – и соответствовать ему. Обычно садоводы строят со стороны улицы высокий сплошной забор, а от соседних участков отгораживаются штакетником. Конструкция заграждения состоит из основания, каркаса и заполнения. Легкий деревянный забор устанавливают без фундамента. Для него выкапывают ямы, устанавливают в них столбы и фиксируют, заливая бетоном. В сочетании с поперечными прожилинами и рамами-конвертами они образуют несущий каркас, который заполняется штакетником, досками, сеткой-рабицей и пр. Для кирпичной или каменной конструкции делают фундамент. Сначала с помощью шнура, колышков и рулетки размечают территорию, по которой пройдет траншея (для ленточного фундамента) или ямы (для столбчатого фундамента). Затем по углам участка вбивают колышки, натягивают на них шнур, откладывают внутрь расстояние, которое займет фундамент, вбивают еще один ряд колышков и снова натягивают шнур (рис. 17).