Всего за 182 руб. Купить полную версию
Гриль-мангал из бочки
Этот мангал имеет весьма необычный вид (рис. 18). Для его создания потребуется старая металлическая бочка. Поскольку мангал используется для приготовления пищи, то емкость, в которой хранились горюче-смазочные материалы, подходит для этого плохо, разве что вы ее тщательно отчистите от следов нефтепродуктов. Что касается объема, вполне достаточно 100-л бочки.

Рис. 18. Гриль-мангал из бочки:
1 – опора для сетки для углей; 2 – опора для шампуров
Для создания этой конструкции вам понадобятся:
• стальная бочка объемом 100–200 л;
• 6–8 пог. м стального уголка 45 × 45 × 4 мм;
• кусок изогнутой трубы диаметром как у сливного отверстия выбранной бочки;
• пара небольших колес;
• 4 стопорных кольца;
• стальная ось;
• дверные петли и дверная ручка;
• угловая шлифовальная машина, сварочный аппарат, электродрель, электролобзик, мел, рашпиль и другой слесарный инструмент.
В первую очередь необходимо изготовить раму, на которой будет устанавливаться бочка-мангал, и стойки для нее. Удобная для работы с мангалом высота, как правило, составляет 900–1000 мм, но поскольку вы делаете мангал для собственных нужд, то и высоту рамы подбирайте по своему росту. Ширина внутренней поверхности рамы равна внешнему диаметру бочки. В соответствии с размерами бочки отрежьте уголки и сварите прямоугольную раму.
Одна боковая деталь опоры состоит из двух вертикальных стоек и двух горизонтальных перекладин. Последние необходимы для придания конструкции жесткости и устойчивости. Нижняя горизонтальная перекладина приваривается к вертикальным стойкам на высоте примерно 250 мм, а верхняя – на расстоянии от рамы, которое равно внешнему диаметру бочки. Приготовьте все необходимые детали для обеих опор, положите их на ровную поверхность и соедините сваркой, сохраняя прямые углы.
Теперь соедините боковины двумя уголками (по одному с каждой стороны), приварив их на уровне нижних поперечин. При этом обязательно следите за тем, чтобы между вертикальными стойками и горизонтальными перекладинами сохранялся прямой угол.
Для удобства перемещения по участку на одну из боковин прикрепите металлические колеса на резиновом ходу. Приварите для этого ось, на обоих концах которой выполнена круговая проточка, и наденьте на нее колеса, зафиксировав их с обеих сторон стопорными кольцами.
И колеса, и ось, и стопорные кольца для такого передвижного мангала можно взять от старой детской коляски.
На готовую раму положите бочку так, чтобы сливное отверстие на ее крышке, которая теперь стала боковой стороной мангала, оказалось в верхней задней четверти, а диаметр, проходящий через его центр и центр крышки, образовывал с вертикалью угол около 30°. Когда вся конструкция будет закончена, в это отверстие будет вставлен изогнутый отрезок трубы соответствующего диаметра – дымовая труба. В днище, а теперь второй боковине просверлите несколько отверстий, которые будут обеспечивать приток воздуха к углям.
Теперь надо разметить прямоугольное отверстие на верхней передней трети лежащей на раме бочки. Обрисуйте контур мелом и выпилите электролобзиком, зачистите края на обеих получившихся деталях. Меньшая часть будет служить крышкой, превращающей мангал в гриль. Крышку и корпус мангала соедините с помощью дверных петель, которые можно закрепить любым удобным способом. К крышке приварите металлическую ручку.
От уголка отрежьте куски достаточной длины и приварите их, отступив от дна мангала на 80–100 мм. На этих направляющих будет находиться сетка для углей. Вместо сетки можно использовать пластину с просверленными отверстиями.
Шампуры для такого мангала могут иметь длину больше диаметра бочки. Своей витой частью (возле ручки) они будут опираться на вырезанный край, а под острия с противоположной стороны надо просверлить отверстия. Если же шампуры имеют меньшую длину, то отверстия сверлить не нужно, а вдоль задней стенки получившегося мангала приварите уголок, который будет исполнять роль опоры для шампуров.
В завершение работ можно покрыть раму и внешнюю сторону бочки термостойкой краской.
В таком комбинированном мангале шашлыки готовят, не закрывая крышку. Чтобы последняя чрезмерно не откидывалась, можно предусмотреть упор из арматурного прутка, приваренного к задней части рамы. Если же вы захотите использовать мангал как гриль, то вместо шампуров на опоры укладывается еще одна решетка – для продуктов, а крышка закрывается.
Передвижной стол-гриль
Следующая конструкция также показывает, какие широкие возможности таит в себе ставшая, казалось бы, ненужной старая металлическая бочка. Этот садовый стол при необходимости можно использовать и как стойку для зонта от солнца. Но главное – под столешницей расположен гриль. Довольно вместительное "чрево" и наличие двух колес делают конструкцию практичной и мобильной. Столешница круглой формы позволяет легко изменять функции стола, меняя среднюю часть. Специальная вставка с отверстием будет служить опорой для зонтика. Ее применение позволяет использовать стол по его прямому назначению.
Для устройства гриля в центре столешницы подвешивают ванночку-жаровню, которую накрывают решеткой. Внутри бочки свободно размещаются принадлежности для гриля. Наличие колес позволяет перемещать стол в любое место на садовом участке. Такой стол вам обойдется совсем дешево, если использовать и другое вторичное сырье, например дюралевые трубы, которые можно приспособить под поручни по краям столешницы. Оставшиеся после выпиливания столешницы отходы пригодятся для колес или размещаемого под жаровней промежуточного днища.
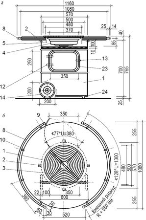
Внешний вид и габаритные размеры такого изделия приведены на рис. 19.

Рис. 19. Передвижной стол-гриль:
а – вид сбоку; б – вид сверху (позиции соответствуют порядковым номерам в списке материалов)
Основной инструмент для изготовления деталей стола – электроножовка. Именно при реализации данной идеи раскрываются все достоинства этого инструмента: электроножовка проворна на прямых участках и податлива на изгибах. В сочетании с угловой шлифовальной машиной или напильником эту пилу можно использовать для обработки кромок металлических и деревянных деталей.
Разметьте по окружности бочки линию отреза ее верхней части до требуемой высоты, а также контуры проема для дверцы. Накерните на прочерченных линиях точки для сверления отверстий и просверлите их. Перерубите перемычки между несколькими отверстиями. В образовавшуюся щель вставьте полотно пилы и разрежьте бочку по размеченной линии. Для резания металла рекомендуется использовать пильное полотно с очень мелкими зубьями.
Для создания передвижного стола-гриля потребуются:
1. Бочка с выступами 500 × 700 мм.
2. Фанерная столешница 1080 × 40 мм.
3. Решетка из нержавеющей стали 500 × 700 мм.
4. Жаровня из нержавеющей стали 370 × 85 мм.
5. Стальные цепи для подвешивания длиной 400 мм (4 шт.).
6. Крышка из листовой стали 565 мм.
7. Промежуточные днища из ДСП 560 мм (2 шт.).
8. Поручни из дюралюминиевой трубы 14 × 2 × 1300 мм (2 шт.).
9. Шары-наконечники из дерева ∅ 30 мм (4 шт.).
10. Дистанционные втулки из дюралюминия 14 × 2 × 30 мм (8 шт.).
11. Шурупы 4 × 60 мм (8 шт.).
12. Петли из стали 30 × 70 мм (2 шт.).
13. Запор из стали 50 мм.
14. Колеса 200 × 22 мм (2 шт.).
15. Ось из стали 12 × 600 мм.
16. Стальные шплинты и шайбы 30 × 12 × 2 мм.
17. Дистанционные втулки из дюралюминия 18 × 2 × 100 мм (2 шт.).
18. Стальные уголки 25 × 15 × 25 мм (8 шт.).
19. Стальные шурупы 4 × 35 мм (4 шт.).
20. Стальные шурупы 3 × 16 мм (8 шт.).
21. Стальные винты М3 × 6 мм (20 шт.).
22. Стальные гайки М3 (20 шт.).
23. Обкладка дверцы из пластмассы (2,5 пог. м).
24. Опорная ножка 30 × 45 из дерева.
С помощью угловой шлифовальной машины удалите с поверхности бочки следы ржавчины, краски и грязи. При необходимости используйте металлическую щетку, тарельчатый шлифовальный круг, наждачную бумагу. Участки с выпуклостями или вмятинами предварительно отрихтуйте.
Разметьте фломастером отверстия для крепления петель 12, запора 13 и уголков 18, для чего временно (например, с помощью скотча) прикрепите дверцу.
Накерните точки и просверлите отверстия. Петли, запор и уголки окончательно устанавливать лучше уже после покраски всех деталей.
На некотором расстоянии от днища бочки кернером разметьте отверстия для установки оси колес. Сверлом-разверткой просверлите и расширьте отверстия до размеров, позволяющих с помощью напильника придать им овальную форму. Подгоните ось.