
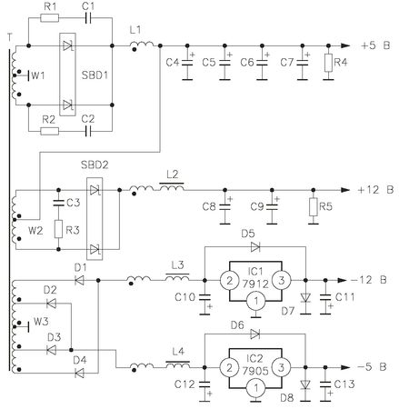
Рис. 1.3. Принципиальная схема ИИП
Диоды выпрямительных схем с положительными выходными напряжениями подключены к обмоткам своими анодами, а диоды выпрямительных схем для каналов с отрицательными уровнями напряжений - к выводам обмоток катодными выводами.
Двухполупериодные схемы выпрямления на своем выходе формируют импульсные последовательности, в которых частота импульсов равна удвоенной частоте коммутации каждого из силовых транзисторов Q5 и Q6.
Такой метод построения выпрямителя облегчает задачу фильтрации вторичных напряжений, а также способствует более равномерной подаче энергии в цепи нагрузки.
Схема фильтрации импульсного напряжения каждого канала в данном варианте исполнения источника питания содержит только пассивные индуктивные и емкостные элементы.
Обмотки дросселя L1 намотаны на общем магнитопроводе. Этим обеспечивается магнитная связь электромагнитных потоков, вызываемых токами, протекающими по каждой цепи вторичных напряжений.
Обмотка дросселя L1 в цепи фильтрации напряжения +5 В является единственным индуктивным элементом в канале. В остальных цепях вторичных каналов напряжений включено по отдельному дополнительному дросселю.
Канал +5 В также содержит наибольшее количество оксидных конденсаторов, установленных на выходе этой цепи.
Резисторы R39-R41, подключенные по выходам каждого вторичного канала, обеспечивают возможность работы импульсного преобразователя без обязательного подключения внешней нагрузки. Резисторы создают контур разряда выходных фильтрующих конденсаторов, исключая увеличение выходных напряжений до амплитудных уровней импульсов, поступающих от выпрямительных элементов.
Максимальное рабочее напряжение конденсаторов, установленных в фильтрах вторичных каналов, не превышает 25 В. Амплитуда импульсов может быть выше этого предельного уровня.
В отсутствие резисторов может происходить заряд выходных конденсаторов до уровня, превышающего предельный, что на практике приведет к их повреждению. Эти вопросы мы подробно разберем во второй главе книги.
Номиналы балансных резисторов, устанавливаемых параллельно выходным фильтрующим конденсаторам, выбираются так, чтобы обеспечивать нагрузочный ток по каналу на уровне 50 мА.
1.1.4. Выпрямитель и фильтр напряжения
Вернемся к схеме, приведенной на рис. 1.3. Вентилятор подключается к выходу источника стабилизированного напряжения. Последовательно с вентилятором включен токоограничивающий резистор R7. Типовое значение номинала этого резистора составляет 10 Ом при максимальной рассеиваемой мощности 0,5 Вт.
Наибольшее отличие от других схемотехнических решений наблюдается в построении каналов с отрицательными номиналами выходных напряжений. Общий фильтр для двух отрицательных напряжений также выполнен в виде двух Г-образных индуктивно-емкостных фильтров.
К выходу стабилизированного напряжения -12 В через диод D5 подключен интегральный стабилизатор на микросхеме IC1 типа 7905. Схема интегрального стабилизатора для канала -12 В одновременно выполняет роль балансного резистора, обеспечивающего частичный разряд конденсатора С7. Выходное напряжение -5 В параметрического стабилизатора на IC1 дополнительно сглаживается конденсатором СИ.
В схемах, где средняя точка обмотки напряжения +12 В соединена с выходом канала +5 В (такое решение довольно популярно и используется и в схемотехнике многих ИИП), есть некоторые особенности.
Такой вариант включения обмотки (см. рис. 1.4) позволяет применить в выпрямительной схеме канала +12 В диоды Шоттки.
В этих диодах при работе с импульсными напряжениями 50 В происходит возрастание обратных токов, что и диктует необходимость снижения импульсного напряжения на них. При включении выпрямителя согласно схеме, приведенной на рис. 2.4, снижается амплитуда импульсов, воздействующих на выпрямительную схему, до уровня, при котором диоды сборки работают уже достаточно эффективно.
Источниками вторичных импульсных напряжений являются три обмотки Wl, W2 и W3 трансформатора Т. Обмотка W1 используется для получения только напряжения +5 В.
С обмотки W2 снимается импульсное напряжение, из которого после фильтрации получают стабилизированное постоянное напряжение + 12 В. Обе обмотки W1 и W2 нагружены на выпрямительные сборки, состоящие из диодов Шоттки.
Цепи фильтрации импульсного входного напряжения во всех каналах построены на основе индуктивно-емкостных Г-образных фильтров. В канале напряжения +5 В единственным индуктивным элементом в фильтре является одна из обмоток дросселя L1. Все остальные каналы дополнены отдельными дросселями, включенными последовательно с обмотками дросселя групповой стабилизации L1.

Рис. 1.4. Вариант включения обмотки импульсного трансформатора
Выводы комбинированной обмотки W3 присоединяются к катодам обычных импульсных выпрямительных диодов D1-D4. Средняя точка обмотки W3 подключена к общему проводу вторичной цепи питания. Диоды D1 и D4 образуют двухполупериодный выпрямитель канала напряжения -12 В.
Аналогичная выпрямительная схема для канала -5 В выполнена на диодах D2 и D3. Во вторичную цепь введен дроссель L1 групповой стабилизации вторичных напряжений по взаимным магнитным потокам. Несмотря на это, в каждом канале напряжений с отрицательными значениями включены интегральные стабилизаторы на IC1 и IC2. Между входом и выходом каждого интегрального стабилизатора подключаются демпфирующие диоды.
В схемах, где возбуждение популярной микросхемы управления TL494 производится первичным импульсом, напряжение питания этой микросхемы и промежуточного усилителя снимается с выхода выпрямительной схемы канала +12 В. Каскады фильтрации данного напряжения аналогичны приведенным ранее.
Амплитуда импульсов на выходе выпрямителя составляет 60 В. Уровень отфильтрованного постоянного напряжения непосредственно на ШИМ-преобразователе зависит от длительности выпрямленного импульса и промежутка между импульсами так называемой "мертвой зоны". Диапазон изменения постоянного напряжения в данном случае составляет примерно от +25 до +30 В.
1.2. Схемотехника защиты и формирования служебных сигналов
Энергетические характеристики силовых элементов импульсного преобразователя были выбраны, исходя из предположения, что в установившемся режиме работы на предельной мощности они не превысят предельно допустимых норм для данного прибора.
Наиболее критичными являются режимы работы силовых транзисторов.
Полумостовые импульсные преобразователи характеризуются тем, что максимальное напряжение на силовых транзисторах этой схемы равно напряжению питания каскада. Броски напряжения, возникающие в моменты коммутации транзисторов, устраняются включением защитных диодов между коллектором и эмиттером каждого силового транзистора. Такими диодами на принципиальной схеме, приведенной на рис. 1.3, являются D6 и D7.
Существующие нормы рекомендуют применять полупроводниковые приборы в цепях, предельные режимы эксплуатации которых имеют уровень 0,8 от максимального значения тока или напряжения. При выполнении этого требования, как правило, изготовители элементной базы гарантируют надежную работу приборов.
Наиболее критичным для работы силовых элементов (транзисторов) в усилителе мощности оказывается неконтролируемое возрастание нагрузки по вторичным каналам напряжения, которое превышает установленный предельный уровень.
Увеличение нагрузки приводит к росту тока, коммутируемого транзисторами полумостового усилителя мощности.
Процесс неконтролируемого нарастания тока и превышения максимально допустимых значений может быть только следствием неисправности и возникновения экстренной ситуации в нагрузочной цепи. Иногда это может быть обусловлено неправильным использованием преобразователя в режимах, не предусмотренных техническими характеристиками.
Для предотвращения повреждения элементов импульсного преобразователя в схему вводятся каскады, предназначенные для отключения формирователя ШИМ-последовательностей. После остановки работы ШИМ-регулятора прекращается подача управляющих импульсов в силовые цепи. Оба транзистора полумоста "замирают" в закрытом состоянии, их коммутация прекращается.
Защита источника питания от перегрузки по вторичным цепям выполняется остановкой преобразователя. Прекращение коммутации силовых транзисторов вызывает понижение напряжения питания на ШИМ-каскаде.
Если не происходит выгорание сетевого предохранителя, то единственным каскадом, остающимся под напряжением питания, будет усилитель мощности.
Все выходные цепи имеют гальваническую развязку от первичной сети, поэтому в отсутствие импульсных колебаний на входе усилителя мощности напряжения на них будут отсутствовать.