Всего за 45 руб. Купить полную версию

Рис. 39. Схемы соединения стальных труб в гладкотрубные отопительные приборы: а – змеевиковая форма; б – регистровая форма; 1 – нитка; 2 – колонка; 3 – заглушка; 4 – калач
Скорость зависит от повышенного гидравлического сопротивления, особенно если трубы соединены по направлению движения воды.
У гладкотрубных отопительных приборов самый высокий уровень теплоотдачи. Но минусом является большой вес, значительные габаритные размеры и неэстетичный внешний вид. Из-за этого данный вид отопительных приборов используют для обогрева хозяйственных построек.
Расширительный бак
Из физики известно, что вода при нагревании расширяется, а при остывании сжимается. Это свойство воды необходимо учитывать при монтаже системы традиционного отопления. Для этих целей служит расширительный бак, или демпфер.
Расширительные баки используются в системах водоснабжения и отопления загородных и частных домов. Они нужны для предотвращения повышения гидравлического давления в системе.
Демпфер в системе отопления выполняет сразу несколько функций:
• служит емкостью для излишков воды, образующейся в результате ее расширения;
• восполняет недостаток воды при ее охлаждении или при небольшой протечке трубопроводов;
• удаляет воздух, скапливающийся в результате выделения его из нагретой воды.
Помимо достоинств, расширительные баки имеют и недостатки, например:
• большая вероятность теплопотерь через стенки бака;
• снижение коррозионной стойкости труб и приборов;
• большие габаритные размеры.
Демпфер может быть открытым или закрытым. Друг от друга они отличаются тем, что в открытом баке расширение нагретой воды уравновешивается столбом воды до расширительного бака, установленного на чердаке дома; в закрытом роль пружины исполняет баллон со сжатым воздухом.
Расширительный бак открытого исполнения
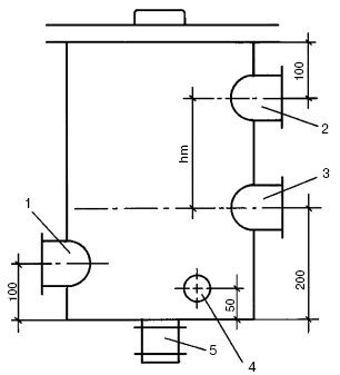
Демпфер открытый обычно устанавливают над верхней точкой отопительной системы (например, на чердаке). Он представляет собой емкость прямоугольной или цилиндрической формы (рис. 40). Изготавливают такие баки из листовой стали. После монтажа демпфер теплоизолируют.
Открытый расширительный бак оснащен несколькими патрубками для присоединения:
– переливной трубы;
– расширительной трубы, по которой поступает вода в бак;
– контрольной трубы, которая присоединена к раковине;
– циркуляционной трубы, служащей для отвода воды в отопительную систему.

Рис. 40. Открытый демпфер: 1 – расширительный патрубок; 2 – переливной патрубок; 3 – контрольная труба; 4 – циркуляционный патрубок; 5 – спускной патрубок с пробкой
На контрольной трубе обязательно устанавливают запорный кран. С его помощью можно контролировать наличие воды в демпфере и в системе отопления. Если при открытом кране будет вытекать вода, значит, в баке вода тоже есть.
Расширительный бак закрытого исполнения
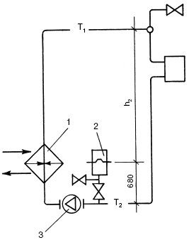
В загородных домах применяют, как правило, закрытые отопительные системы с принудительной циркуляцией теплоносителя. Для таких систем используют расширительные баки закрытого исполнения, или мембранные демпферы. С магистралью бак соединяется с помощью специального штуцера.

Рис. 41. Схема монтажа закрытого мембранного расширительного бака: 1 – теплообменник; 2 – расширительный бак; 3 – циркуляционный насос
Устанавливают такие баки в котельной и подключают к обратной магистрали перед циркуляционным насосом. На рис. 41 показан вариант такого подключения.
Расширительный бак закрытого исполнения – это сосуд, разделенный мембраной на две камеры – водяную и газовую (воздушную). В воздушной камере под давлением находится газ или воздух, а другая соединена с системой отопления (рис. 42).
Мембранные демпферы бывают горизонтального и вертикального исполнения. Конструктивно они изготавливаются разъемными и неразъемными. Первая из форм предусматривает возможность замены мембраны в процессе эксплуатации бака.

Рис. 42. Закрытый мембранный расширительный бак: 1 – воздушный клапан; 2 – пространство для газа; 3 – мембрана
Некоторые модели мембранных баков снабжаются элементами контроля и автоматизации. Объем расширительного мембранного бака выбирается в зависимости от потребления воды, объема магистрали отопления, мощности насоса, подающего воду в магистраль, а также ряда других параметров.
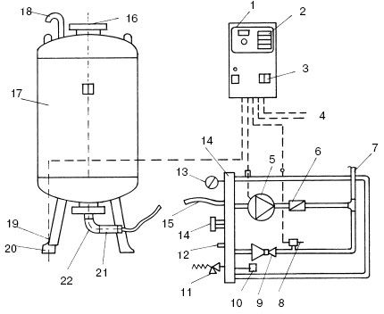
Если загородный дом потребляет большое количество воды, то для его отопления используют установку с управляющим насосом, который поддерживает постоянное избыточное давление в системе (рис. 43).

Рис. 43. Установка с управляющим насосом: 1 – пульт управления; 2 – выбор операций; 3 – основной выключатель; 4 – датчик сбоя системы; 5 – усиливающий насос; 6 – обратный клапан; 7 – подключение к системе; 8 – датчик давления; 9 – перепускной клапан; 10 – сливной кран; 11 – клапан предохранительный; 12 – подключение подпитки; 13 – манометр; 14 – распределительный коллектор; 15 – гибкое соединение; 16 – удаление воздуха из воздушной камеры; 17 – воздушный крюк; 18 – накопительная емкость; 19 – датчик измерения объема воды; 20 – масляный динамометр; 21 – подсоединение емкости; 22 – кран слива
Когда вода нагревается, открывается перепускной клапан установки и вода подается в накопительную емкость. Когда вода остывает, включается насос, закачивающий воду из накопительного бака в систему отопления. Таким образом поддерживается постоянное давление.
Расширительный мембранный бак обладает целым рядом преимуществ:
• установить его можно в любом месте дома;
• вода не контактирует с воздухом, что благоприятно сказывается на работе отопительного оборудования;
• в системе практически не бывает воздушных пузырей (из-за избыточного давления в верхней точке отопительной системы);
• высокая экономичность.
Теплопроводы
Теплопровод представляет собой все трубы, которые используются для подачи нагретого теплоносителя в отопительные приборы, а также для вывода охлажденного теплоносителя из них. Теплопроводы имеют в своем составе:
• магистрали;
• стояки;
• горизонтальные ветви;
• подводки.
Теперь немного подробнее о каждой группе трубопроводов.
Магистраль – это труба, которая соединяет между собой водогрейный котел и стояк. Магистраль располагается в зависимости от конфигурации отопительной системы (рис. 44). Помимо этого, следует учитывать тип, назначение и ширину здания.
Горизонтальные отопительные системы могут иметь верхнюю и нижнюю разводку. В первом случае подающая магистраль располагается выше отопительных приборов, во втором – ниже.

Рис. 44. Теплопроводы горизонтальных (а, б) и вертикальных (в, г, д) систем водяного отопления: 1, 2 – подающие (Т1) и обратные (Т2) магистрали; 3, 4 – подающие и обратные стояки; 5, 6 – подающие и обратные подводки; 7 – отопительные приборы; 8 – однотрубные ветви; 9 – бифилярные ветви; 10 – стояк; 11 – ветви
В вертикальной системе отопления с "опрокинутой" циркуляцией теплоносителя подающая магистраль располагается ниже, а обратная – выше отопительных приборов.
В отопительных системах с естественной циркуляцией нижние магистрали обязательно имеют уклон в сторону водогрейного котла. Это делается для того, чтобы из верхней части отопительной системы отводились скопления воздуха, а также для слива воды из труб. Оптимальный уровень уклона нижних магистралей составляет 5 мм на 1 м длины трубы.
Подводки представляют собой соединительные трубы между отопительными приборами и стояком или горизонтально расположенной ветвью. Подводки бывают прямые и с так называемой уткой, или отступом. Отступ делается в зависимости от расположения подводки по отношению к отопительному прибору. Чаще всего подводки делают прямыми, чтобы облегчить выполнение монтажа, а также снизить гидравлическое сопротивление в системе отопления. Как правило, подающая и обратная подводки выполняются горизонтально или с небольшим уклоном.
Стояк – это труба, которая соединяет между собой магистраль и подводки. Его положение зависит от того, как расположена магистраль и подводки по отношению к отопительным приборам.