Всего за 89.9 руб. Купить полную версию
Предельный входной ток каждой оптопары /вх max = 20 мА. Входное напряжение Uвх max = 20 В. Диапазон рабочей температуры 1-50 °C.
Оптопары можно подключать параллельно, соответственно, параллельно включаются излучающие диоды и фотоприемники, что обеспечивает большую по сравнению с классическим включением, чувствительность и позволяет контролировать большую площадь поверхности.

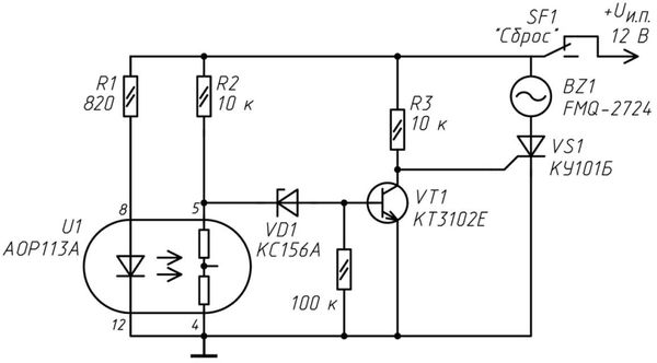
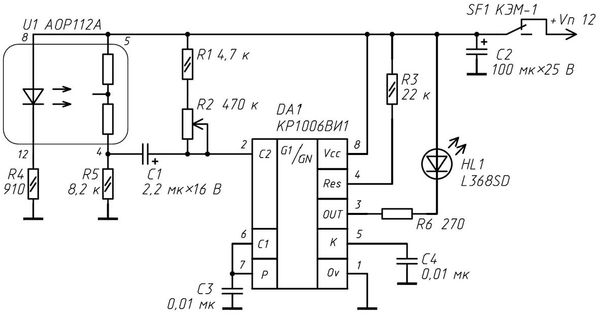
Рис. 1.20. Электрическая схема устройства
В основе схемы – популярная микросхема КР1006ВИ1.
Она включена несколько нестандартно, относительно классического стиля. Однако такой подход позволил упростить схему и оставить ее без каких-либо коммутационных узлов. Мощный выход микросхемы позволяет подключать в виде нагрузки другие узлы с током потребления до 200 мА. Устройство является защелкивающимся, и в нем предусмотрен сброс в исходное состояние.
Излучающий светодиод оптопары подключен к питанию постоянно. Пока на приемные фоторезисторы оптопары U1 приходит отраженный от зеркальной поверхности сигнал, на выходе (вывод 3 DA1) – низкий уровень. Светодиод не активен.
Как только фоторезисторы оптопары перестают принимать отраженный световой поток излучающего диода U1, сопротивление фоторезисторов оптопары многократно увеличивается, импульс проходит через оксидный конденсатор С1 и запускается микросхема DA1. Вход 2 является очень чувствительным даже для малых изменений входного напряжения. Эта чувствительность может корректироваться переменным резистором R2. Внутренний триггер микросхемы перебрасывается в другое устойчивое состояние, и на выводе 3 оказывается высокий уровень напряжения. Он является разрешением на работу светодиода HL1.
Высокий уровень на выходе микросхемы DA1 сохраняется до тех пор, пока не будет (хотя бы кратковременно) разорвана цепь питания устройства или не разомкнуты контакты геркона SF1.
Также при подаче низкого уровня на вывод 4 DA1 на выходе микросхемы устанавливается исходный низкий уровень напряжения.
Устройство в налаживании не нуждается. Особенность оконечного узла устройства – в блокировке состояния.
Благодаря применению в устройстве таймера КР1006ВИ1 впоследствии, даже если начальное состояние датчика оптопары будет восстановлено (в контролируемой зоне исчезнет почтовый предмет, например, будет вытащен из ящика кем-то за уголок), светодиод активен до тех пор, пока не будет разорвана цепь питания устройства герконом SF1. Вместо светодиода можно включить зуммер (например, FMQ-2015B, FMQ-2724). Тогда ток потребления узла незначительно возрастет, но прибавится звуковая сигнализация.
О деталях и монтаже. Все постоянные резисторы – типа МЛТ-0,25. Неполярные конденсаторы – КМ6Б.
Переменный резистор – R1 типа СПО-1 или аналогичный.
Геркон – SF1 (КЭМ-1, КЭМ-2 или любой другой с контактами на замыкание).
Светодиод HL1– мигающий, может быть заменен на L816BRSC-B, L-56DGD или любой аналогичный. Источник питания стабилизированный, трансформаторный, рассчитанный на ток не менее 0,1 А.
Из-за применения современной элементной базы ток потребления очень мал – он составляет 3–4 мА в режиме ожидания и 12–15 мА – в режиме световой индикации, поэтому для питания устройства можно использовать автономное питание (батарейки, аккумуляторы).
Напряжение питания устройства может находиться в диапазоне 6-15 В.
В схеме, с небольшой доработкой, можно применять диодную оптопару с открытым оптическим каналом отражательного типа АОД111А. Однако этот тип имеет худшие, по сравнению с АОРС113А, характеристики. Для обеспечения высокой чувствительности (с АОД111А) необходимо усилить входные каскады схемы.
Такой электронный узел может быть повторен даже начинающими радиолюбителями.
Кроме этого существует множество других вариантов использования оптопар с открытым оптическим каналом (например, датчик пульса, охранные системы инициализации и др.).
1.5.1. Второй вариант сигнализатора почты в ящике или смещения иного предмета
На рисунке 1.21 представлена новая электрическая схема для подобных устройств. Ее прототип – специальный прибор охраны денежных знаков – использовался длительное время в антикриминальной системе безопасности кассиров и контроля в банках и крупных торговых точках. Но все же устройство на рисунке является радиолюбительской разработкой, хотя и имеет в себе все функции специального охранного узла.

Рис. 1.21. Электрическая схема второго варианта устройства
1.5.2. Принцип действия "тревожных" сигнализаторов типа "кукла", установленных в банках
Устройство реализовано всего на нескольких элементах, не требует налаживания и работает надежно в режиме постоянного подключения к источнику питания.
Необходимо лишь следить за тем, чтобы источник питания не подводил.
Охрана материальных средств в крупных торговых и коммерческих предприятиях происходит так: рядом с кассиром-операционистом, не привлекая особого внимания, находится муляж пачки купюр (может быть любого номинала), перевязанный в соответствии с правилами банка (по 100 купюр в пачке).
Внутри этой "куклы" установлен пиропатрон (имеющий в себе несмываемую краску (как правило, красную), геркон и автономный источник питания – элемент на 1,5–3 В. Тут же рядом к плоскости стола на тонкой пластмассовой подставке надежно крепится небольшой магнит. Если геркон находится под воздействием магнитного поля (от магнита) – это нормальное состояние сигнализатора.
Если геркон уходит из зоны сильного магнитного поля (это происходит при смещении "куклы", например, в случае ограбления), его контакты замыкаются, по цепи течет электрический ток от автономного источника питания, происходит воспламенение порохового заряда пиропатрона, как следствие – громкий "хлопок", и поток несмываемой краски устремляется в разные стороны.
Принцип действия этого устройства можно использовать и в радиолюбительских новаторских узлах. В предложенной схеме заложен обратный механизм работы устройства. При отсутствии предмета в зоне контроля устройство воспринимает такое состояние как нормальное. При внезапном, даже кратковременном появлении какого-либо предмета вблизи датчика U1 устройство переходит в режим "тревога" с фиксацией этого положения.