Всего за 89.9 руб. Купить полную версию

Рис. 1.18. Электрическая схема автоматического включения устройства
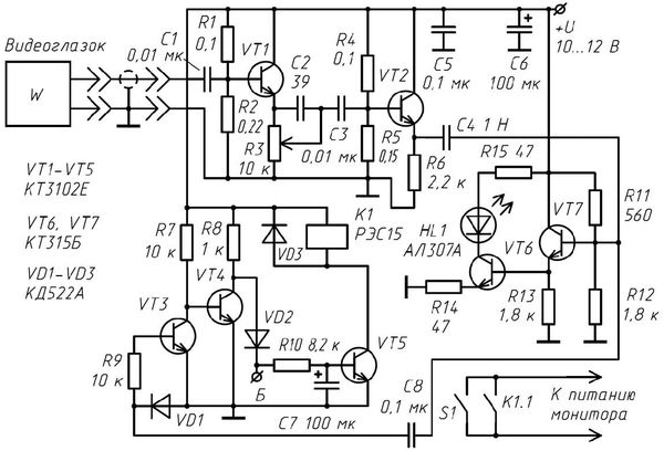
Видеоусилитель имеет регулировку усиления на переменном резисторе R3, который следует подобрать с линейной характеристикой.
Транзисторы VT1-VT5 с большим коэффициентом усиления можно заменить на КТ373А,Б, КТ342В, КТ3102Б. Усилитель работоспособен при колебаниях напряжения питания 9-12 В. Режимы смещения транзисторов VT1 и VT2 следует установить так, чтобы на базе VT1 уровень напряжения был 5,5 (±5 %) В, на его эмиттере – 5 В, на базе VT2 напряжение 4,5 В, на эмиттере– 3,8 В (±5 %).
Видеоусилитель можно исключить из схемы, если уровень выходного сигнала с видеодатчика находится в пределах 0,8–1 В.
Точка А в схеме является входом индикатора модуляции на транзисторах VT6, VT7 и входом детектора видеосигнала.
Транзисторы VT6, VT7 можно заменить на КТ312А-В. Уровень чувствительности схемы выбран таким, что светодиод HL1 сигнализирует о наличии модуляции – изменения в общем фоне видеосигнала.
Видеодетектор на транзисторах VT3-VT5 управляет реле и монитором в зависимости от видеосигнала на входе (точка А). Поступающие импульсы открывают транзистор VT3 и запирают транзистор VT4.
На RC-цепочку задержки, реализованную на элементах R1 °C7, проходит постоянная составляющая напряжения, конденсатор C7 быстро заряжается, создается напряжение прямого смещения на базе транзистора VT5, он открывается и коммутирует реле. Диод VD3 служит препятствием бросков обратного напряжения и устраняет дребезг контактов реле. Когда активные видеоимпульсы в точке А пропадают и транзистор VT4 открывается, реле остается включенным, пока не разрядится конденсатор C7. Так обеспечивается задержка времени выключения монитора.
При указанных на схеме номиналах C7 и R10 и напряжении питания +12 В задержка выключения монитора составит примерно 1,5 минуты. Задержка времени выключения монитора необходима для более эффективного контроля. Переключателем S1 можно вручную установить режим работы монитора постоянным.
Конденсаторы C5, C6 фильтруют помехи по питанию. В качестве реле К1 используется любое маломощное реле на напряжение срабатывания 10–12 В с двумя группами контактов или два реле типа РЭС 15, РЭС10, РЭС55 (на напряжение питания 10–12 В), включенные параллельно. Первой группой контактов К1.1 замыкается цепь питания видеомонитора. Второй группой контактов К1.2 управляется схема дополнительного устройства, к примеру, кратковременного звукового сигнала.
Одновременно с включением видеомонитора устройство издает кратковременный звуковой сигнал на 2–3 с для привлечения внимания людей к ситуации. Достоинством схемы, кроме описанных выше, можно назвать реальную экономию ресурса монитора. Недостатком такого схемного решения является необходимость постоянного освещения контролируемой зоны, для того чтобы видеодатчик эффективно реагировал на изменения в пространстве.
Если достаточно только видеоконтроля, схему акустического автомата можно исключить. Однако следует иметь в виду, что она будет незаменимой в той ситуации, когда обеспечить освещенность контролируемого участка для нормальной работы видеодатчика не представляется возможным.
Как вариант, в другом исполнении, в качестве исполнительного элемента-нагрузки к устройству аудиодетектора и задержки выключения можно подключить саму лампу освещения лестничной клетки. Тогда можно эффективно экономить свет и ресурс лампы освещения – ведь она будет загораться и автоматически гаснуть, только когда на лестничную клетку зайдут люди, нарушив нейтральный звуковой фон.
Устройство не содержит дорогих или дефицитных деталей, не требует настройки и при правильном монтаже начинает работать сразу. Схемы задержки выключения монитора и кратковременного звукового сигнала подробно описаны в радиолюбительской литературе, в том числе автором, и имеют известные принципы работы.
Каждый радиолюбитель способен повторить и даже расширить предлагаемый вариант автоматического помощника, сигнализирующего световым сигналом о наличии в почтовом ящике какой-либо корреспонденции. Теперь, после сборки этого устройства, нет необходимости заглядывать в почтовый ящик постоянно, а только тогда, когда установленный на его корпусе мигающий светодиод сигнализирует о том, что в ящике что-то есть. При наличии любой почтовой корреспонденции светодиод будет периодически включаться (мигать) и привлекать внимание.
При изъятии почтовой корреспонденции устройство автоматически переходит в исходное состояние ожидания. Устройство может быть полезно везде, где есть почтовые ящики.
Такое устройство пока не способно бороться с многочисленными печатными листовками и рекламой, ежедневно засоряющими наши ящики. Устройство-сигнализатор будет реагировать на любую корреспонденцию в почтовом ящике. Но, вероятно, создание устройства, которое автоматически определяло бы фактуру бумаги и отличало листовки от газет, журналов и писем, не за горами.

Рис. 1.18. Блок схема, иллюстрирующая работу устройства
На рисунке 1.19 показана блок-схема, построенная по принципу эхолота. Это морской прибор, замеряющий глубину и расстояние в воде до других объектов.
1.5. Электронный информатор о наличии новой корреспонденции в почтовом ящике
Мы по привычке периодически заглядываем в почтовый ящик. Однако процесс проверки почты можно автоматизировать с помощью электроники.
В морском эхолоте излучением являются звуковые колебания с различной длиной волны.
В радиолюбительской технологии построение такого чувствительного прибора достаточно усложнено. Применение оптических датчиков, напротив, не сопряжено с большими затратами, и схемы на их основе могут быть реализованы в лаборатории радиолюбителя.
Монтажная плата с элементами устройства находится в пластмассовом корпусе, например от элементов питания к китайской игрушке (для этого подходит любой корпус размером 30x60x20 мм). Его можно прикрепить клеем "Супермомент-гель" так, чтобы он надежно зафиксировался на дне почтового ящика (вариант подходит как для деревянного исполнения почтового ящика, так и для металлического).
Вне корпуса– только датчик U1, светодиод HL1 и геркон SF1. Светодиод закрепляется на внешней стенке корпуса почтового ящика.
Отражатель и приемник сигнала – один прибор – оптопара U1. Она аккуратно тем же клеем закрепляется на одной из внутренних стенок ящика так, чтобы рабочие поверхности прибора ("окно") были направлены на противоположную внутреннюю стенку ящика.
Буквально одна капля клея с тыльной стороны наносится на керамический корпус оптопары, затем оптопара прижимается к стенке ящика. При этом нужно следить, чтобы клей не попал на рабочую поверхность оптрона.
Напротив чувствительной поверхности оптопары, на противоположной внутренней стенке ящика, тем же клеем фиксируется отрезок зеркала для отражения сигнала оптопары размером 60x40 мм.
Геркон с группой контактов на замыкание (типа КЭМ-1) монтируется тем же клеем на внутреннюю сторону корпуса почтового ящика так, чтобы магнит, закрепленный напротив геркона на подвижной крышке ящика, при закрытой крышке (совмещении) оказывал четкое влияние на геркон своим магнитным полем. Тогда при закрытой крышке контакты геркона SF1 будут нормально замкнуты, а при открывании крышки ящика (для забора почты) – размыкаться.
Благодаря этому узлу устройство будет переустанавливаться в исходное состояние каждый раз при открывании почтового ящика. Таким образом, для вмонтирования предлагаемого устройства разбирать почтовый ящик нет необходимости.
Принцип действия устройства следующий (рис. 1.19): от передатчика сигналов луч уходит в пространство. В плоскости параллельно передатчику расположены фотоприемники, также обращенные в пространство.
При отсутствии объекта – почтовой корреспонденции – энергия, излучаемая светодиодом, попадает на зеркальную поверхность, отражается от нее и затем попадает на чувствительную поверхность фотоприемников.
При появлении бумажной и любой незеркальной корреспонденции в почтовом ящике световой сигнал не отражается, а поглощается новым предметом (почтой).
Отраженный сигнал не улавливается фотоприемниками, вследствие этого на управляющую схему поступает импульс.
Практикой установлено, что устройство может эффективно реагировать на расстоянии до отражающего объекта до 25 см.
Почтовый ящик имеет ширину не более 80 мм, поэтому данный узел работает стабильно. Конструкция почтового ящика защищает рабочую поверхность оптопары от внешнего светового воздействия
По такому принципу реализован специальный датчик отражения сигнала (электрическая схема рис. 1.20).
Оптопары АОР113А и АОРС113А, которые можно взаимно заменять с учетом разной цоколевки выводов,
представляют собой позиционно чувствительные устройства, содержащие излучатель и дифференциальный фоторезистор (с отводом от средней точки), помещенные в один керамико-металлостеклянный корпус с прозрачным окном для вывода генерируемого и приема отраженного излучений.
АОРС113А имеет в своем корпусе два однотипных прибора типа АОР113А.
Позиционная чувствительность при номинальном входном токе управления Iвх = 10 мА и напряжении на фоторезисторе 10 В– не менее 2 мкА/мкм. АОР113А контролирует одну координату, а АОРС113А, соответственно, две.