Всего за 89.9 руб. Купить полную версию

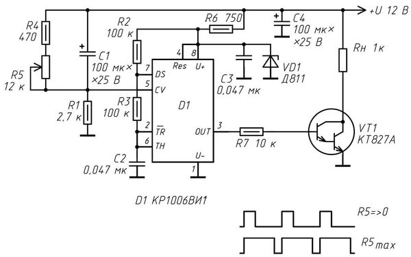
Рис. 1.6. Электрическая схема устройства
Устройство предназначено для регулировки напряжения на нагрузке мощностью до 100 Вт. В этих пределах симистор на теплоотвод устанавливать не нужно.
Корпус и ручка регулировки переменного резистора (для безопасности пользования) должны быть изолированы. Так как элементы узла подключены к опасному для жизни напряжению, при эксплуатации устройства следует соблюдать меры безопасности.
Должен заметить, что данная схема взята из промышленного устройства-диммера, которые хорошо продавались в розничной сети десяток лет назад. Для экономии времени экспериментов "керамического нагревателя" мною был проведен опыт именно с этой схемой (вместо Rн по замыслу производителя включается лампа накаливания мощностью 11–60 Вт). Однако устройство испытано и показало хорошие результаты: максимальный нагрев резистора Rн достигается за 4,5 минуты. При максимальном увеличении сопротивления резистора R2 падение напряжения на Rн всего около 10 В (переменного тока), и он не нагревается. В принципе элементы L1 и C1 в определенных случаях можно из схемы исключить.
Устройство в налаживании не нуждается.
Постоянные резисторы – типа МЛТ или С2-33. Ограничивающий резистор – R1 с мощностью рассеяния не менее 1 Вт. Симистор можно заменить на КУ208В-КУ208Г.
Конденсаторы С1 и С2 – типа МБМ, МБГО или аналогичные на рабочее напряжение не ниже 300 В.
1.1.4. Особенности конструкции при "низковольтном" питании 12 В
"Теплый стол" согласно схеме на рисунке 1.6 с питанием 12 В постоянного тока работает в двух аспектах – включено и выключено. Небольшое напряжение питания выбрано для максимальной безопасности работы с устройством. С помощью этой несложной схемы удается существенно расширить возможности описанного выше оригинального нагревательного элемента.
В основе схемы – популярный таймер КР1006ВИ1, включенный в качестве генератора импульсов. Скважность импульсов на выходе микросхемы (вывод 3) можно регулировать, изменяя напряжение смещения на входе 5 D1. Такое схемное решение давно получило название широтно-импульсного метода изменения выходного сигнала.
В электронную схему управления введена стабилизационная цепь, состоящая из элементов R6, C3 и стабилитрона VD1. В качестве последнего желательно применить любой из имеющихся полупроводниковых приборов с напряжением стабилизации 9 В. Ток, потребляемый микросхемой D1, в рабочем режиме – менее 10 мА, поэтому применение "простого" стабилитрона оправданно. Электролитический (оксидный) конденсатор С4 сглаживает низкочастотные пульсации по питанию.
Микросхема D1 при включении питания вырабатывает электрические импульсы прямоугольной формы. Частота импульсов определяется значениями элементов вре-мязадающей цепи R3C2. Чем меньше емкость конденсатора С2, тем выше частота импульсов на выходе (вывод 3 D1). Резисторы R1, R4, R5 образуют делитель напряжения с возможностью регулировки. Конденсатор С1 обеспечивает плавное изменение скважности прямоугольных импульсов. Форма импульсов показана внизу рисунка.
Составной транзистор VT1 открывается с каждым положительным фронтом прямоугольных импульсов, приходящих в его базу через ограничительный резистор с выхода микросхемы. Коэффициент заполнения последовательности импульсов колеблется, в зависимости от сопротивления делителя напряжения на входе D1, примерно от 35 до 100 %.
Поэтому напряжение на нагревательном элементе увеличивается пропорционально уменьшению сопротивления переменного резистора R5. При сопротивлении R5, равном 1 кОм и менее, напряжение на RK максимально.
Электролитические (оксидные) конденсаторы типа К50-29 – на рабочее напряжение не ниже 25 В.
Остальные конденсаторы в схеме выбраны керамическими или типа КМ. Вместо составного транзистора, управляющего нагревательным элементом, можно применить прибор КТ834А-КТ834В.
Составной транзистор VT1 необходимо установить на изолированный от массы автомобиля радиатор. Это повысит безопасность электронных элементов и надежность всего узла при длительной эксплуатации. Электрические параметры рекомендуемых транзисторов таковы, что весь узел имеет необходимый запас работоспособности; судите сами: максимальная мощность рассеивания КТ827 и КТ834 – 100 Вт; максимально допустимый ток через переход коллектор-эмиттер данных составных транзисторов – 5–8 А.
В настоящее время устройство доказало свою эффективность.
1.2. Электронный сигнализатор нарушения целостности теплоизоляции
Многие в своей жизни сталкивались с таким явлением, как продувка. Я веду речь о продувке ветром через "неплотности" в закрытом окне; причем даже современные стеклопакеты на окнах – не панацея от таких вещей. Небольшую струйку воздуха можно ощутить тактильно, буквально с помощью руки, если приложить ее к месту возможной щели. Продувание ветром с улицы сквозь щели в окнах (рамах) особенно опасны там, где на полу жилой комнаты играют дети, да и в эстетическом плане ветер с улицы портит картину – оставляет на окне черные разводы. Таким образом, нарушение изоляции в стеклопакетах можно заметить уже через неделю после их установки визуально, без всякого прибора – невооруженных глазом. Но что делать, когда проблема не выявляет себя, утечка холодного воздуха есть, но незначительная, вроде бы дети болеют от сквозняков – с улицы дует, но прямо это "не доказано". Тогда на помощь приходит простое приспособление, электрическая схема которого представлена на рисунке 1.7.

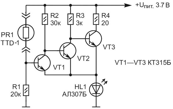
Рис. 1.7. Электрическая схема устройства
Электрическая схема устройства, сигнализирующего на поток холодного воздуха (сигнализатор продувки), реализована на трех транзисторах n-p-n-проводимости.
Отличительные особенности устройства – в простоте повторения и необычном датчике – термопаре. Я взял термопару ТТД-1 от популярного мультиметра и при испытаниях обнаружил интересный эффект.
Термопара, если есть разность температур между горячим и холодным концом, вырабатывает ЭДС. Оказалось, термопара очень чувствительна к резкому изменению температуры окружающей среды.
1.2.1. Особенность идеи
Так и родилась эта идея определения места продувки (течи воздуха) в применении… термопары.
Чувствительным датчиком устройства является термопара типа К – температурный щуп ТТД-1 – термопара открытого типа от популярного цифрового мультиметра (многофункционального тестера) М-830В; подключаются в схему в качестве датчика температуры. Технические характеристики поверхностного температурного щупа ТТД-01 типа ХА (К) таковы:
• диапазон измерения температуры: -50…+300 °C;
• длина погружной части (рабочая поверхность термопары): 2,5 мм;
• длина соединительного провода: 900 мм.
Особенность щупа ТТД-1 – в малой инерционности изменения состояния, поэтому его уместно использовать для определения локального воздушного потока.
Кстати, на практике установлено, что благодаря качественному изготовлению термопар точность измерения температур (у мультиметра М-830В) весьма высока.
Термопару я расположил в самодельном корпусе от… зубной щетки – в месте перфорации (отверстий). Воздушный поток через перфорацию в корпусе устройства (см. рис. 1.8) достигает рабочей поверхности термопары ТТД-1, охлаждая ее, вследствие чего возникает ЭДС (в зависимости от интенсивности воздушного потока, воздействующего на рабочую поверхность ТТД-1).