Всего за 89.9 руб. Купить полную версию
Глава 1
Современные простые конструкции без микросхем
Эти устройства всегда можно сделать дома буквально за 1 световой день, имея небольшой набор радиоэлементов и паяльник.
1.1. Как сделать локальный нагревательный элемент и регулировать его температуру
Идея локального нагрева небольшого участка реализована с помощью подручных деталей, которые наверняка найдутся в запасах рачительного хозяина, к числу которых, безусловно, принадлежат и радиолюбители. Причем в качестве нагревательного элемента применен обычный постоянный резистор с мощностью рассеяния 2 Вт. В зависимости от мощности и сопротивления постоянного резистора можно достичь нагрева ограниченной площадки в широком диапазоне температур – до 40–60 °C.
Схема устройства представлена на рисунке 1.1.

Рис. 1.1. Электрическая схема устройства локального нагрева
Электрическая схема состоит из нагревательного элемента R2, светодиодного индикатора HL1 и шунтирующего резистора R1. Последний защищает светодиод от колебаний напряжения. В данной схеме светодиод HL1 (его можно включать в любом направлении, поскольку род тока в осветительной сети 220 В – переменный) выполняет роль индикатора рабочего состояний устройства, ведь если нагревательный элемент выйдет из строя, электрическая цепь будет разомкнутой и светодиод погаснет. Кроме того, в моей конструкции он мерцает (с частотой 50 Гц) довольно комфортно, являясь дополнительным индикатором исправности сети.
Впрочем, если кому-то такая индикация покажется избыточной – в данной и без того простой схеме, – смело удаляйте из схемы элементы R1 и HL1; от этого ее работоспособность не уменьшится.
При указанных на схеме значениях элементов нагрев кафельной пластины до температуры 40 °C достигается за 7–8 минут. Еще через 10 минут эта температура стабилизируется в диапазоне 50–55 °C.
В моей конструкции, которую можно взять за пример для более глубоких разработок – в части практического применения идеи, – нагревательный элемент приклеен с помощью теплостойкого клея Fix-it (см. рис. 1.2) в центре кафельной пластины размерами 2x3 см, с обратной (тыльной) ее стороны.

Рис. 1.2.Клей Fix-it склеивает столь хорошо, что конструкции после его применения выдерживают вес до 120 кг– на разрыв
Почему именно этот клей?
Ни один другой клей не обладает после высыхания столь "мощными" качествами; он может склеивать даже… камни, подходит для склеивания большинства материалов, хорошо пристает к влажным, холодным и окрашенным поверхностям. Клеевое соединение эластично, устойчиво к влаге и морозу (температуре окружающего воздуха -40 °C) и жаре (+100 °C), то есть выдерживает нагрев.
Испытан при склеивании частей металла, резины, кожи, древесины и других материалов.
Почему для данной разработки выбран именно кафель? Это хорошо проводящий тепло материал, отвечающий всем нормам электробезопасности (электрический ток не проводит, огнеупорный, твердый, маленький участок кафеля трудно расколоть). Поэтому касание к кафелю со стороны, обратной монтажу электрических проводов и нагревательного элемента, абсолютно безопасно для человека и животного. С другой стороны (с лицевой) кафельная плитка имеет гладкую полированную поверхность, что дает возможность фантазировать о практическом применении устройства, о чем поговорим чуть ниже.
Пожалуй, единственное ограничение, которое все же оставил бы, – такую конструкцию не стоит помещать в жидкую среду (чтобы не было проводимости тока). В любой другой среде и в качестве решения задачи локального подогрева она, пожалуй, покажет свои лучшие универсальные качества.
На рисунке 1.3 представлен вид на приклеенный с тыльной стороны кафеля резистор R2.

Рис. 1.3. Вид на приклеенный с тыльной стороны кафеля резистор R2

Рис. 1.4. Вид на подключение проводников к нагревательному элементу – резистору
На рисунке 1.4 представлен вид на подключенные к резистору провода.
С учетом электрической схемы (рис. 1.1) и незначительной мощности потребления мною применен двужильный провод ШВВП 2x0,75 мм. Его длина от розетки до места монтажа кафельной пластины с резистором – 2,5 м. С учетом небольшой мощности конструкции падение напряжения в проводах незначительное.
Рисунок 1.4 представлен вниманию читателей не случайно. Для надежности конструкции и устранения опасности нарушения контакта при длительном нагреве соединительные провода предварительно не только облуживаются (опаиваются), но и скручиваются с выводами резистора R2.
1.1.1. О деталях
Потребуются: кафельная плитка (толщиной 5 мм), постоянный ограничительный резистор сопротивлением 100 Ом в качестве шунта для безопасной работы светодиодного индикатора, постоянный резистор сопротивлением 17–20 кОм и мощностью рассеяния 5 Вт – в качестве нагревательного элемента, соединительный провод ШВВП (или аналогичный), светодиод с током до 10 мА (подойдет практически любой) и клей Fix-it (или аналогичный). Участок кафеля на один описанный нагревательный элемент может быть – как в моем случае – 2x3 см; для этого его уместно вырезать с помощью специального инструмента – плиткореза.
Сопротивление резистора 18–20 кОм предполагает, и это подтверждается практикой (по закону Ома), что общая потребляемая мощность при включении устройства в осветительную сеть 220 В достигнет примерно 4 Вт. Соответственно, радиолюбитель не лишен возможности установить параллельно (в электрическую схему, рис. 1.1) несколько подобных резисторов. Мощность нагрева и мощность потребления при этом кратно увеличатся, площадь обогрева – тоже.
В качестве R1 применяю МЛТ-0,5, в качестве R2 МЛТ-2. Светодиод – любой с током 10–15 мА.
1.1.2. Практика применения устройства
Перспективы применения описанной разработки довольно широки и ограничиваются только творческой фантазией.
В моем хозяйстве локальный и безопасный нагрев применяется для подогрева подложки под аквариумом зимой (на площадку 0,5 кв. м. подключается 8-10 резисторов), поверхности рабочего стола, установленного на лоджии (зимой довольно прохладно, несмотря на застекление). Если к тыльной стороне кафеля установить мощные проволочные резисторы типа ПЭВР (или аналогичные) и усилить электропроводку, кафель может нагреваться от сети 220 В до температуры и 70, и 80 °C, причем за весьма короткое время. Но тогда заявленная в первых строках моего описания экономичность разработки перестанет быть таковой.
Еще одна идея применения разработки в том, что ее без каких-либо переделок уместно использовать в качестве… фумигатора. Если на нагретую кафельную плитку положить пластинку для фумигатора, то вся конструкция выполнит роль "отпугивателя" комаров (летом) из жилого помещения. Только в данном случае пластину фумигатора можно положить не одну и в любое место подогретого стола (любой поверхности), что делает предложение более удобным в использовании, чем, к примеру, штатный или промышленный электрофумигатор.
Впрочем, напомню, что варианты практического применения этой конструкции не ограничены и могут найти в умах радиолюбителей и более изысканный путь.
Но это еще не все.

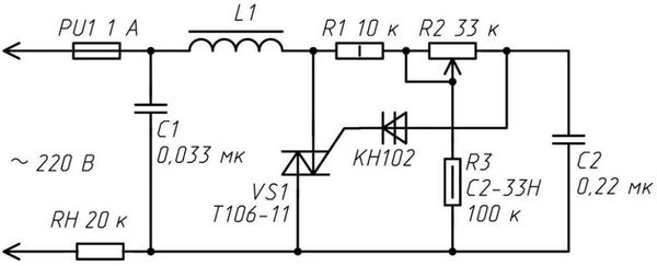
Рис. 1.5. Электрическая схема регулятора температуры нагрева
Теперь на двух разных примерах давайте посмотрим, как можно регулировать температуру нагрева резистора при подключении к сети 220 В и "безопасном" постоянном напряжении 12 В. В данном случае температура нагрева керамической пластины (плитки) прямо связана с падением напряжения на резисторе Rн (см. далее схемы на рис. 1.5 и 1.6).
1.1.3. Управление "керамическим" нагревом в осветительной сети 220 В
На рисунке 1.5 представлена электрическая схема устройства нагрева с управляющим элементом симистором.
При большом токе через нагревательный элемент (и прочие приборы с реактивным характером нагрузки) подобное устройство создаст радиопомехи как в радиоэфире, так и в электрической сети в пределах одного электрического контура (электросчетчика энергии). С другой стороны, предлагаемая на рисунке 5 схема, на мой взгляд, отличается своей простотой и эффективностью. В качестве управляющего элемента применен мощный симистор, который в открытом состоянии пропускает в нагрузку обе полуволны переменного напряжения. Дроссель L1 (45 витков трансформаторного провода ПЭЛ-0,8 на кольце 2000НН) и конденсатор С1 сглаживают пульсации напряжения в моменты неполного открытия симистора почти до нуля, что положительно сказывается на активной нагрузке. Что я имею в виду под этим словосочетанием?
Управление напряжением на симисторе осуществляется переменным резистором R2 (типа СПО-1) с линейной характеристикой изменения сопротивления (индекс В).