
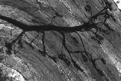
Двигательный нейрон и все иннервируемые им мышечные волокна образуют отдельную двигательную единицу.
Каждое мышечное волокно иннервируется лишь одним двигательным нейроном, в то время как каждый двигательный нейрон, в зависимости от функции мышц, иннервирует до нескольких тысяч мышечных волокон.


Двигательная единица (ДИ)
Рассмотрев общую структуру мышц можно перейти к изучению того, как они функционируют во время физической нагрузки. Любые действия, проявляемые человеком, будь то бег или поднятие тяжестей, во многом зависят от способности мышц производить энергию и силу.
Наши мышцы имеют два типа мышечных волокон - это быстросокращающиеся (БС) и медленносокращающиеся (МС). В чем же их различие? Если посмотреть на мышцу в разрезе под микроскопом, то можно увидеть красные (МС) и белые (БС) мышечные волокна. Соотношение содержания мышечных волокон в нашем организме неодинаково. Как правило, количество МС и БС-волокон в различных мышцах значительно колеблется. Исследования показывают, что у человека в мышцах рук и ног сходный состав волокон. Как правило, это люди, имеющие преобладание в мышцах ног МС-волокон, одинаково с мышцами рук. Например, камбаловидная мышца, находящаяся ниже икроножной, почти у всех людей состоит из МС-волокон. В повседневной жизни, при мышечной деятельности человек чаще всего использует МС-волокна и реже БС-волокна.

МС-волокна. Этим мышечным волокнам присущ высокий уровень аэробной нагрузки. Это означает, что при выполнении конкретных физических действий, для обеспечения энергии организма используется кислород. Способность поддерживать мышечную активность в течение длительного периода называется мышечной выносливостью, следовательно, МС-волокна обладают высокой аэробной выносливостью. И поэтому они более приспособлены к выполнению длительной работы невысокой интенсивности, например, марафонский бег, езда на велосипеде или спокойное плаванье на длительные дистанции.
БС мышечные волокна более приспособлены к анаэробной деятельности, т. е. обеспечение энергией без кислорода. И имеют относительно низкую аэробную выносливость. Двигательные единицы БС-волокон производят значительно больше силы и содержат больше мышечных волокон, чем у ДИ МС-волокон. Таким образом, БС мышечные волокна используются при выполнении кратковременной работы высокой интенсивности, не требующей проявления выносливости. Например, такие виды деятельности, как спринтерский бег на 100 метров или приседания со штангой в 1–5 повторениях, где требуется взрывная сила мышц.
Величина силы находится в прямой зависимости от количества активируемых мышечных волокон. Когда необходима небольшая сила, организм стимулирует лишь несколько мышечных волокон, а когда требуется значительное усилие, соответственно подключается большее количество волокон.
Но даже при максимальном усилии нервная система не вовлекает в работу 100 процентов имеющихся мышечных волокон. Несмотря на ваше желание произвести большую величину силы, активируется лишь их часть. Таким образом организм оберегает ваши мышцы и сухожилия от серьезных повреждений и травм. Если бы мышечные волокна могли бы сократиться в один момент, произведенная сила разорвала бы мышцы или сухожилия.
Вы, наверное, думаете, а как же узнать, какое соотношение типов мышечных волокон именно у вас. На этот счет могу сказать только одно, что без медицинского дорогостоящего анализа (биопсия), который предполагает извлечение крошечного кусочка ткани из брюшка мышцы, тут не обойтись.
Типы мышечных сокращений
Существует три основных типа сокращения: концентрический, эксцентрический и статический.
При сгибании руки в локтевом суставе двуглавая мышца плеча сокращается концентрически, укорачиваясь в длину. В то время как при эксцентрических сокращениях мышцы удлиняются и происходит разгибание руки. Поскольку в обоих случаях осуществляется движение сустава, то эти два типа сокращения считаются динамическими. Также они еще могут называться позитивными и негативными сокращениями.
Мышцы также могут производить силу, не меняя своей длины, такой тип сокращения называется статическим. Это происходит, например, когда вы удерживаете какой-то предмет, согнув руку в локтевом уставе. Такой тип сокращения не относится к динамическому режиму работы мышц, так как никакого движения в суставе не происходит.
Факторы, отвечающие за развитие силы одной мышцы
Бывает так, что атлет с недостаточно развитой внешне мускулатурой, может поднять тот же вес, что и атлет внушительных размеров. На первый взгляд такая разница кажется противоречивой. Ведь по логике вещей, чем мышца больше в объемах, тем она, соответственно, должна производить больше силы. Так почему же на нашем примере получается все по-другому. Чтобы понять это, нужно знать, от чего зависит производимая сила одной мышцы.
Рассмотрим ряд факторов, отвечающих за развитие силы одной мышцы:
1) длина мышцы;
2) место прикрепления сухожилия к кости (чем дальше от сустава будет прикреплено сухожилие к кости, тем, соответственно, будет больше произведена сила);
3) количество мышечных волокон, составляющих данную мышцу (больше волокон - больше силы);
4) композиции мышцы - соотношение в ней волокон различного типа: БС и МС (чем больше БС волокон, тем сильнее мышца);
5) количество активированных двигательных единиц (от того, сколько будет задействовано двигательных единиц в сокращении мышцы, зависит производимая ею сила);
6) тип активированных двигательных единиц (БС двигательные единицы производят больше силы, чем МС, поскольку БС двигательная единица содержит больше мышечных волокон, чем МС двигательная единица).
Безусловно, все выше перечисленные анатомические особенности влияют на производимое мышечное усилие. Но большинство из них невозможно определить на глаз.
Такие факторы, как размер мышцы, суставной угол, не тренируемые, они заданы генетически, и попытки как-то повлиять и улучшить эти особенности организма под воздействием физической нагрузки не принесут каких-либо положительных результатов. К большому сожалению, пока еще не изобрели упражнение, меняющего место прикрепление сухожилия к кости. Но вот по поводу длины мышцы в бодибилдинге бытует мнение, что некоторые упражнения влияют на изменения этого фактора. Примером может служить то, как многие атлеты прибегают к разнообразным изощренным методикам по раскачке рук и пытаются всячески из длинного бицепса сделать короткий и высокий, желая добиться его пика. Но ничего не выходит. Если вспомнить чуть ранее рассматриваемое строение мышцы, то можно прийти к логическому заключению, что мышечное волокно не способно менять свою, заданную генетически величину. Если бы это было возможным, то наверно все на Олимпии ходили бы с абсолютно одинаковыми бицепсами, как у Ронни Колемана. Однако Кевин Леврон не мог похвастаться пиком своей двуглавой мышцы плеча. Потому, что даже стероиды не способны изменить эти генетические особенности организма.
В то время, как количество мышечных волокон и их соотношение в мышце, а также количество активированных двигательных единиц, в отличие от предыдущих факторов, поддаются тренированности. Регулярные физические нагрузки высокой интенсивности стимулируют БС мышечные волокна увеличиваться в размерах (от чего зависит гипертрофия мышечного волокна в целом, мы рассмотрим чуть позже). Но существует исключение, когда мышечные волокна могут расщепляться на две половины (гиперплазия) и увеличиваться до размера родительского волокна. На этот счет есть ряд исследований, доказывающих такую способность адаптации мышц к нагрузке. Также мышечная сила зависит от синхронности вовлечения в работу большего количество двигательных единиц, и эта способность тренируется под воздействием физических упражнений. Увеличение мышечного усилия может происходить вследствие вовлечения дополнительных двигательных единиц, действующих синхронно, которые увеличивают способность мышцы производить силу. Предположим, атлет в начале своего тренировочного цикла выполняет упражнение жим штанги лежа с весом 100 кг в 3-х повторениях, а в конце цикла он уже способен взять вес в 105 кг. Получается, что сила атлета увеличилась, и это в целом благодаря тому, что его двигательные единицы стали активироваться более синхронно и вовлекать в работу больше мышечных волокон, сокращающихся одновременно, производя тем самым больше силы в конце цикла.