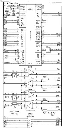
Еще одно внешнее устройство в качестве дополнения схемы приведено на рис. 3.5. Это дополнение схемы не является обязательным и может не распаиваться на основную плату. Но если появится необходимость оснащения рассмотренной выше схемы еще одним последовательным портом типа RS-422, это дополнение поможет в этом.

Рис. 3.5. Внешнее устройство в качестве дополнения схемы процессора
Как видно из рисунка, схема содержит интегрированную микросхему UART D12 с подключенными к ней резонатором BQ2 и вспомогательными конденсаторами C19, C20 для запуска внутреннего генератора. Программирование этой микросхемы производится через сигналы шины данных DD0–DD7. Выходные сигналы микросхемы UART подключены к приемопередатчикам - преобразователям уровней сигналов DA3 и DA4 для организации последовательного порта RS-422. Элементы D5.2 и D5.3 инвертируют выходные сигналы управления UART, обеспечивая отключение приемопередатчиков DA3 и DA4 в момент сброса самого UART или при включении.
Элемент D5.3 инвертирует выходной сигнал запроса прерывания от UART. Резисторы R17–R21 обеспечивают пассивное состояние сигналов при отключенной линии связи. Этот порт позволяет обмениваться информацией со 127 другими устройствами по аналогичному порту на расстоянии до 1200 метров. Все сигналы порта выведены на разъем XRS2.
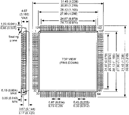
Вся схема может быть распаяна на небольшой макетной плате или на специально изготовленной плате с разработанной топологией электрических соединений. Для разработки топологии печатной платы необходимо создать файл посадочного места для компонента - процессора, который будет использоваться системой автоматического проектирования САПР. Чертеж корпуса процессора приведен на рис. 3.6.

Рис. 3.6. Корпус процессора
На нем даны все необходимые размеры в двух системах единиц измерения. В скобках приведены размеры в дюймах, а без скобок - в миллиметрах. Ввиду того, что процессор имеет большое количество выводов и мелкий шаг между ними, для изготовления электронных устройств с его применением может потребоваться разработка печатной платы. Однако некоторые умельцы используют другие хитрые приемы для установки таких компонентов на печатной плате. Одним из таких способов является наклейка фрагментов текстолита с контактными площадками по периметру установочного места компонента. После чего выводы компонента припаиваются к контактным площадкам этих фрагментов, и уже после этого тонкими проводниками осуществляется остальной монтаж всего устройства.
Естественно, контактные площадки фрагментов должны совпадать с шагом устанавливаемого компонента. Эти фрагменты можно вырезать, например, с неисправных компьютерных плат или подобрать из наборов, продающихся в специализированных магазинах по электронике.
В следующих главах говорится о внутренней программной модели процессора, а также о средствах и способах программирования сигнального процессора. А приведенная и описанная здесь схема поможет на практике начать освоение сигнальных процессоров.
Глава 4. Программно-логическая модель
В этой главе говорится о внутренней программно-логической модели процессора и его системе прерываний.
Прежде чем начать разрабатывать программы для сигнального процессора, необходимо познакомиться с его программно- логической моделью, системой команд и программными инструментами. Освоение данного материала потребует времени и терпения. Но без хорошего знания этих основ невозможно будет научиться программировать сигнальный процессор.
Итак, начнем с программно-логической модели процессора. Такая модель для ADSP-2181 приведена на рис. 4.1.


Рис. 4.1. Программно-логическая модель ADSP-2181
На ней представлены все регистры процессора с указанием их размерности и условными обозначениями. Несмотря на многочисленность этих регистров, все они систематически распределены по логическим блокам процессора, что позволяет понять их назначение без особого труда.
Главный блок регистров представлен на рисунке слева, в процессорном ядре. В первую очередь это блоки регистров программных генераторов адреса DAG1 и DAG2. Данные блоки регистров включают в себя индексные регистры I, регистры длины буфера L и регистры-модификаторы M.
Все перечисленные регистры имеют размерность 14 бит. Эти регистры позволяют организовывать в памяти процессора циклические и линейные буферы, с автоматическим инкрементом адреса слов в этих буферах и отслеживанием их длины. В каждом из блоков генераторов адресов присутствует по четыре группы таких регистров. Использование этих и других регистров будет рассмотрено позже на конкретных примерах.
Блок программного автомата содержит регистры, отвечающие за автоматические операции процессора. В их число входят:
• программный счетчик с 16-уровневым 14-разрядным стеком PC STACK, для организации вызова подпрограмм и обработки прерываний;
• счетчик циклов CNTR с 4-уровневым 14-разрядным стеком COUNT STACK, для организации вложенных программных циклов;
• псевдорегистр OWRCNTR, для обновления значения счетчика CNTR;
• цикловой компаратор LOOP STACK с 4-уровневым 18-разрядным стеком, для обеспечения выполнения программных циклов без тактов ожидания.
Назначение остальных регистров управления и состояния блока программного автомата процессора, приводится в табл. 4.1. Обращение к этим регистрам из программы производится по их логическим именам, совпадающим с именами, приведенными на рис. 4.1 и в табл. 4.1.
Таблица 4.1а Регистр состояния арифметико-логического устройства ASTAT
| Разряд | Исходное состояние | Назначение |
|---|---|---|
| 7 | 0 | Флаг знака ввода в устройство сдвига SHIFTER (SS) |
| 6 | 0 | Флаг переполнения в умножителе-накопителе MAC (MV) |
| 5 | 0 | Флаг частного АЛУ (AQ) |
| 4 | 0 | Флаг знака ввода порта X в АЛУ (AS) |
| 3 | 0 | Флаг переноса бита в АЛУ (АС) |
| 2 | 0 | Флаг переполнения АЛУ (AV) |
| 1 | 0 | Флаг отрицательного результата в АЛУ (AN) |
| 0 | 0 | Флаг нулевого значения в АЛУ (AZ) |
Таблица 4.1б Регистр состояния режима процессора MSTAT
| Разряд | Исходное состояние | Назначение |
|---|---|---|
| 6 | 0 | Разрешение режима GO |
| 5 | 0 | Разрешение работы таймера |
| 4 | 0 | Результаты умножителя: 0 - дробные, 1 - целые |
| 3 | 0 | Разрешение режима насыщения регистра AR АЛУ |
| 2 | 0 | Разрешение режима фиксации переполнения АЛУ |
| 1 | 0 | Разрешение бит-реверсивной адресации DAG1 |
| 0 | 0 | Выбор банка регистров данных: 0 - главный, 1 - теневой |
Таблица 4.1в Регистр разрешения прерываний IMASK (0 - запрещено, 1 - разрешено)
| Разряд | Исходное состояние | Назначение |
|---|---|---|
| 15…10 | 0 | Не используются |
| 9 | 0 | -IRQ2 |
| 8 | 0 | -IRQL1 |
| 7 | 0 | -IRQL0 |
| 6 | 0 | Передатчик SPORT0 |
| 5 | 0 | Приемник SPORT0 |
| 4 | 0 | -IRQE |
| 3 | 0 | BDMA |
| 2 | 0 | Передатчик SPORT1 или -IRQ1 |
| 1 | 0 | Приемник SPORT0 или -IRQ0 |
| 0 | 0 | Таймер |
Таблица 4.1г Регистр состояния стека SSTAT
| Разряд | Исходное состояние | Назначение |
|---|---|---|
| 7 | 0 | Стек циклов переполнен |
| 6 | 1 | Стек циклов пуст |
| 5 | 0 | Стек состояний переполнен |
| 4 | 1 | Стек состояний пуст |
| 3 | 0 | Стек счетчика переполнен |
| 2 | 1 | Стек счетчика пуст |
| 1 | 0 | Стек счетчика команд переполнен |
| 0 | 1 | Стек счетчика команд пуст |
Таблица 4.1д Регистр управления прерываниями ICNTL
| Разряд | Исходное состояние | Назначение |
|---|---|---|
| 4 | X | Вложенность прерываний: 0 - запрещена, 1 - разрешена |
| 3 | 0 | Не используется |
| 2 | X | Чувствительность -IRQ2: 0 - уровень, 1 - фронт |
| 1 | X | Чувствительность -IRQ1: 0 - уровень, 1 - фронт |
| 0 | X | Чувствительность -IRQ0: 0 - уровень, 1 - фронт |
Таблица 4.1е Регистр установки и сброса прерываний IFC (только запись)