
Рис. 0.4. Схема на переменном токе для анализа на PSpice
Откройте программу pspice.exe и выберите позиции меню File, New, Text File. Наберите следующий текст:
Series-parallel ас Circuit
Vs 1 0 ас 100V
R1 1 2 10
R2 2 3 10
L 3 0 100mH
С 2 0 10uF
.ас LIN 1 100Hz 100Hz
.PRINT ас I(Rl) IP(R1) V(2) VP(2)
.PRINT ac I(C) IP(C) I(R2) IP(R2)
.OPT nopage
.END
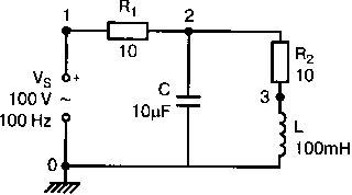
Из рис. 0.5 видно, что обозначения источников переменного постоянного напряжения различны. Индуктивность катушки составляет 100 мГн. Основная единица индуктивности (Гн) используется с префиксом, обозначающим одну тысячную часть. Команда .ac проводит анализ для ряда значений напряжения источника питания. Это линейное изменение (LIN), однако может быть применено изменение и на октаву, и на декаду. Изменения проводятся только для одного значения частоты, при желании результат может не распечатываться. Команда .ОРТ убирает лишние заголовки и разбиение на страницы. В некоторых задачах, приведенных в других книгах, эта команда не применяется, но при желании она всегда может быть включена в текст.

Рис. 0.5. Схема на переменном токе для анализа на PSpice
Результаты анализа на PSpice приведены в выходном файле (рис. 0.6). Малосигнальный анализ в этом случае (на переменном токе) не содержит фактически никакой информации. Эту часть файла лучше всего удалить перед выводом на печать.
**** 09/13/05 22:30:44 ********** Evaluation PSpice (Nov 1999) **********
Series-parallel ac Circuit
**** CIRCUIT DESCRIPTION
****************************************************
Vs 1 0 ac 100V
R1 1 2 10
R2 2 3 10
L 3 0 100mH
С 2 0 10uF
.ac LIN 1 100Hz 100Hz
.PRINT ас I(R1) IP(R1) V(2) VP(2)
.PRINT ac I(C) IP(C) I(R2) IP(R2)
.OPT nopage
.END
**** SMALL SIGNAL BIAS SOLUTION TEMPERATURE = 27.000 DEG С
NODE VOLTAGE NODE VOLTAGE NODE VOLTAGE NODE VOLTAGE
( 1) 0.0000 ( 2) 0.0000 ( 3) 0.0000
VOLTAGE SOURCE CURRENTS
NAME CURRENT
Vs 0.000E+00
TOTAL POWER DISSIPATION 0.00E+00 WATTS
**** AC ANALYSIS TEMPERATURE = 27.000 DEG С
FREQ I(R1) IP(R1) V(2) VP(2)
1.000E+02 9.295E-01 -6.988E+01 9.719E+01 5.152E+00
**** AC ANALYSIS TEMPERATURE = 27.000 DEG С
FREQ I(C) IP(C) I(R2) IP(R2)
1.000E+02 6.107E-01 9.515E+01 1.528E+00 -7.580E+01
JOB CONCLUDED
TOTAL JOB TIME .01
Рис. 0.6. Выходной файл для схемы на рис. 0.4
Запись I(C) отображает ток в ветви С, IP(C) - фазовый угол этого тока в градусах. I(R2) - амплитуда тока в ветви, содержащей резистор R2 и катушку L, IP(R2) - фазовый угол этого тока.
С помощью калькулятора проверьте равенство суммы этих токов току через резистор R1. В векторной форме она равна
IС + IR2 = (0,0548, 0,600823) + (0,32, -0,873)= 0,9298/-69,87°
Отметим, что строка записи для R1, имеет вид
R1 1 2 10
Узлы заданы в последовательности 1, 2. Это означает, что условное направление тока - от источника. При сложении токов, подходящих к узлу, их направление должно быть учтено и отражено на схеме.
Наибольший интерес представляет анализ, при котором частота сети варьирует между двумя граничными значениями. В нашем примере приблизительное значение частоты резонанса составляет f0=160 Гц. Входной файл изменяется следующим образом:
Series-parallel ас Circuit
Vs 1 0 ас 100V
R1 1 2 10
R2 2 3 10
L 3 0 100mH
С 2 0 10uF
.ас LIN 151 50Hz 200Hz
.probe
.END
Сохраните новую версию входного файла под именем acpre1.cir с помощью команд File, Save As… Нет необходимости закрывать и снова открывать файл, если к предыдущему имени добавлен символ 1.
Команда ас дает линейную вариацию для 151 значения по частоте в диапазоне от 50 до 200 Гц. Это означает, что вычисления производятся для каждого целого значения частоты в этом диапазоне. Команда .probe помещает результаты моделирования в файл данных программы Probe, которому в данном случае будет присвоено имя acpre1.dat.
Probe
Как было отмечено, нет необходимости закрывать и снова открывать файл acpre1.cir. Просто выберите Simulation, Run acpre1.cir. Когда моделирование закончится, на экране возникнет область, в которой может быть показан график. Это - окно программы Probe, включенной в состав PSpice. Ось X по умолчанию показана в пределах от 100 Гц до 1 кГц. Поскольку нас интересует только часть этой области, изменим границы, выбрав Plot, Axis Settings… В таблице оси X выберем User Defined и введем значения от 50 Hz до 200 Hz, затем выберем Linear Scale и нажмем OK. Чтобы получить график, называемый trace, выберем Trace, Add Trace, а в поле Trace Expressions: наберем
IP(R1)
При этом будет построен график фазы тока через R1 который является током источника. Измените размеры окна, если это необходимо, чтобы разглядеть детали графика.
Вы можете добавить к графику текст, выбрав Plot, Label, Text и набрав
Phase angle of circuit current
Затем нажмите OK и переместите текст в нужное место с помощью мыши. Дополните текст словами:
Relative to input voltage
Поместите эту строку непосредственно под первой. Затем выведите график на печать, выбрав File, Print и осуществив стандартные операции распечатки. Сравните полученный результат с приведенным на рис. 0.7.

Рис. 0.7. Графический выходной файл, полученный в программе Probe
Оставаясь пока в Probe, вызовите курсор, выбрав Trace, Cursor, Display. В нижнем правом углу экрана появится окно Probe Cursor со следующим текстом:
А1 = 50.000, 257.073
А2 = 50.000, 257.073
dif = 0.000, 0.000
А1 - значение начальной частоты (по оси X), IP - угол фазового сдвига. До тех пор пока курсор не сдвинут, значение А2 повторяет значение А1. С помощью мышки сдвиньте курсор в позицию, при которой фазовый сдвиг примерно равен 0, а затем с помощью левой и правой стрелок установите значение точно в 0. На дисплее курсора появятся значения
А1 = 158.355, 0.000
А2 = 50.000, -57.073
dif = 108.355, 57.073
Значение А1 покажет новую частоту 158,335 Гц и фазовый угол 0°. Значение dif (разность) очевидно. Отметим, что значение 0,000 для фазового сдвига представляет собой результат округления, реальное значение не равно нулю в точности. Поэтому если повторить моделирование, вы можете получить несколько иной результат. Вид экрана показан на рис. 0.8.