Размер диаметра
![]()
Команда DIMDIAMETER строит диаметр окружности или дуги. Команда вызывается из падающего меню Dimension → Diameter или щелчком на пиктограмме Diameter на панели инструментов Dimension.
Запросы команды DIMDIAMETER:
...
Select arc or circle: – выбрать дугу или круг
Dimension text = измеренное значение
Specify dimension line location or [Mtext/Text/Angle]: – указать положение размерной линии
При простановке размера диаметра текст по умолчанию начинается со знака ∅. Ключи команды позволяют изменять размерный текст и угол наклона размерного текста. Маркеры центра и осевые линии автоматически появляются в центре дуги или круга, если размер проставляется снаружи, и не наносятся, если размер проставляется внутри круга или дуги, а также в случае, когда маркеры центра отключены. Имеется возможность произвести принудительное размещение размерного текста и линии-выноски внутри круга или дуги.
Пример. Простановка диаметра
Проставьте два варианта диаметрального размера на окружность (рис. 11.21).

Рис. 11.21. Простановка диаметра
Запустите команду DIMDIAMETER, вызвав ее из падающего меню Dimension → Diameter или щелчком на пиктограмме Diameter на панели инструментов Dimension. Ответьте на запросы:
...
_DIMDIAMETER
Select arc or circle: – укажите точку 1, лежащую на окружности
Dimension text = 180
Specify dimension line location or [Mtext/Text/Angle]: – укажите местоположение размерной линии
Угловые размеры
![]()
Команда DIMANGULAR позвояет проставить угловой размер. Она вызывается из падающего меню Dimension → Angular или щелчком на пиктограмме Angular на панели инструментов Dimension.
Запросы команды DIMANGULAR:
...
Select arc, circle, line, or <specify vertex>: – выбрать дугу, круг, отрезок
Select second line: – если первое указание было отрезком, следует указать второй отрезок, непараллельный первому
Specify dimension arc line location or [Mtext/Text/Angle]: – указать положение размерной дуги
Dimension text = измеренное значение
Если в ответ на первый запрос нажата клавиша Enter, то угловой размер строится по трем точкам и команда DIMANGULAR выдает следующие запросы:
...
Specify angle vertex: – указать вершину угла
Specify first angle endpoint: – указать первую конечную точку угла
Specify second angle endpoint: – указать вторую конечную точку угла
Specify dimension arc line location or [Mtext/Text/Angle]: – указать положение размерной дуги
Dimension text = измеренное значение
При простановке углового размера текст по умолчанию завершается знаком градуса °. Ключи команды позволяют изменять размерный текст и угол его наклона.
Когда угол образован двумя непараллельными прямыми, размерная дуга стягивает угол между ними. Если в этом случае дуга не пересекается с обоими или с одним из образмериваемых отрезков, AutoCAD проводит одну или две выносные линии до пересечения с размерной дугой. Стягиваемый угол всегда меньше 180°.
Пример. Простановка углового размера
Проставьте два варианта углового размера (рис. 11.22).

Рис. 11.22. Простановка углового размера
Запустите команду DIMANGULAR, вызвав ее из падающего меню Dimension → Angular или щелчком на пиктограмме Angular на панели инструментов Dimension. Ответьте на запросы:
...
_DIMANGULAR
Select arc, circle, line, or <specify vertex>: – укажите точку 1
Select second line: – укажите точку 2
Specify dimension arc line location or [Mtext/Text/Angle]: – укажите местоположение размерной линии
Dimension text = 125
Быстрое нанесение размеров
![]()
Команда QDIM обеспечивает быстрое нанесение размеров. Она вызывается из падающего меню Dimension → Quick Dimension или щелчком на пиктограмме Quick Dimension на панели инструментов Dimension.
Запросы команды QDIM:
...
Select geometry to dimension: – выбрать объекты для нанесения размеров
Select geometry to dimension: – выбрать объекты для нанесения размеров
Select geometry to dimension: – нажать клавишу Enter для завершения выбора объектов
Specify dimension line position, or [Continuous/Staggered/Baseline/Ordinate/Radius/Diameter/datumPoint/Edit/SeTtings]<Continuous>: – указать положение размерной линии
Команда QDIM запрашивает лишь указание контуров, на которые необходимо проставить размеры, и требует выбрать тип проставляемых размеров путем установки соответствующего ключа.
Пример. Быстрое нанесение размеров
Проставьте размеры на деталь (рис. 11.23).

Рис. 11.23. Быстрое нанесение размеров
Запустите команду QDIM, вызвав ее из падающего меню Dimension → Quick Dimension или щелчком на пиктограмме Quick Dimension на панели инструментов Dimension. Ответьте на запросы:
...
_QDIM
Select geometry to dimension: – укажите точку 1
Select geometry to dimension: – укажите точку 2
Select geometry to dimension: – укажите точку 3
Select geometry to dimension: – нажмите клавишу Enter для завершения выбора объектов
Specify dimension line position, or [Continuous/Staggered/Baseline/Ordinate/Radius/Diameter/datumPoint/Edit/SeTtings]<Continuous>: – указать точку 4
Базовые размеры
Базовые размеры и размерные цепи представляют собой последовательность линейных размеров.
Базовые размеры – это последовательность размеров, отсчитываемых от одной базовой линии. У размерных цепей начало каждого размера совпадает с концом предыдущего. Перед построением базового размера или цепи на объекте должен быть проставлен хотя бы один линейный, ординатный или угловой размер.
![]()
Команда DIMBASELINE позволяет создавать базовые размеры. Вызывается она из падающего меню Dimension → Baseline или щелчком на пиктограмме Baseline на панели инструментов Dimension.
Запросы команды DIMBASELINE:
...
Specify a second extension line origin or [Undo/Select] <Select>: – указать начало второй выносной линии
Dimension text = измеренное значение
Specify a second extension line origin or [Undo/Select] <Select>: – указать начало следующей выносной линии
Dimension text = измеренное значение
Specify a second extension line origin or [Undo/Select] <Select>: – указать начало следующей выносной линии
Dimension text = измеренное значение
Specify a second extension line origin or [Undo/Select] <Select>: – нажать клавишу Enter для окончания простановки размеров
Select base dimension: – нажать клавишу Enter для завершения работы команды
Если предыдущий размер не был линейным или если в ответ на первый запрос была нажата клавиша Enter, то предлагается выбрать линейный размер, который будет использоваться в качестве базового. При этом выдается следующий запрос:
...
Select base dimension: – выберите исходный размер
Далее следуют стандартные запросы команды DIMBASELINE.
Расстояние между размерными линиями в базовых размерах задается системной переменной DIMDLI.
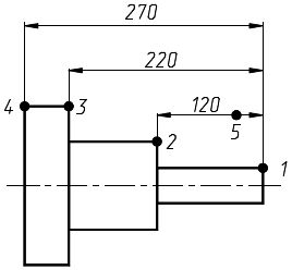
Пример. Простановка базовых размеров
Проставьте линейный размер, а затем от него – базовые (рис. 11.24).

Рис. 11.24. Простановка базовых размеров
Запустите команду DIMLINEAR, вызвав ее из падающего меню Dimension → Linear или щелчком на пиктограмме Linear на панели инструментов Dimension. Ответьте на запросы:
...
_DIMLINEAR
Specify first extension line origin or <select object>: – укажите точку 1
Specify second extension line origin: – укажите точку 2
Specify dimension line location or [Mtext/Text/Angle/Horizontal/Vertical/Rotated]: – укажите точку 5
Dimension text = 120
Запустите команду DIMBASELINE, вызвав ее из падающего меню Dimension → Baseline или щелчком на пиктограмме Baseline на панели инструментов Dimension. Ответьте на запросы: