Всего за 104.9 руб. Купить полную версию
![]()
Команда DIMBASELINE позволяет создавать базовые размеры. Вызывается она из падающего меню Dimension ► Baseline или щелчком на пиктограмме Baseline на панели инструментов Dimension.
Запросы команды DIMBASELINE:
Specify a second extension line origin or [Undo/Select] <Select>: – указать начало второй выносной линии
Dimension text = измеренное значение
Specify a second extension line origin or [Undo/Select] <Select>: – указать начало следующей выносной линии
Dimension text = измеренное значение
Specify a second extension line origin or [Undo/Select] <Select>: – указать начало следующей выносной линии
Dimension text = измеренное значение
Specify a second extension line origin or [Undo/Select] <Select>: – нажать клавишу Enter для окончания простановки размеров
Select base dimension: – нажать клавишу Enter для завершения работы команды
Если предыдущий размер не был линейным или если в ответ на первый запрос была нажата клавиша Enter, то предлагается выбрать линейный размер, который будет использоваться в качестве базового. При этом выдается следующий запрос:
Select base dimension: – выберите исходный размер
Далее следуют стандартные запросы команды DIMBASELINE.
Расстояние между размерными линиями в базовых размерах задается системной переменной DIMDLI.
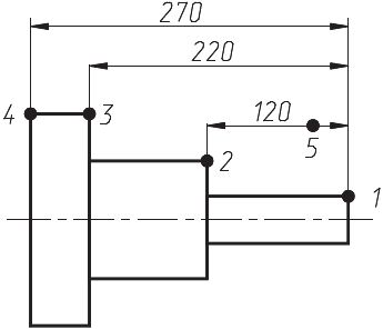
Пример. Простановка базовых размеров
Проставьте линейный размер, а затем от него – базовые (рис. 10.15).

Рис. 10.15. Простановка базовых размеров
Запустите команду DIMLINEAR, вызвав ее из меню Dimension ► Linear или щелчком на пиктограмме Linear на панели инструментов Dimension. Ответьте на запросы:
_DIMLINEAR
Specify first extension line origin or <select object>: – укажите точку 1
Specify second extension line origin: – укажите точку 2
Specify dimension line location or [Mtext/Text/Angle/Horizontal/Vertical/Rotated]: – укажите точку 5
Dimension text = 120
Запустите команду DIMBASELINE, вызвав ее из падающего меню Dimension ► Baseline или щелчком на пиктограмме Baseline на панели инструментов Dimension. Ответьте на запросы:
_DIMBASELINE
Specify a second extension line origin or [Undo/Select] <Select>: – укажите точку 3
Dimension text = 220
Specify a second extension line origin or [Undo/Select] <Select>: – укажите точку 4
Dimension text = 270
Specify a second extension line origin or [Undo/Select] <Select>: – нажмите клавишу Enter
Select base dimension: – нажмите клавишу Enter для завершения команды
Размерная цепь
![]()
Команда DIMCONTINUE позволяет создавать последовательную размерную цепь. Команда вызывается из падающего меню Dimension ► Continue или щелчком на пиктограмме Continue на панели инструментов Dimension.
Запросы команды DIMCONTINUE:
Specify a second extension line origin or [Undo/Select] <Select>: – указать начало второй выносной линии
Dimension text = измеренное значение
Specify a second extension line origin or [Undo/Select] <Select>: – указать начало следующей выносной линии
Dimension text = измеренное значение
Specify a second extension line origin or [Undo/Select] <Select>: – указать начало следующей выносной линии
Dimension text = измеренное значение
Specify a second extension line origin or [Undo/Select] <Select>: – указать начало следующей выносной линии или нажать клавишу Enter
Select continued dimension: – выбрать исходный размер или нажать клавишу Enter для завершения команды
Если предыдущий размер не был линейным или если в ответ на первый запрос была нажата клавиша Enter, то предлагается выбрать линейный размер, который будет использован для продолжения. При этом выдается следующий запрос:
Select continued dimension: – выбрать исходный размер
Далее следуют стандартные запросы команды DIMCONTINUE.
Пример. Простановка последовательной размерной цепи
Проставьте линейный размер, а затем от него – последовательную размерную цепь (рис. 10.16).

Рис. 10.16. Простановка последовательной размерной цепи
Запустите команду DIMLINEAR, вызвав ее из меню Dimension ► Linear или щелчком на пиктограмме Linear на панели инструментов Dimension. Ответьте на запросы:
_DIMLINEAR
Specify first extension line origin or <select object>: – укажите точку 1
Specify second extension line origin: – укажите точку 2
Specify dimension line location or [Mtext/Text/Angle/Horizontal/Vertical/Rotated]: – укажите точку 4
Dimension text = 100
Запустите команду DIMCONTINUE, вызвав ее из меню Dimension ► Continue или щелчком на пиктограмме Continue на панели инструментов Dimension. Ответьте на запросы:
_DIMCONTINUE
Specify a second extension line origin or [Undo/Select] <Select>: – укажите точку 3
Dimension text = 100
Specify a second extension line origin or [Undo/Select] <Select>: – нажмите клавишу Enter
Select continued dimension: – нажмите клавишу Enter для завершения работы команды
Выноски и пояснительные надписи
![]()
Команда MLEADER, предназначенная для построения выноски, вызывается из падающего меню Dimension ► Multileader.
Запросы команды QLEADER:
Specify leader arrowhead location or [leader Landing first/Content first/Options] <Options>: – указать первую точку выноски
Specify leader landing location: – указать следующую точку выноски, а затем ввести текст
Выноской называется линия, соединяющая на рисунке пояснительную надпись с объектом, к которому она относится.
Для связи пояснительной надписи и выноски применяется короткий отрезок, который называется полкой.
Пояснительные надписи могут представлять собой многострочные тексты, рамки допусков формы и расположения поверхностей.
Управление размерными стилями
Размерный стиль – это поименованная совокупность значений всех размерных переменных, определяющая внешний вид размера на рисунке: стиль стрелок, расположение текста и пр.
![]()
Команда DIMSTYLE обеспечивает работу с размерными стилями в диалоговом окне Dimension Style Manager – рис. 10.17. Команда вызывается из падающего меню Dimension ► Dimension Style... или щелчком на пиктограмме Dimension Style... на панели инструментов Dimension.

Рис. 10.17. Диалоговое окно управления размерными стилями
Диспетчер размерных стилей Dimension Style Manager позволяет выполнить множество различных задач:
□ Set Current – установить текущий стиль;
□ New... – создать новый размерный стиль;
□ Modify... – изменить имеющийся размерный стиль;
□ Override... – на время переопределить имеющийся размерный стиль;
□ Compare... – сравнить два размерных стиля или создать перечень всех свойств стиля;
□ воспользоваться предварительным просмотром размерных стилей рисунка и их свойств;
□ переименовать размерные стили;
□ удалить размерные стили.
Размерные стили задают внешний вид и формат размеров. Они позволяют обеспечить соблюдение стандартов и упрощают редактирование размеров. Размерный стиль определяет следующие характеристики: формат и положение размерных линий, линий-выносок, стрелок и маркеров центра; внешний вид, положение и поведение размерного текста; правила взаимного расположения текста и размерных линий; глобальный масштаб размера; формат и точность основных, альтернативных и угловых единиц; формат и точность значений допусков.
Для создания нового размерного стиля необходимо в Диспетчере размерных стилей Dimension Style Manager щелкнуть на кнопке New.... Откроется диалоговое окно Create New Dimension Style, где следует указать имя создаваемого размерного стиля.
После этого на экране появится диалоговое окно New Dimension Style (рис. 10.18).