Всего за 59.9 руб. Купить полную версию
В проекте должны быть представлены решения по выбору плавких предохранителей, автоматических выключателей, проводов и способу их прокладки, схемам внутренних электропроводок и наружных внутридворовых сетей, учету электроэнергии для расчетов с владельцем электросетей, а при необходимости – и по устройству заземления.
Ответвление от ВЛ и внутридворовые сети наносят на план участка, внутреннюю проводку – на планы строений. Кроме того, на планах указывают расположение щитков, ответвительных коробок, выключателей, счетчика, а также стационарно установленных светильников и других электроприемников.
Планы дополняют необходимыми пояснениями и электрическими схемами щитков. Проект можно не составлять, если намечается незначительный объем работы по электрификации, например только электропроводка для освещения в доме и бытовых электроприборов внутриквартирного применения. В этом случае достаточно выполнить подробную схему с указанием на ней марок проводов и способов их прокладки, а также номинальных токов предохранителей. Воспроизводить электрические схемы внутренних соединений использованных приборов и устройств, например электросчетчика или люминесцентного светильника, не надо.
Электрическая схема отличается от плана электропроводки тем, что на ней изображают электрические связи между электрооборудованием и элементами проводки, не учитывая их расположения в помещении или на местности, т. е. без соблюдения масштаба.
Прежде чем обращаться к владельцу электрических сетей за техническими условиями на электроснабжение, потребитель должен четко определить желаемую степень электрификации участка. От этого зависят объем предстоящих работ по монтажу, требуемое сечение проводов, тип счетчика, вариант щитка и номинальный ток предохранителей. Потребителю не разрешается увеличивать номинальный ток предохранителей по сравнению с указанным в проекте или схеме.
Личные подсобные хозяйства по степени электрификации можно условно разделить на три группы.
К первой относят хозяйства с малой степенью электрификации, когда электроэнергию используют преимущественно для освещения (электроприборы и электрифицированные машины вне помещений жилого дома не предусмотрены) и мощность применяемых электроприемников не превышает 1,3 кВт.
Ко второй – хозяйства, в которые используют либо бытовые электроприборы мощностью выше 1,3 кВт, либо однофазные электрифицированные машины или электроинструмент вне помещений жилого дома.
К третьей – хозяйства, в которых применяют трехфазные электроприемники.
В первом случае подают заявку на однофазное ответвление со счетчиком на 5 А, во втором – на однофазное ответвление, но при этом предусматривают защитное зануление и номинальный ток счетчика (5 или 10 А) принимают в зависимости от мощности используемых электроприемников, в третьем – трехфазное ответвление с нулевыми рабочим и защитным проводами.
Вводное устройство
Вводное устройство обеспечивает автоматическое отключение всей электропроводки потребителя при ее неисправности, а также позволяет отключить проводку во время ремонта или на период длительного бездействия.
В современных многоквартирных домах вводное устройство располагают в общих тамбурах или на лестничных клетках, в одно– и двухэтажных зданиях – обычно снаружи на стене.
Вводным устройством может служить плавкий предохранитель или какой-либо иной защитный аппарат, например автоматический выключатель. Для одноквартирного дома номинальный ток защитного аппарата не более 25 А. На вводах в многоквартирный дом или в тех случаях, когда применяют однофазные электроприемники мощностью свыше 1,3 кВт, может потребоваться аппарат на ток силой более 25 А.
При применении плавкого предохранителя к нему добавляют коммутационный аппарат, например пакетный выключатель или рубильник (при автоматическом выключателе дополнительный коммутационный аппарат не требуется).
Предохранители, а также однополюсные защитные автоматы монтируют только в фазных проводах. Установка этих аппаратов на нулевом проводе не допускается. Линию нулевого провода можно разрывать только при одновременном разрыве линий фазных проводов. При однофазном ответвлении это обеспечивается двухполюсными коммутационными или защитными аппаратами. Можно применить и трехполюсный аппарат, но при однофазном (двухпроводном) вводе один из полюсов не используют.
Токоведущие части вводного устройства должны быть защищены от попадания дождя или снега недоступны для случайного прикосновения, поэтому желательно выбирать аппараты, соответствующие по защите и условиям эксплуатации, либо монтировать вводное устройство в металлическом или пластмассовом корпусе. Аппараты вводного устройства, установленные на наружной стене дома, защищают жестяным, пластмассовым или деревянным кожухом. Расстояние от токоведущих неизолированных частей до стенок защитного кожуха должно быть не менее 10 мм.
Бытует мнение, что установка предохранителей в линии не только фазного, но и нулевого проводов повышает надежность защиты. В действительности обрыв электрической цепи, связанной с нулевым проводом, в том числе и при перегорании предохранителя в его цепи, может привести к опасным для жизни последствиям.
Одно из средств обеспечения безопасности при нарушении изоляции – зануление, т. е. соединение металлических нетоковедущих частей электрооборудования с заземленным нулевым проводом. Если же в цепи нулевого провода находится предохранитель или автомат, то он может сработать и отключить нулевой провод, что равносильно отключению зануления, обеспечивающего защиту человека от поражения электрическим током.
Не разрешается устанавливать однополюсные защитные или коммутационные аппараты в цепи нулевого провода.
При монтаже электропроводки следует тщательно выполнять все соединения по схеме.
Вводное устройство со стороны ответвления от ВЛ подключают изолированными проводами сечением 4 или 6 мм (для медных допускается сечение 2,5 мм). Изолированные провода к проводам ответвления у изоляторов на стене здания присоединяют специалисты владельца сетей, а к вводному устройству – потребитель. Если ответвление выполнено тросовым проводом или кабелем, токоведущие жилы к вводному устройству также подключают специалисты владельца сетей. Со стороны ввода в здание потребитель должен сделать проводку между вводным устройством и электросчетчиком.
При монтаже любого трех– или однофазного вводного устройства без коммутационного аппарата нулевой провод ответвления при помощи отдельного контактного зажима соединяют с соответствующим проводом, идущим к счетчику. Соединение скруткой допускается, если провода сваривают или паяют, но в условиях индивидуального строительства эту работу с алюминиевыми проводами выполнить трудно. Поэтому для соединения используют контактный зажим от какого-нибудь электрического аппарата, например одногнездовой зажим к проводам сечением до 4 мм, применяемый в светильниках, или зажим из ответвительной коробки. Диаметр контактных винтов должен быть 4-6 мм. Если соединяемые провода из разных металлов, каждый крепят отдельным винтом.
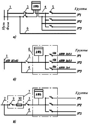
Групповую сеть, чаще используемую в приусадебных постройках, выполняют однофазной и монтируют, как правило, тремя группами. Группа № 1 предназначается для питания осветительных приборов. Группа № 2 служит для присоединения штепсельных розеток на 6 А без защитных (зануляющих или заземляющих) контактов. Группа № 3 питает электроприемники, требующие занулений корпуса прибора (например, кухонная плита). К данной группе присоединяют штепсельные розетки с защитным контактом.
Допускается смешанное питание штепсельных розеток и освещения.
Нельзя объединять нулевые проводники разных групп. В провод, который служит для присоединения защитных контактов штепсельных розеток, нельзя вводить ни выключатели, ни предохранители.

Рис. 3. Схема питания групповой сети:
а – многолинейная; б – однолинейная с воздушным вводом; в – однолинейная в варианте с кабельным вводом; 1 – воздушная линия; 2 – кабельная линия (выполняется по проекту наружных сетей); 3 – двухполюсный пакетный выключатель; 4 – счетчик; 5 – выключатель автоматический; 6 – провод для зануления; 7 – вводной ящик; 8 – квартирный щиток; 9 – рубильник; 10 – предохранители
Номинальные токи расцепителей автоматических выключателей должны составлять:
16 А – для групповой и осветительной сети и сети штепсельных розеток на ток 6?10 А в домах без бытовых кондиционеров воздуха;
25 А – для сети штепсельных розеток в домах с бытовыми кондиционерами воздуха мощностью до 1,3 кВт, а также для групповой линии питания бытовых электрических приборов мощностью до 4 кВт;
25-32 А – для групповой линии питания электрической плиты мощностью до 5,8 кВт;
40 А – для групповой линии питания электрической плиты мощностью 5,9?8 кВт.