Всего за 59.9 руб. Купить полную версию

Рис. 13.Крюки для подвески светильников:
а– типов У623 и У628; б – типов У625 и У629; в – к деревянному перекрытию; г – проволочный
Металлические крюки изолируют, надевая на них поливинилхлоридную трубку. Крюки, вкручиваемые в деревянные перекрытия, изолировать не надо.
Крюк КН-16 (из стали) применяют при устройстве вводов в здание. На штыревом конце крюка имеется девять выступающих ершей или насечек высотой 0,7?1,2 мм, равномерно расположенных по окружности в три ряда и обращенных остриями вниз. При монтаже крюки вворачивают в опору всей нарезной частью плюс 10?15 мм. Отверстия выполняют на глубину 0,75 длины нарезной части.
Изолятор ТФ-16 (телефонный фарфоровый) устанавливают на штырь крюка при помощи полиэтиленового колпачка. При отсутствии колпачков изолятор наворачивают на штыревую часть крюка, на которую по ходу резьбы наматывают ровным слоем паклю. Изолятор наворачивают до конца, а затем отворачивают на пол-оборота для предотвращения раскола изолятора при воздействии ветровых нагрузок.
Фарфоровые втулки разных типоразмеров (ВТК-9, ВТК-11, ВТК-13, ВТК-16, ВТК-18, ВТК-20, ВТК-23, ВТК-30) предназначены для оконцевания изоляционных трубок при выходе из стен и перекрытий, а также для защиты проводов и кабелей от повреждений. Цифры, следующие за буквами в обозначении втулок, указывают внутренний диаметр втулки в мм.
Воронки В-2, В-6, В-10, В-16, В-25, В-35 служат для выполнения вводов с наружной стороны проходов в сырые и особо сырые помещения, а также используются при обходе препятствий открытыми проводами и для вывода проводов наружу при скрытой прокладке. В деревянных стенах втулки и воронки плотно вставляют в отверстия, проделанные буравом.
Кабельные концевые наконечники (рис. 14) предназначены для оконцевания медных многопроволочных жил сечением 1–2,5 мм.

Рис. 14.Наконечник кабельный кольцевой
На жилах концевые наконечники закрепляются обжатием. Изоляционная лента предназначена для изолирования токопроводящих частей. Чаще всего применяют прорезиненную одностороннюю ленту шириной 10, 15 или 20 мм. Основой изоляционной ленты является пропитанная клейким составом хлопчатобумажная ткань.
К электромонтажным изделиям относятся также ответвительные коробки, силовые ящики, квартирные щитки.
Ответвительные коробки (рис. 15) предназначены для ответвления, протяжки и соединения проводов при открытой и скрытой прокладке и представляют собой металлические или пластмассовые корпуса, закрытые или металлическими пластмассовыми крышками. Некоторые коробки имеют утонения, выламываемые на монтаже для ввода проводов, или надрубы.
Для скрытой проводки, выполняемой проводами АППВ и аналогичными, применяют коробки типов У197, У198, У419, У191. Для открытых проводок, выполняемых плоскими проводами и проводом АПРФ, используют коробки У191, У194, У419, а для проводок, выполненных кабелями АВВГ, АНРГ, – коробки КОР-73.

Рис. 15.Ответвительная коробка:
Коробки и закладные кольца для установки выключателей, переключателей и штепсельных розеток при скрытой электропроводке представляют собой металлический или пластмассовый корпус. Закладные кольца замоноличивают в стеновые панели на домостроительных комбинатах, но их можно устанавливать и при монтаже.
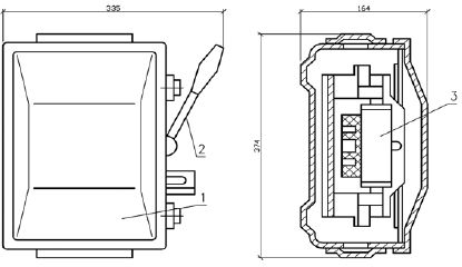
Силовые ящики (рис. 16) служат вводными устройствами для защиты электроприемников и распределения электрической энергии, а также для оперативных отключений.

Рис. 16.Силовой ящик:
1 – корпус; 2 – рубильник; 3 – предохранители
В строительстве часто применяют ящики ЯВП2-60 и ЯРВМ-6122. Можно применять и другие ящики аналогичной конструкции, например типа ЯРП11-302 или ЯБПВУ-1м.
Выпускаются ящики для эксплуатации при температуре воздуха от -40 до +45 °C или от -10 до +40 °C.
Ящики монтируют на стене с наружной стороны дома в вертикальном положении, рукоятка рубильника располагается обычно справа. Допускается отклонение ящика от рабочего положения до 5° в любую сторону.
Обычно конструкция ящиков обеспечивает блокировку рубильника с крышкой таким образом, что при включенном рубильнике крышку невозможно открыть, а при открытой крышке рубильник невозможно включить без нарушения блокировки. Ящики допускают ввод и присоединение сверху или снизу бронированных и небронированных кабелей и проводов в трубах с алюминиевыми или медными жилами с резиновой или пластмассовой изоляцией с сечением жил до 50 мм на фазу при номинальном токе 100 А.
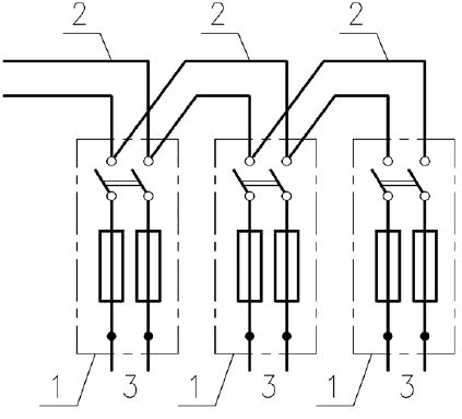
При присоединении построек к электрической сети в цепочку (рис. 17) ящик соединяют следующим образом: к вводным зажимам рубильника присоединяют по два провода. Сечение проводника, присоединяемого от первого ящика к последующему, составляет не более половины сечения проводника, присоединенного к первому ящику со стороны сети.

Рис. 17. Схема присоединения приусадебных построек в цепочку:
1– распределительный ящик; 2 – кабель; 3 – провода к квартирному щитку
У некоторых конструкций ящиков предусмотрено запирание рукоятки рубильника в положении "отключено" висячим замком.
В домах частной постройки и в квартирах используются так называемые квартирные щитки.
Квартирные щитки предназначены для распределения и учета электрической энергии, а также для защиты отходящих линий при перегрузках и коротких замыканиях.
Щитки эксплуатируются при температуре окружающего воздуха от +1 до +40 °C, относительной влажности воздуха до 80 % при температуре 25 °C и при более низких температурах без конденсации влаги в окружающей среде, не содержащей газов, жидкостей и пыли в концентрациях, нарушающих работу щитков. Рабочее положение щитка – вертикальное, с отклонением не более 1°.
На щитках устанавливают автоматические выключатели переднего присоединения типов АЕ 1000, АБ-25, ВАН с номинальным током расцепителей 16 и 25 А или однополюсные резьбовые предохранители, пакетный выключатель, используемый в качестве вводного аппарата, и счетчик.
Некоторые щитки изготовляют с нулевой шиной, имеющей зажимы для присоединения медных или алюминиевых жил сечением, равным сечению фазных проводов. Однополюсные плавкие резьбовые предохранители состоят из основания с крышкой, крепежных деталей и плавких вставок.
Сменные плавкие вставки заводского изготовления представляют собой заполненные песком фарфоровые или стеклянные трубки, на концы которых надеты металлические колпачки, соединенные между собой плавким мостиком (калиброванной проволокой).
Номинальные токи плавких вставок исполнения I – 6 и 10 А; исполнения II – 6, 10, 16, 20, 25, 40 и 60 А.
При прохождении через плавкие вставки тока, превышающего в 1,6–2 раза номинальный (в зависимости от исполнения), они плавятся в течение 1 ч, при прохождении токов КЗ срабатывают сразу же и прерывают электрическую цепь.
При перегорании плавкой вставки ее следует заменить. Для этого плавкие вставки устанавливают в головку предохранителя (рис. 18). Головки исполнения II имеют индикаторы срабатывания.
На фарфоровом основании предохранителя закреплена контактная пластина, один конец которой размещен в контрольной фарфоровой гильзе с отверстием в центре. Диаметр отверстия выполняют таким, что в него входит плавкая вставка только определенного диаметра (диаметр вставки определяется ее номинальным током): чем он больше, тем больше номинальный ток. В предохранителях на 6 А диаметр отверстия равен 7 мм, и в него можно установить плавкую вставку диаметром 6 мм. Установить в такой предохранитель плавкую вставку на номинальный ток 10 А, диаметр которой 8 мм, не удастся, так как при этом замкнуть электрическая цепь не позволит конструктивное исполнение контрольной гильзы, которое предотвращает возможные ошибки при эксплуатации и монтаже.
Контрольные гильзы в предохранителях на номинальный ток 20 и 60 А не устанавливают. Контрольные гильзы и индикаторы срабатывания окрашивают в зависимости от номинального тока плавкой вставки. Так, для 10 А гильза синяя, для 15 и 40 А – зеленая и для 6 и 25 А не окрашивается.