N730 Компьютерра - Компьютерра PDA N114 стр 3.

Шрифт
Фон

1952 год. Единственный триггер

Начальник, под руководством которого трудился Бланкенбейкер, был помешан на оптимизации. Любимая присказка босса гласила о том, что каждый триггер, который инженер добавляет в схему табулятора, увеличивает его стоимость на пятьсот долларов.

Может, эта начальственная присказка, а может, просто неуёмный изобретательский пыл Бланкенбейкера приводит его к мысли о том, что идеальный компьютер может состоять всего из одного триггера. При условии, что он будет оборудован хранилищем данных, или, попросту, памятью. Свою идею молодой инженер описывает в статье "Логически программируемые компьютеры" и публикует в специализированном журнале Института радиоинженеров (Institute of Radio Engeneers) - прародителя знаменитого института IEEE (Institute of Electrical and Electronics Engineers), занимающегося ныне вопросами стандартизации в области электроники и электротехники.

Сам Бланкенбейкер вспоминает об этом времени так: "С идеей одного триггера и вдолбленной в меня мыслью моего босса об удорожании устройства на пятьсот долларов, при добавлении в него одного логического элемента,

я размышлял о компьютере, который бы стоил не дороже пятисот долларов. Это стало моей навязчивой идеей".

1970 год. Рождение Kenbak-1

Травлением дорожек материнской платы для Kenbak-1 Бланкенбейкер занимался лично

Изобретатель не ставит перед собой грандиозных задач. Основными критериями, которыми он руководствуется при проектировании своего компьютера, являются низкая цена и простота освоения, позволяющая осилить мудрёную науку программирования любому желающему. Он прекрасно осознавал, что его детище никогда не сможет состязаться в скорости работы с настоящими мейнфреймами. Но этого и не нужно. Главное, чтобы принципы их работы совпадали. В этом смысле в основу своего компьютера Бланкенбейкер положил идею вычислителя фон Неймана с хранимой в памяти программой.

Стремясь к максимальной экономии, изобретатель лишает свой компьютер дорогостоящих устройств ввода-вывода. Ввод данных он реализует на переключателях, а в качестве устройства вывода использует линейку лампочек. Основной модуль вычислителя был сделан на транзисторно-транзисторной логике (TTL), представленной тогдашней новинкой - мелкомасштабными интегральными схемами. Фактически Бланкенбейкеру удалось реализовать TTL-вариант центрального процессора. На календаре был 1970 год, и до появления первого микропроцессора Intel 4004 оставался целый год. Кстати говоря, примерно в это же время на базе TTL свой игровой вычислитель создает другой талантливый изобретатель - Ральф Баер.

Аналог микропроцессора в Kenbak-1 был реализован на 132 элементах TTL

В 1971 году печатная плата для компьютера Бланкенбейкера была готова. Суммарная стоимость всех компонентов не превышала ста пятидесяти долларов - беспрецедентно мало, учитывая, что самый доступный компьютер в то время стоил несколько тысяч.

Технические характеристики гаражной ЭВМ были более чем скромными. TTL-эквивалент процессора обеспечивал скорость вычислений, соответствующую работе микропроцессора с тактовой частотой один мегагерц, а оперативная память составляла всего 256 байт и была реализована на двух регистрах сдвига, хранящих по 1024 бита каждый. Всего на материнской плате размещалось 132 TTL-элемента, для работы которых использовалось питание пять и двенадцать вольт. Чтобы регистры сдвига - самый горячий элемент компьютера - не перегревались, напротив них был установлен небольшой вентилятор.

Процессорный модуль компьютера был представлен тремя регистрами, два из которых, A и B, были главными регистрами арифметико-логического устройства, реализующими команды Load, Store, Add, Substract, And, Or, Shift и Rotate. Ещё один регистр Х использовался АЛУ при работе с индексной моделью памяти. В качестве счётчика команд использовался регистр P, а ещё два регистра.

Адреса памяти, по которым можно было обратиться к основным регистрам Kenbak-1

Процессорный модуль работал с восьмеричной системой счисления.

Формат инструкции, обрабатываемой процессорным модулем, был предельно прост. В двухбайтовой конструкции первый байт содержал команду, а во втором могла размещаться константа, адрес памяти или указатель на адрес.

При этом логика компьютера реализовывала несколько моделей адресации: непосредственную, косвенную, индексную и косвенно-индексную.

Разработанный набор инструкций был исчерпывающим для реализации полноценного языка ассемблера, специализированного под придуманный Бланкенбейкером процессорный модуль. В активе были инструкции проверки состояния регистров и логических условий, перехода, управления переключением битов в любой ячейке памяти, сдвига на несколько двоичных разрядов.

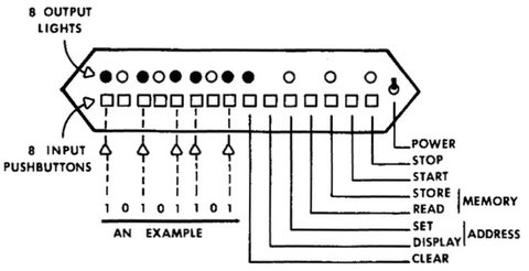
Для ввода данных в восьмеричном формате, а также очистки памяти, записи и сохранения в ней введённого числа, запуска и остановки программы пользователь применял набор переключателей. Результаты каждого шага промежуточных вычислений, а также конечный результат работы программы отображался с помощью лампочек.

Свою конструкцию Бланкенбейкер поместил в корпус "Grand Prix", который был отобран из нескольких предварительно закупленных вариантов. Он идеально подошёл для размещения в нём материнской платы и блоков питания. Передняя и задняя панели компьютера были самодельными.

Ваша оценка очень важна

0
Шрифт
Фон

Помогите Вашим друзьям узнать о библиотеке