Евгений Кочунов - Контактная точечная сварка. Сущность. Основные данные. Учебное пособие стр 3.

Книгу можно купить на ЛитРес.
Всего за 400 руб. Купить полную версию
Шрифт
Фон

Кроме этого основного преимущества, конденсаторная сварка имеет и другие. При ней происходит постоянное контролируемое расходование энергии (той, которая накопилась в конденсаторе) на одно сварное соединение, что обеспечивает стабильность результата.

Сварка происходит за очень короткое время (сотые и даже тысячные доли секунды). Это дает концентрированное выделение тепла и минимизирует зону термического влияния. Последнее достоинство позволяет использовать её для сварки металлов с высокой электро- и теплопроводностью (медных и алюминиевых сплавов, серебра и др.), а также материалов с резко различающимися теплофизическими свойствами.


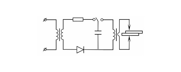
Схема аппарата для конденсаторной сварки



Жесткая конденсаторная микросварка используется в радиоэлектронной промышленности.

Количество энергии, накопленное в конденсаторах, можно рассчитать по формуле:

W = CU

2

/2

где С  емкость конденсатора, Ф

W  энергия, В,

U  зарядное напряжение, В.

Изменяя величину сопротивления в зарядной цепи, регулируют время зарядки, зарядный ток и потребляемую из сети мощность.


Дефекты контактной точечной сварки


При качественном исполнении, точечная сварка обладает высокой прочностью и способна обеспечить эксплуатацию изделия в течение длительного срока службы. При разрушениях конструкций, соединенных многоточечной многорядной точечной сваркой, разрушение происходит, как правило, по основному металлу, а не по сварным точкам.



Разрушение соединения по основному металлу

Качество сварки зависит от опыта и квалификации оператора-сварщика, который сводится в основном к выдерживанию необходимой продолжительности токового импульса на основании визуального наблюдения (по цвету) за сварной точкой.

Правильно выполненная сварная точка расположена по центру стыка, имеет оптимальный размер литого ядра, не содержит пор и включений, не имеет наружных и внутренних выплесков и трещин, не создает больших концентраций напряжения.

При приложении усилия на разрыв, разрушение конструкции происходит не по литому ядру, а по основному металлу.

Дефекты точечной сварки подразделяются на три типа:

 отклонения размеров литой зоны от оптимальных, смещение ядра относительно стыка деталей или положения электродов;

 нарушение сплошности металла в зоне соединения;

 изменение свойств (механических, антикоррозионных и др.) металла сварной точки или прилегающих к ней областей.

Наиболее опасным дефектом считается отсутствие литой зоны (непровар в виде «склейки»), при котором изделие может выдерживать нагрузку при невысокой статической нагрузке, но разрушается при действии переменной нагрузки и колебаниях температуры.

Прочность соединения оказывается сниженной и при больших вмятинах от электродов, разрывах и трещинах кромки нахлестки, выплеске металла. В результате выхода литой зоны на поверхность, снижаются антикоррозионные свойства изделий (если они были).

Непровар полный или частичный, недостаточные размеры литого ядра. Возможные причины: мал сварочный ток, слишком велико усилие сжатия, изношена рабочая поверхность электродов. Недостаточность сварочного тока может вызываться не только его малым значением во вторичном контуре машины, но и касанием электрода вертикальных стенок профиля или слишком близким расстоянием между сварными точками, приводящим к большому шунтирующему току.

Дефект обнаруживается внешним осмотром, приподниманием кромки деталей пробойником, ультразвуковыми и радиационными приборами для контроля качества сварки.

Ваша оценка очень важна

0

Дальше читают

Шрифт
Фон

Помогите Вашим друзьям узнать о библиотеке

Скачать книгу

Если нет возможности читать онлайн, скачайте книгу файлом для электронной книжки и читайте офлайн.

fb2.zip txt txt.zip rtf.zip a4.pdf a6.pdf mobi.prc epub ios.epub fb3

Популярные книги автора