Aliyev Ibratjon Xatamovich - All sciences. №1, 2023. International Scientific Journal стр 9.

Книгу можно купить на ЛитРес.
Всего за 5.99 руб. Купить полную версию
Шрифт
Фон

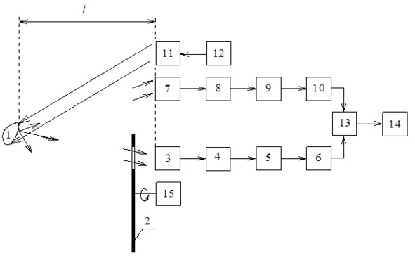
Fig.1. Block diagram of an optoelectronic device.


Fig.2. The design of the modulator.


Fig.3. Time diagrams of an optoelectronic device.


Fig.4. Sensor design.


Taking into account the Stefan-Boltzmann law that Mλ1mcht=σT4, expression (4) will take the form:



where: T is the temperature of the controlled object; σ=5.6697*10-8 W*m-2*K-4 is the Stefan-Boltzmann constant.

In addition, the sensitive area of the first radiation receiver 3 is affected by the heat flux of radiation from the modulator 2, which can be described by the ratio



where: ελ1mm0 is the spectral coefficient of thermal radiation of the modulator at wavelengths λ1m; Tmo is the temperature of the modulator; Amo is the area of the radiated surface of the modulator; lmo is the distance between the modulator and the first radiation receiver.

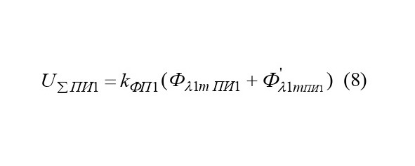
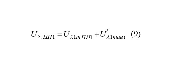
Therefore, the total flux acting on the sensitive area of the first radiation receiver has the form.



Then the output voltage of the first radiation receiver is defined as:



or



where: is the transmission coefficient of the first radiation receiver.

The voltage corresponding to expression (9) from the output of the second radiation receiver 3 is amplified by the first amplifier 4, as a result of which an alternating electrical signal is formed at its output (see Fig. 3.c) the amplitude of which is defined as:



where ky1 is the transmission coefficient of the first amplifier 4.

Since due to the use of a disk modulator with symmetrical modulating holes, the thermal radiation of the modulator itself, which affects the sensitive area of the first radiation receiver during the modulation period remains constant (see Figure 3a), i.e.



Therefore, the constant component of the total signal of the first radiation receiver 3 does not pass through the AC amplifier 4. That is, the amplitude of the variable component of the amplified signal is proportional only to the amplitude of the flux Fλ1mPI1.

The variable component of the amplified signal is detected by the first amplitude detector 5. The detected signal (see Figure 3.d) from the output of the first amplitude detector 5 is integrated by the first integrator 6 and fed to the first input of the signal ratio device 13.

In this case, the voltage supplied to the first input of the signal ratio receiving device 13, taking into account the above, can be described by the expression:



where k1=kPI1kU1kAD1kINT1 is the total transmission coefficient of blocks connected in series with the first radiation receiver 3, the first amplifier 4, the first amplitude detector 5 and the first integrator 6; kAD1 is the transmission coefficient of the first amplitude detector; kINT1 is the transmission coefficient of the first integrator.

When the output signal of the first amplifier 4 is exposed to the input of the control device of the collimated radiation source 12, an antiphase electrical signal is formed at its output. The latter is fed to the input of the collimated radiation source 11 and causes a pulsed flow of collimated radiation at its output.

The formed flow, by the source of collimated radiation 11, is induced to the area of the controlled object 1. In this case, the flow reaching the surface of the controlled object 1 in the case Ako Aki is defined as:



where Aki is the cross  sectional area of collimated radiation; τλ2mc is the transmittance of the atmosphere at wavelengths λ2m; Foλ2 is the initial flux of collimated radiation. In this case, the reflected flow from the surface of the controlled object 1 is defined as:



where uco is the reflection coefficient of the surface of the controlled object at wavelengths λ2.

In this case, the expression for the reflected modulated flux from the surface of the controlled object and reaching the sensitive area of the second radiation receiver 7 has the form:



where: DPI2 is the diameter of the entrance pupil of the second radiation receiver.

In addition, in the case of a partial coincidence of the radiation spectrum of the controlled object with the spectral sensitivity of the second radiation receiver 7, an unmodulated radiation flux from the controlled object at a wavelength of λ2m affects the sensitive area of the latter.



where: ελ2m is the spectral coefficient of thermal radiation of the controlled object at wavelengths λ2m;

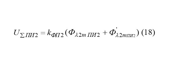
Then the total radiation flux acting on the sensitive area of the second radiation receiver 7 has the form.



Therefore, the output voltage of the second radiation receiver is defined as:



or



where cFP2 is the transmission coefficient of the second radiation receiver.

The voltage corresponding to expression (18) from the output of the second radiation receiver 7 is amplified by the second amplifier 8, as a result of which an alternating electrical signal is formed at its output (see Fig.3. d) the amplitude of which is defined as:



where ky2 is the transmission coefficient of the second amplifier 8.

Since during the period the repetition of the modulation Uλ2mPI2 can be considered constant, i.e. (see Fig. 3.b)



Therefore, the constant component of the total signal of the second radiation receiver 7 does not pass through the AC amplifier 8. That is, the amplitude of the alternating component of the amplified signal is proportional only to the amplitude of the flux Fλ2mPI2.

The variable component of the amplified signal is detected by the second amplitude detector 9. The detected signal (see Figure 3. e) from the output of the second amplitude detector 9 is integrated by the second integrator 10 and fed to the second input of the signal ratio device 13.

In this case, the voltage supplied to the second input of the signal ratio receiving device 13, taking into account the above, can be defined as:



where k2=cFP2kU2kAD2kINT2 is the total transmission coefficient of the blocks connected in series of the second radiation receiver 7, the second amplifier 8, the second amplitude detector 9 and the second integrator 10; kAD2 is the transmission coefficient of the second amplitude detector; kINT2 is the transmission coefficient of the second integrator.

It is known that optical devices designed to measure temperature mainly use a transparent region of the atmosphere spectrum. Therefore, for a small distance between the object of control and the radiation receiver, it can be assumed that, τλ1mc=τλ2mc"1. Then, when using identical electronic blocks for the radiation fluxes Fλ1mPI1 and Fλ2mPI2, we have k1 = k2. Therefore, at the output of the signal ratio receiving device 13, in proportion to the temperature of the control object 1, a voltage ratio is formed:



or



Since solar parabolocylindrical concentrators have a reflection coefficient in the near and middle IR spectral region that is constant and is γλ2ko = 0.1.

Then the temperature in the local focal zone of solar parabolocylindrical concentrators is defined as:



Thus, it can be seen from the last expression that the temperature in the local focal zone of solar parabolocylindrical concentrators is proportional to the voltage ratio Uλ1m and Uλ2m, which is recorded by the recording device, where it is taken into account.

Literature

1. Ergashev S. F., Kuldashov O. H. Control of gas concentration in geothermal energy. NTZH FerPI, 2014.No.3. from 105-109.

2. Daliev S. H., Nasriddinov S. S., Kuldashov O. H. The use of LEDs (1.94 µm) to measure the moisture content of raw cotton. Proceedings of the International conference "Optical and photoelectric phenomena in semiconductor micro- and nanostructures". Fergana, 2020, pp.426427.

Ваша оценка очень важна

0
Шрифт
Фон

Помогите Вашим друзьям узнать о библиотеке

Скачать книгу

Если нет возможности читать онлайн, скачайте книгу файлом для электронной книжки и читайте офлайн.

fb2.zip txt txt.zip rtf.zip a4.pdf a6.pdf mobi.prc epub ios.epub fb3