Панов А. В. - Программа НАСА «Меркурий» – фальшивые полеты. Признаки фальсификации стр 8.

Книгу можно купить на ЛитРес.
Всего за 51.9 руб. Купить полную версию
Шрифт
Фон

Ссылки:

Интернет – ссылки проверены по состоянию на 07.10.20.

1.https://en.wikipedia.org/wiki/Project_Mercury#/media/File:Mercury-project-earth-landing-system-test.png

2.https://en.wikipedia.org/wiki/Project_Mercury#/media/File:Vol-Atlas-Mercury.png

3.https://spaceflight.nasa.gov/gallery/images/mercury/mercury_redstone_3/html/s61-02711.html

4.https://spaceflight.nasa.gov/gallery/images/mercury/mercury_redstone_3/html/jsc2004e19882.html

5.https://ru.wikipedia.org/wiki/Failed_Attempt_to_Recover_Liberty_Bell_7_-_GPN-2002-000047.jpg

6.https://ru.wikipedia.org/wiki/Grissom_lifted_from_water_61-MR4-82.jpg

7.Меркурий-Редстоун-4https://ru.wikipedia.org/wiki/

8.https://www.hq.nasa.gov/office/pao/History/diagrams/mercury.html

9.https://www.hq.nasa.gov/office/pao/History/diagrams/mercury.html

10.https://spaceflight.nasa.gov/gallery/images/mercury/mercury_redstone_3/html/s88-31376.html

ГЛАВА 4. ЧЕРТЕЖИ И ТЕХНИЧЕСКИЕ СХЕМЫ ПРОЕКТА «МЕРКУРИЙ»

Критики обмана НАСА и правительства США, который был осуществлен в 60-е годы, не рассматривали никогда техническую документацию на «космическую» капсулу «Меркурий». Но именно в этих чертежах видны признаки фальсификации «пилотируемых полетов» на таких аппаратах. Конструкция капсулы наглядно демонстрирует невозможность сохранения жизни живого космонавта при полете в реальный космос. Начать надо с размещения в районе теплового экрана (ТЭ) блока двигателей торможения. Он крепился металлическими рейками к краям ТЭ в трех точках. Если бы такая конструкция в действительности использовалась, то велика вероятность, что сам блок может остаться на поверхности ТЭ при входе в атмосферу Земли.

Американская мифология признает этот факт. Описание «полета» Джона Гленна содержит эпизод, в котором ретро-двигатели торможения не были удалены и обломки двигателей при разрушении и сгорании били по корпусу «космической» капсулы. Второй момент, который сразу бросается в глаза, это расположение спины американского «космонавта» вплотную к тепловому экран. На поверхности ТЭ температура по признанию американских сказочников достигала более 1000 градусов Цельсия. Расчеты Герберта Оберта одного из основателей космонавтики, показывали цифру более 5000 градусов Цельсия. Американская мифология о температуре плазмы в районе ТЭ противоречит основам и формулам Физики, Аэродинамики, которыми пользовался в своих расчетах Герберт Оберт. Нет никаких сомнений, что такое расположение тела космонавта с большой долей вероятности может привести к гибели.

Схема капсулы «Меркурий» этот момент хорошо показала. Этот план показывает, что космонавт лишен возможности перемещаться в капсуле, изменять положение тела. «Космонавт» НАСА обречен был несколько часов сохранять положение тела сидя. Сами американские космические актеры по этому поводу шутили, что космический аппарат надевался на пилота.



Самое удивительное в этом плане, это отсутствие конструкции «воздушной подушки». Она, если верить фотографиям капсулы после приводнения находилась между донной части кабины и тепловым экраном. План составлен 21 мая 1959 года. Конечно, можно попытаться оправдать эту ситуацию тем, что конструкция «подушки безопасности была придумана после того, как появилась техническая документация на „космическую“ капсулу „Меркурий“. Но проблема такой резиновой „подушки“ состоит в том, что она подвержена в этом месте риску повреждения, прогорания и уничтожения. Сказочники НАСА не сообщают, каким образом были размещены под тепловым экраном довольно объемная конструкция « Ударной юбки» (IMPACT SKIRT). Ниже схема «подушки безопасности». Надписи под изображением: STRAPS —Ленты. HEAT SHIELD – тепловой экран. IMPACT SKIRT – ударная юбка. [2] Конструкция была не герметичной и набирала воду. Она быстро тонула.



Кроме этого, в капсуле отсутствовала система мягкой посадки на твердую почву. Не секрет, что приводнение на воду менее проблематично для жизни пилота в космосе. Вода под воздействием удара тела меняет свою форму. Твердая почва в этом смысле менее податливая. Прыжок с высоты 10—15 метров в воду не приведет к гибели или травмам человека. Но прыжок вниз на твердую землю человека с указанной высоты гарантировано приведет к тяжелым травмам или гибели прыгуна. Возможно, американские сказочники НАСА полагали, что подобная «подушка безопасности» может смягчить удар о Землю.

Фальсификаторы, технические писатели НАСА называли «Ударную юбку» ещё и надувным амортизатором, что подразумевает герметичность резиновой «подушки безопасности». Но фотографии НАСА, где зафиксирован момент срабатывания такого амортизатора, показано другая ситуация. Из резинового устройства льется вода. Значит «ударная юбка» не герметична.



Подпись под фотографией: «Вертолёт поисковой службы поднимает капсулу Freedom 7 после приводнения. Виден надувной посадочный амортизатор». [2] Такая «подушка безопасности» при ударе о твердую землю не спасет пилота в капсуле. Избежать разрушения аппарата тоже не удастся. При ударе о поверхность воды, эта «гармошка» бессмысленная.

На этом чудеса американской конструкции не заканчиваются. Если создают мифологию о каком-то аппарате или технологической конструкции, то сказочники, которые сочинили сказку об этом, очень часто сочиняют и публикуют нелепые противоречащие сведения о фальшивом «достижении». Так произошло и с «космической» капсулой «Меркурий». Верхом нелепости конструкции фальшивого «космического корабля» было расположение баков с окислителем в районе теплового экрана.



Рупор пропаганды США «Википедия», со ссылкой на сайты, связанные с НАСА показал интересное изображение: Корабль «Меркурий» в разрезе. [2] Самым любопытным моментом является указатель с надписью: «Peroxide tank (Бак для перекиси водорода)». [2] Этот бак расположен согласно схеме между тепловым экраном и стенкой капсулы, где находится пилот. Для справки: «Перекись водорода, H₂O₂ – простейший представитель пероксидов. Бесцветная жидкость с „металлическим“ вкусом, неограниченно растворимая в воде, спирте и эфире. Концентрированные водные растворы взрывоопасны. Молекула пероксида водорода сильно полярна, что приводит к возникновению водородных связей между молекулами. Связь O – O непрочна, поэтому H₂O₂ – неустойчивое соединение, легко разлагается. В разбавленных растворах пероксид водорода тоже неустойчив и самопроизвольно диспропорционирует на H₂O и O₂». [3] Для чего нужен был этот бак с перекисью водорода, которое могло быть использовано для РД?



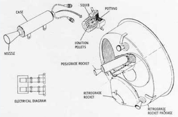
Выше показаны «Ракетные двигатели Posigrade» (posigrade rocket, retrograde rocket), для них нужно было топливо. Перекись водорода в американской мифологии про «космический» аппарат «Меркурий» использовалась, как топливо для ретро двигателей торможения и для поворотных двигателей: «Для управления ориентацией КК «Меркурий» было установлено 18 управляющих двигателей реактивной системы управления, работавших на однокомпонентном топливе (перекиси водорода). В присутствии катализатора перекись водорода разлагается с выделением большого количества тепла.

За счет высокой температуры образующегося при этом парогаза удельные характеристики такого топлива значительно выше, чем у систем, работающих на холодном газе. Кроме того, масса и габариты баллонов для хранения перекиси также меньше. Однако перекисная система гораздо сложнее воздушной. Разложение перекиси водорода происходит непосредственно в камерах двигателей, где для этого помещается специальный катализатор. Такие двигатели обладают рядом особенностей и недостатков (низкими динамическими характеристиками, большим импульсом последействия и т. д.). Поэтому, несмотря на сравнительно простую и непродолжительную программу полета на КК «Меркурий», пришлось установить два независимых комплекта управляющих двигателей. Причем в каждый комплект входили двигатели с большой и малой тягой. Первые (тяга 26 и 108 Н) использовались для разворота КК и стабилизации при работе тормозной двигательной установки, вторые (4,4 Н) – для поддержания заданной ориентации в орбитальном полете. При использовании двигателей малой тяги экономилось топливо, и повышалась точность ориентации». [4]

Ваша оценка очень важна

0
Шрифт
Фон

Помогите Вашим друзьям узнать о библиотеке

Скачать книгу

Если нет возможности читать онлайн, скачайте книгу файлом для электронной книжки и читайте офлайн.

fb2.zip txt txt.zip rtf.zip a4.pdf a6.pdf mobi.prc epub ios.epub fb3