Владимир Арсентьевич Сологуб - Автопрактикум. Часть 2. Трансмиссия большегрузных автомобилей стр 2.

Книгу можно купить на ЛитРес.
Всего за 320 руб. Купить полную версию
Шрифт
Фон

Схема трансмиссии автомобиля классической компоновки (двигатель установлен впереди, ведущие колёса сзади) и с колёсной формулой 4x2 представлена на рисунке 3.1. За двигателем расположены сцепление 1, коробка передач 2, карданный вал 3, главная передача 4, дифференциал 5, полуось 6.


Рисунок 3.1 Классическая компоновка трансмиссии


Автомобили той же компоновочной схемы, но с колёсной формулой 4x4 оснащены дополнительно: раздаточной коробкой, карданным валом, передним ведущим мостом. Раздаточная коробка присоединена непосредственно к коробке передач.

В трансмиссии автомобилей с колёсной формулой 6x4 и 6х6 (рисунок 3.2) установлены соответственно два и три ведущих моста с приводом от раздаточной коробки через два карданных вала, или последовательно расположенных, или каждый на отдельный ведущий мост.


1  сцепление; 2 коробка передач; 3 карданная передача; 4 главная передача; 5 дифференциал; 6 полуось; 7 раздаточная коробка

Рисунок 3.2 Трансмиссия полноприводных автомобилей


Компоновочные схемы трансмиссий автомобилей весьма разнообразны на разных этапах развития конструкций машин.

3.2 Сцепление большегрузных автомобилей

3.2.1 Назначение и устройство сцепления

Сцепление на автомобиле предназначено для передачи крутящего момента от двигателя к трансмиссии, а также для кратковременного отсоединения и плавного соединения коленчатого вала двигателя с трансмиссией. При помощи сцепления осуществляются плавное трогание с места и разгон автомобиля, переключение передач во время движения и предохранение деталей трансмиссии от перегрузок.

На изучаемых автомобилях устанавливают одно и двухдисковое фрикционные сцепления. Основные размеры фрикционного сцепления определяются из условия передачи за счет сил трения максимального крутящего момента от двигателя.

Фрикционное сцепление автомобиля состоит из трех частей: ведущей, ведомой и привода выключения.

Сцепление устанавливают на маховике двигателя. Диски фрикционного сцепления, воспринимающие крутящий момент от маховика, называются ведущими, а диски, передающие момент на первичный вал коробки передач ведомыми. По числу ведомых дисков сцепления делят на однодисковые и двухдисковые.

3.2.2 Однодисковое сцепление автомобилей

На автомобилях ЗИЛ и МАЗ с двигателями ЗИЛ-508.10 и ЯМЗ-236 устанавливается однодисковое сцепление (рисунок 3.3, рисунок 3.4). К маховику 15 (рисунок 3.3) при помощи болтов присоединен стальной штампованный кожух 4 сцепления. Чугунный нажимной диск 1 соединен с кожухом четырьмя парами пружинных пластин 2, передающих окружное усилие с кожуха на нажимной диск. Между кожухом и нажимным диском установлены шестнадцать нажимных пружин 3. Каждая пружина центрируется выступами, выполненными на нажимном диске и кожухе. Между пружинами и нажимным диском установлены теплоизолирующие шайбы.

Четыре рычага 9 выключения сцепления при помощи осей 12 с игольчатыми подшипниками соединены с нажимным диском и кожухом вилками 11. Опорами вилок на кожухе служат сферические гайки 10. Этими гайками регулируют положение рычагов выключения.

Ведущий диск сцепления ЯМЗ 236 имеет аналогичную конструкцию, однако между кожухом и нажимным диском установлены двадцать четыре нажимные пружины.


1  нажимной диск; 2 пружинная пластина; 3 нажимная пружина; 4 кожух сцепления; 5 подшипник выключения сцепления; 6 муфта; 7 оттяжная пружина муфты; 8 вилка выключения сцепления; 9 рычаг выключения сцепления; 10 регулировочная гайка; 11 опорная вилка оси рычага выключения; 12 оси рычага выключения; 13 венец маховика; 14 ведомый диск; 15 маховик; 16 первичный вал коробки передач; 17 передний подшипник первичного вала; 18 коленчатый вал

КОНЕЦ ОЗНАКОМИТЕЛЬНОГО ОТРЫВКА

Рисунок 3.3 Однодисковое сцепление автомобилей ЗИЛ


Ведомый диск (рисунок 3.5) устанавливается между маховиком и нажимным диском на первичном валу коробки передач. Он снабжён гасителем крутильных колебаний (демпфером пружинным устройством). Пружины демпфера 2 обеспечивают упругую связь ведомого диска сцепления с его ступицей. Передача крутящего момента от ведомого диска к его ступице осуществляется через демпферные пружины.


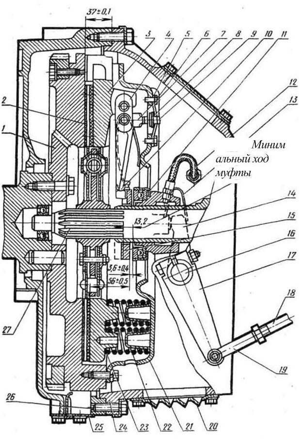
1  маховик; 2 ведомый диск; 3 нажимной диск; 4 рычаг выключения; 5 опорная пластина; 6 болт кропления опорной пластины; 7 вилка рычага выключения; 8 стопорная шайба; 9 регулировочная гайка; 10 пружина нажимного рычага; 11 муфта выключения сцепления; 12 шланг для смазки муфты; 13 пружина; 14 вилка выключения сцепления; 15 упорное кольцо; 16 вал выключения сцепления; 17 рычаг; 18 тяга выключения сцепления; 19 вилка; 20 крышка люки картера сцепления; 21 кожух; 22 нажимная пружина; 23 теплоизоляционная шайба; 24 картер сцепления; 25 крышка люка картера маховика; 26 болт; 27 первичный вал коробки передач

Рисунок 3.4 Сцепление ЯМЗ 236


Гаситель предохраняет трансмиссию от появления на ее валах угловых колебаний, которые могут возникнуть из-за неравномерного вращения коленчатого вала, а также в результате резких изменений угловых скоростей в трансмиссии при движении автомобиля по неровным дорогам. Кроме того, гаситель обеспечивает большую плавность включения сцепления.

Ваша оценка очень важна

0
Шрифт
Фон

Помогите Вашим друзьям узнать о библиотеке

Скачать книгу

Если нет возможности читать онлайн, скачайте книгу файлом для электронной книжки и читайте офлайн.

fb2.zip txt txt.zip rtf.zip a4.pdf a6.pdf mobi.prc epub ios.epub fb3