Геннадий Михайлович Бадьин - Современные технологии строительства и реконструкции зданий стр 10.

Шрифт
Фон

Капиталовложения на возведение конструкций, где используется стеклопластиковая арматура, значительно больше, чем железобетонных. Однако через 5 лет они окупаются, а через 20 лет экономический эффект достигает стоимости возведения конструкций.

Энергосберегающая технология утепления наружных стен зданий базальтофибробетоном

Новая технология утепления наружных стен жилых крупнопанельных зданий с базальтофибробетонной облицовкой разработана Седип С. А. в СПбГАСУ и внедрена в Тыве (г. Кызыл).

Анализ существующих систем наружного утепления стен панельных зданий (табл. 1.3) выявил достоинства и недостатки этих систем. Откуда следует, что наиболее рациональным является навесная невентилируемая система в связи с незначительной трудоемкостью и стоимостью работ. При этом облицовочные элементы не растрескиваются, хорошо противостоят ударным воздействиям, теплоизоляционные работы выполняются в любое время года.


Таблица 1.3. Анализ существующих систем утепления зданий



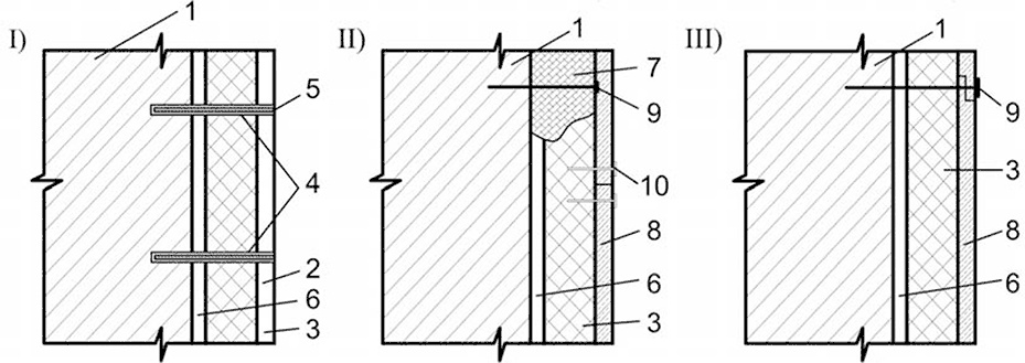
На основе анализа существующих систем наружного утепления стен зданий были предложены три варианта конструкции навесной невентилируемой системы (рис. 1.9.), имеющие лучшие технико-экономические показатели (табл. 1.4): I вариант приклеивание утеплителя с облицовкой из базальтофибробетона, которая крепится к стене шпонками из базальтофибробетона, армированными полимерными анкерами; II установка и приклеивание утеплителя между деревянными рейками, монтаж облицовки из волокнисто-цементных плит на анкерах; III монтаж утеплителя и облицовки на металлических анкерах.


Рис. 1.9. Три варианта конструкций утепления наружных стен крупнопанельных зданий: 1 существующая стена; 2 базальтофибробетонная стяжка; 3 утеплитель; 4 шпонки из базальтофибробетона; 5 анкер из полимерной арматуры; 6 клеевой слой; 7 деревянная рейка; 8 волокнисто-цементные плиты; 9 металлический анкер; 10 шуруп-саморез


Таблица 1.4. Технико-экономические показатели различных конструкций навесных невентилируемых систем утепления наружных стен зданий


Рис. 1.10. Конструктивная схема утепления наружных стен жилых панельных зданий жесткими пенополистиролбетонными плитами с базальтофибробетонной облицовкой


Конструкция наружного утепления, состоящая из жесткого плитного утеплителя из пенополистиролбетона с базальтофибробетонной облицовкой показана на рис. 1.10. Физико-технические свойства используемых материалов при утеплении наружных стен жилых крупнопанельных зданий по предложенной технологии приведены в табл. 1.5


Таблица 1.5. Физико-технические свойства используемых материалов


Суть предложенной технологии утепления наружных стен состоит в том, что на поверхность жестких плит из пенополистиролбетона заводского изготовления с одной стороны методом торкретирования наносится базальтофибробетонная стяжка толщиной 510 мм с последующим выравниванием и затиркой, а с другой слой клея типа «КРЕПС» (24 мм). Затем плита устанавливается в проектное положение таким образом, чтобы перекрыть мостики холода в наружных стенах здания, крепится клеем и шпонками из базальтофибробетона армированными полимерными анкерами. Для анкеровки плит в стене здания просверливают отверстия, в которые затем инъецируется базальтофибробетонный раствор и вставляется полимерный анкер (при твердении раствора образуется анкерное крепление в виде шпонки). Предпочтение отдается полимерному анкеру, т. к. металлический подвергается коррозии. Надежность крепления панелей к стене гарантируется результатами испытаний анкеров, которые выдерживают усилие на вырывание: 44,8 МПа при твердении в течение 1 часа; 1012 МПа при твердении через 1 сутки.

Отличительной особенностью данной технологии утепления является применение в качестве защитного слоя базальтофибробетонной стяжки и в качестве крепежа шпонок из базальтофибробетона, армированных полимерными анкерами.

Последовательность выполнения технологических операций по утеплению наружных стен жилых крупнопанельных зданий по разработанной технологии в виде технологических схем показана на рис. 1.111.13.


Рис. 1.11. Технологическая схема нанесения на пенополистиролбетонные плиты базальтофибробетонной стяжки в полигонных условиях: 1 бункер для хранения цемента; 2 склад песка; 3 бункер для хранения тонкодисперсного базальтового волокна; 4 бак для воды; 5 растворосмеситель; 6 емкость для раствора; 7 стенд для нанесения, выравнивания базальтофибробетонной стяжки и затирки поверхности; 8 склад готовой продукции; 9 стенд для нанесения клея-раствора из базальтофибробетона

Ваша оценка очень важна

0
Шрифт
Фон

Помогите Вашим друзьям узнать о библиотеке

Скачать книгу

Если нет возможности читать онлайн, скачайте книгу файлом для электронной книжки и читайте офлайн.

fb2.zip txt txt.zip rtf.zip a4.pdf a6.pdf mobi.prc epub ios.epub fb3