Что такое симметрирующий усилитель?
Как уже известно, для возбуждения двухтактного усилителя необходимы два симметричных напряжения, сдвинутых на 180° по фазе относительно друг друга. Схема, обеспечивающая такие напряжения, называется симметрирующей схемой, фазовращателем или инвертором фазы. Наиболее простым, однако достаточно дорогим способом получения симметричного сигнала является применение трансформатора с разделенной вторичной обмоткой. Имеются, однако, симметрирующие усилители, которые выполняют роль симметрирующего трансформатора. В симметрирующих усилителях используется свойство переворачивания фазы сигнала в катодной или эмиттерной цепи усилительного каскада.
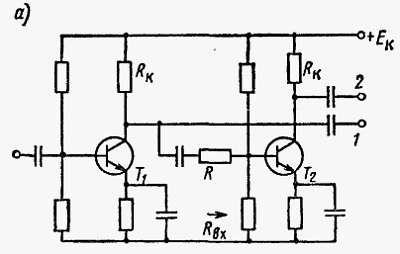
Простейшей симметрирующей схемой является двухкаскадный усилитель (рис. 7.27, а).

Рис. 7.27,а. Двухкаскадный симметрирующий транзисторный усилитель
Оба транзистора работают по схеме с ОЭ. Сигнал с коллектора транзистора Т1 передается на выход 1 и одновременно через делитель напряжения, образованного сопротивлением R и входным сопротивлением Rвхтранзистора Т2, на базу транзистора Т2. На коллекторе этого транзистора появляется усиленное напряжение обратной полярности, которое поступает на выход 2. Условием равенства напряжений на выходах 1 и 2 является такое деление выходного напряжения транзистора Т1, при котором транзистор Т2 возбуждается частью напряжения, равной обратной величине коэффициента передачи этого транзистора. Недостатком схемы обычно является отсутствие симметрии во всем полезном диапазоне частот, поскольку линейные искажения второго каскада приводят к тому, что амплитудные характеристики на обоих выходах неодинаковы
Другой симметрирующей схемой является схема с разделенной нагрузкой (рис. 7.27, б), в которой используются одновременно два выхода: из цепей коллектора и эмиттера. Переменное напряжение на коллекторе сдвинуто по фазе на 180° по отношению к входному, а переменное напряжение на эмиттере находится в фазе с входным.
Поскольку коллекторный и эмиттерный токи равны или почти равны друг другу, напряжения на обоих выходах будут симметричны, если сопротивления в выходных цепях будут равны или почти равны друг другу. Точная симметрия достигается подбором одного из резисторов в цепи коллектора или эмиттера. Характерной особенностью схемы являются неодинаковые внутренние сопротивления на обоих выходах: большее на выходе 1 и меньшее на выходе 2.

Рис. 7.27,б. Симметрирующая схема с разделенной нагрузкой
Каким образом можно получить большое входное сопротивление усилителя?
Входное сопротивление усилителя является одним из важнейших параметров усилителя. Очень часто оказывается важным, чтобы входное сопротивление было максимально большим (высоким). Условием большого входного сопротивления является большое сопротивление и малая входная емкость усилительного каскада, а также малое влияние входных цепей питания активного элемента.
Для ламповых усилителей с заземленным катодом входное сопротивление определяется максимально допустимым сопротивлением утечки сетки (составляющего максимально несколько мегом). Входная емкость зависит от емкости между сеткой и катодом Сс. к, а также емкости, вносимой за счет эффекта Миллера и равной Са. с(1 + Кu). На практике минимальная входная емкость составляет от единиц до 10–20 пФ. В большинстве случаев такое значение входного сопротивления вполне достаточно. В отдельных случаях, когда требуется значительно большее входное сопротивление, на входе усилителя можно использовать каскад с заземленным анодом или катодный повторитель (рис. 7.28, а). Характерными чертами-такой схемы являются: усиление по напряжению меньше единицы, малое выходное сопротивление, а также очень большое входное сопротивление и малая входная емкость. На практике получают входное со противление около десятков мегом, а емкость - нескольких пикофарад.
В транзисторных схемах, кроме схем на полевых транзисторах, характеризующихся высоким входным сопротивлением, получить большое входное сопротивление значительно труднее. Входное сопротивление усилителя, работающего по схеме с ОЭ, не превышает нескольких десятков килоом. Поэтому для получения больших входных сопротивлении приходится использовать специальные схемы. Одной из них является аналог лампового катодного повторителя - эмиттерный повторитель (рис. 7.28, б).

Рис. 7.28.Катодный (а) и эмиттерный (б) повторители
Входное сопротивление эмиттерного повторителя выражается формулой Zвх ~= h21эRэ, из которой следует, что оно равно сопротивлению в цепи эмиттера, умноженному на коэффициент передачи по току транзистора. Это не означает, что входное сопротивление может достигать произвольно большого значения за счет увеличения значения Rэ. Максимальное входное сопротивление не может превышать сопротивления база - коллектор, равного 1/h22б. Кроме того, делитель в цепи смещения базы, вносящий на вход сопротивление Rб = R1R2(R1+ R2), также уменьшает эффективное входное сопротивление повторителя.
Одним из эффективных методов увеличения входного сопротивления эмиттерного повторителя является увеличение коэффициента передачи транзистора по току h21э. В транзисторных схемах благодаря токовому характеру возбуждения (управления) транзистора это оказывается возможным в схеме "супер-альфа", называемой также схемой Дарлингтона. В этой схеме (рис. 7.29) ток эмиттера первого транзистора управляет базой второго транзистора, в связи с чем результирующий коэффициент передачи тока h21э равен произведению h'21эh''21э отдельных-транзисторов: h21э = h'21эh''21э. Для большего числа транзисторов, работающих в схеме Дарлингтона, h21э = h'21эh''21эh'''21э… На рис. 7.29 представлен эмиттерный повторитель, собранный по подобной схеме.


Рис. 7.29.Эквивалентная схема (а) и эмиттерный повторитель (б) схемы "суперальфа"
В соответствии с предыдущими рассуждениями его входное сопротивление выражается следующей формулой:
Zвх = h'21эh''21эh21к
Что такое дифференциальный усилитель?
Дифференциальный усилитель - это усилитель на двух транзисторах с эмиттерной связью, позволяющей использовать в любых комбинациях несимметричные или симметричные вход и выход.
Принципиальная схема дифференциального усилителя, в котором выходное напряжение равно разности двух входных сигналов, показано на рис. 7.30.
