Какова схема компенсации усилителя в диапазоне низких частот?
Амплитудная характеристика в диапазоне низких частот может быть расширена путем включения последовательно с нагрузкой резистора Rxи конденсатора Cх (рис. 7.15).

Рис. 7.15. Схема компенсации в диапазоне низких частот
В диапазоне средних и высоких частот реактивное сопротивление конденсатора Сх настолько мало, что практически замыкает резистор Rxна этих частотах и приводит к тому, что эффективное сопротивление нагрузки равно R1.
В диапазоне низких частот шунтирующим влиянием емкости Схможно пренебречь. В этом случае эффективное сопротивление увеличивается до R1 + Rx. Увеличение сопротивления нагрузки вызывает увеличение усиления каскада и, следовательно, при соответственно подобранных Rx и Сх компенсацию падения усиления, вызванного влиянием делителя, состоящего из конденсатора связи и входного сопротивления Rвх.
Временная характеристика скомпенсированного усилителя в диапазоне низких частот имеет меньший спад, чем временная характеристика некомпенсированного усилителя.
Что такое усилитель постоянного тока?
Усилителем постоянного тока называется усилитель, предназначенный для усиления медленно изменяющихся колебаний с постоянной составляющей. Амплитудная характеристика такого усилителя в диапазоне низких частот охватывает также "частоту" f = 0 Гц. Ограничение амплитудной характеристики в диапазоне высоких частот происходит по тем же причинам, что и в усилителе с емкостной связью.
Характерной чертой усилителей постоянного тока является отсутствие в них каких-либо реактивных элементов связи (конденсаторов, трансформаторов). Отдельные каскады связаны непосредственно: анод или коллектор данного каскада соединен с сеткой или базой последующего каскада. Отсюда усилители постоянного тока часто называются усилителями с непосредственной связью.
Проблемой, неразрывно связанной с этим типом усилителя, является проблема устойчивости. Каждое изменение в результате нестабильности рабочей точки ламп или транзисторов (дрейфа), фона, вызванного неидеальной фильтрацией напряжения питания, или эффекта старения элементов не может быть выделено из полезного сигнала и появляется на выходе в виде сигнала помехи. В случае транзисторов еще добавляется температурная чувствительность транзистора. В связи с проблемой стабильности наиболее подходящими схемными решениями усилителей с непосредственной связью являются те, в которых содержатся схемы компенсации, как следующие из самой конфигурации схемы, так и основанные на использовании в качестве компенсирующих элементов транзисторов и диодов. Кроме того, непосредственная связь в усилителях постоянного тока создает ряд трудностей, связанных с питанием отдельных каскадов.
Какова схема наиболее простого усилителя постоянного тока?
Простейшая схема транзисторного усилителя постоянного тока представлена на рис. 7.16, а. В первом каскаде используется обычная цепь подачи смещения на базу. Цепями смещения каждого последующего каскада являются резистор нагрузки коллектора и транзистор предыдущего каскада. Представленная схема является несимметричной с присущим ей недостатком, заключающимся в большом дрейфе тока. Стабилизация рабочих точек транзисторов с помощью резисторов в цепях эмиттеров в этом случае не дает результатов, поскольку отрицательная обратная связь одинаково эффективно действует как на дрейф, так и на полезный сигнал, и поэтому отношение сигнала к дрейфу не улучшается. В этой ситуации проблема уменьшения дрейфа может быть решена либо стабилизацией напряжения питания, либо применением компенсирующих схем, состоящих из диодов, термисторов или транзисторов с соответствующим образом подобранными электрическими и температурными характеристиками. Эти схемы изменяют рабочую точку таким способом, что происходит компенсация изменений выходного сигнала. В качестве примера на рис. 7.16, б показан усилитель постоянного тока со схемой компенсации дрейфа (Д1, R1, R2, R3), использующей полупроводниковый диод. Эта схема, как и любая компенсационная схема, требует тщательного подбора элементов и чувствительна ко всяким изменениям их параметров.
Непростой задачей (особенно при большом количестве каскадов) является подбор соответствующих сопротивлений резисторов в цепях коллектора и эмиттера в схеме на рис. 7.16, а, которые бы устанавливали смещение базы, обеспечивающее работу схемы на линейном участке характеристик транзисторов. Поэтому применяется также схема с кремниевыми диодами, включенными в цепи эмиттера транзисторов (рис. 7.16, в). Резисторы, включенные между коллектором данного каскада и базой следующего, ограничивают ток базы.



Рис. 7.16.Транзисторный усилитель постоянного тока с непосредственной связью (а), с диодной компенсацией дрейфа (б) и кремниевыми диодами в цепи питания транзисторов (в)
Что такое усилитель постоянного тока с противоположной симметрией?
Противоположная симметрия, называемая также комплементарной, допускает каскадное соединение многих транзисторных каскадов усилителей постоянного тока при использовании источника низкого напряжения. Понятие противоположной симметрии связано исключительно с транзисторами и не имеет аналоги в ламповых схемах. Симметрия такого типа основана на использовании двух транзисторов, из которых первый является типа р-n-р, а второй - типа n-р-n или наоборот.
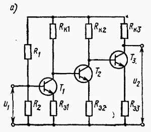
Схема такого усилители па транзисторах показана на рис. 7 17.

Рис. 7.17.Усилитель постоянного тока на комплементарных транзисторах
Транзистор Т1 типа n-р-n. Поскольку напряжение базы транзистора Т1 составляет 4 В, а напряжение эмиттера этого транзистора равно 3,3 В, база имеет по отношению к эмиттеру положительное смещение 0,7 В, т. е. такое, каким характеризуются кремниевые транзисторы типа р-n-р. Коллектор с напряжением 12 В непосредственно связан с базой транзистора Т2. Напряжение эмиттера этого транзистора составляет 12,7 В, что обеспечивает отрицательное смещение базы относительно эмиттера в кремниевом транзисторе Т2 типа р-n-р. Напряжение коллектора этого транзистора составляет 1,8 В, т. е. является менее положительным, чем напряжение эмиттера, а это означает, что коллектор смещен отрицательно относительно эмиттера. Путем соответствующего подбора сопротивлений резисторов можно получить равенство постоянных напряжений в выходной и входной цепях.
Достоинством схемы, основывающимся на противоположности характеристик обоих транзисторов, является малая чувствительность к изменениям температуры и параметров транзисторов.
Что такое усилитель с преобразованием и каков принцип его работы?
Как уже известно, в усилителях постоянного тока с непосредственной связью возникают трудности, связанные с дрейфом, нестабильностью усиления и условиями питания. Дрейф усилителя начинает приобретать принципиальное значение при усилении малых сигналов.
Методом, позволяющим избежать указанных трудностей, является использование усилителя с преобразованием. Принцип действия такого усилителя состоит в преобразовании входного сигнала постоянного или медленно изменяющегося тока в переменный сигнал, усилении его в обычном усилителе переменного тока, а затем в преобразовании его снова в сигнал постоянного или медленно меняющегося тока.
Структурная схема усилителя с преобразованием представлена на рис. 7.18.