Что такое передающие трубки?
Это преобразователи, заменяющие оптическое изображение соответствующим ему электрическим сигналом. Передающие трубки работают на принципе использования явления фотоэмиссии или фотоэлектрической проводимости. Изображение с помощью объектива проектируется на пластину со светочувствительным материалом. Под влиянием света на пластине (мишени) возникает плоское распределение электрических зарядов, соответствующее распределению света и тени в проецируемом оптическом изображении. Электронный пучок, выходящий из электронной пушки передающей трубки в направлении мишени, вызывает последовательное преобразование "зарядного изображения" мишени ("изображения", созданного различными электрическими зарядами) в ток, зависящий от этих зарядов, т. е. от света, падающего в данное место мишени. Последовательность преобразования отдельных зарядов в электрический ток задается телевизионной системой. Существуют различные виды передающих трубок. Чаще всего применяют трубки, называемые видиконами или суперортиконами (или ортиконом изображения).
Что такое декадные счетные лампы?
Декадные лампы (декатроны) - лампы тлеющего разряда (газосветные), предназначенные для счета импульсов в десятичном исчислении. Типичная лампа такого типа имеет один анод и девять катодов, расположенных по окружности. Под влиянием подводимых к лампе импульсов возникают разряды, переходящие после каждого импульса на следующий катод. Светящееся пятно указывает цифру, соответствующую числу импульсов.
Что такое клистроны и магнетроны?
Это лампы специальной конструкции, используемые в технике сверхвысоких частот для усиления или генерирования колебаний. Их применяют в телевизионных и радиолокационных передающих устройствах большой мощности.
Что такое датчики на эффекте Холла?
Это полупроводниковый прибор, использующий эффект Холла, основанный на том, что в полупроводниковой пластинке, включенной в электрическую цепь и соответствующим образом расположенной в магнитном поле, возникает напряжение, зависящее от этого поля. Датчики на эффекте Холла применяют для измерения напряженности поля, тока и мощности, а также в качестве усилителей и генераторов.
Глава 6
ВЫПРЯМИТЕЛИ
Что такое выпрямление электрических колебаний?
Это процесс, в результате которого переменное входное электрическое колебание преобразуются в выходное колебание только одного знака (рис. 6.1). Процесс выпрямления используется в устройствах электропитания (блоках питания) и демодуляторах.

Рис. 6.1.Выпрямление синусоидального колебания:
а, в - однополупериодное; б - двухполупериодное
На каком принципе осуществляется выпрямление?
Выпрямление всегда осуществляется при использовании нелинейных элементов, обладающих свойством однонаправленного пропускания электрического тока. Благодаря таким свойствам на выходе выпрямляющего элемента получают ток одного знака.
Какие электронные элементы используют для выпрямления?
Применяют полупроводниковые и вакуумные (кенотроны) диоды, газоразрядные диоды (газотроны), тиратроны, кремниевые и селеновые элементы, тиристоры и другие элементы с нелинейными свойствами в зависимости от применения, значений выпрямленных, напряжений и токов, отбираемых нагрузкой. В маломощных электронных устройствах для выпрямления чаще всего применяют полупроводниковые диоды.
Что называется выпрямителем?
Название "выпрямитель" используется прежде всего для схем, преобразующих переменный ток в постоянный. Выпрямителем называется также и сам элемент с однонаправленными свойствами, используемый в процессе выпрямления.
Что называется однополупериодным выпрямителем?
Однополупериодным выпрямителем называется такой выпрямитель, на выходе которого после процесса выпрямления остаются колебания одного знака. Схема однополупериодного выпрямителя, возбуждаемого синусоидальным сигналом, представлена на рис. 6.2.

Рис. 6.2. Схема одпополупериодного выпрямителя, управляемого синусоидальным напряжением от трансформатора (а) и внешнего источника (б)
Диод включен таким образом, что проводит ток только при положительных полупериодах входного колебания, т. е. когда напряжение на его аноде больше потенциала катода. Среднее значение Ucр колебания, полученного в результате выпрямления синусоидального напряжения с действующим значением U и максимальным значением Um (см. рис. 4.4), равно
![]()
Например, при выпрямлении напряжения с действующим значением U = 220 В после выпрямления получаем среднее напряжение Ucр ~= 100 В. В отрицательный полупериод диод не проводит ток и все подведенное к выпрямителю напряжение действует на диоде как обратное напряжение выпрямителя. При изменении направления включения диода он будет проводить в отрицательные полупериоды и не проводить в положительные. Рассматриваемая схема выпрямителя называется последовательной. Название связано с тем, что нагрузка включается последовательно с нелинейным элементом (вентилем).
Что называется двухполупериодным выпрямителем?
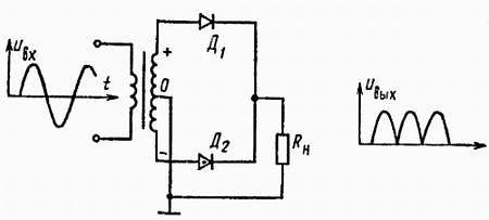
Двухполупериодным выпрямителем называют такой выпрямитель, в котором после процесса выпрямления остаются участки входного колебания, имеющие один знак. К ним после изменения знака добавляются участки, имеющие противоположный знак. Принципиальная схема двухполупериодного выпрямителя, управляемого синусоидальным сигналом от трансформатора, показана на рис. 6.3.

Рис. 6.3. Схема двухполупериодного выпрямителя, управляемого синусоидальным напряжением от трансформатора
В периоды времени, когда на аноде диода Д1действует положительное напряжение, на аноде диода Д2 присутствует отрицательное и наоборот. Это происходит потому, что средняя точка вторичной обмотки трансформатора заземлена, и, следовательно, она имеет нулевой потенциал. При положительной полуволне напряжения на вторичной обмотке диод Д1 пропускает ток, а диод Д2 не пропускает. При отрицательной полуволне положительное напряжение действует на диоде Д2, который при этом проводит, а диод Д1, смещенный в обратном направлении, не проводит. Среднее значение напряжения, полученного на выходе двухполупериодного выпрямителя, как легко заметить, в 2 раза больше напряжения, полученного на выходе однополупериодного выпрямителя.
Что такое выпрямитель на мостовой схеме?
Выпрямитель на мостовой схеме, называемой иногда схемой Гретца, является двухполупериодным выпрямителем с четырьмя диодами, соединенными, как это показано на рис. 6.4.