Чем характеризуется схема питания со стабилизацией в цепи эмиттера?
На рис. 4.32 представлена схема питания со стабилизацией в виде резистора, включенного в цепь эмиттера. В схеме без резистора рост тока вызывает увеличение тока в цепи коллектора и увеличение падения напряжения на резисторе, находящемся в цепи базы, что вызывает более положительное смещение перехода и дальнейший рост токов эмиттера и коллектора. Введение резистора в цепь эмиттера препятствует росту токов, поскольку мгновенный рост тока вызывает увеличение падения напряжения на этом резисторе, а следовательно, увеличение напряжения, смещающего переход в непроводящем направлении. Это в свою очередь ведет к уменьшению роста тока и, следовательно, к его стабилизации на некотором, почти постоянном уровне.
В этом случае имеем следующие приближенные соотношения:

Эффективность стабилизации тем больше, чем выше отношение. Обычно стремятся к тому, чтобы достичь значения Sст от нескольких единиц примерно до 10. Для больших значений Sст рассчитываем по формуле Sст ~= Rб/Rэ.
Стабилизирующий резистор в цепи эмиттера часто шунтируется конденсатором большой емкости. При этом резистор влияет только на рабочую точку и ее стабильность и не вызывает уменьшения усиления схемы до тех частот, пока конденсатор обладает сопротивлением намного меньшим, чем резистор Rэ.

Рис. 4.32.Схема питания со стабилизацией в цепи эмиттера
Обсуждаемую схему смещения часто называют схемой со стабилизацией на принципе эмиттерной связи.
Чем характеризуется схема стабилизации рабочей точки на основе коллекторной связи?
Такая схема представлена на рис. 4.33. В этом случае стабилизация основана на питании базы через резистор, включенный между коллектором и базой. Увеличение тока коллектора вызывает снижение потенциала на коллекторе и через резистор Rб изменение потенциала на базе так, что это вызывает уменьшение изменений тока коллектора.

Рис. 4.33.Схема питания транзистора со стабилизацией на принципе коллекторной связи
В этом случае справедливы следующие приближенные соотношения:

Сопротивление резистора Rб не может быть слишком малым, так как это вызывало бы уменьшение усиления по напряжению, поэтому следует выбрать компромисс между усилением и коэффициентом стабилизации.
Какие другие схемы стабилизации рабочей точки встречаются па практике?
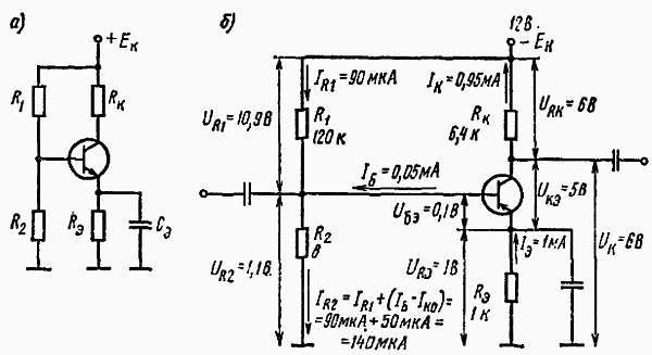
Разработано много других решений, например одновременное использование эмиттерной и коллекторной связей, питание базы при использовании делителя и одновременном включении эмиттерного резистора, шунтированного конденсатором (рис. 4.34, а).

Рис. 4.34.Схема стабилизации тока коллектора с отрицательной обратной связью по постоянному току при подаче смещения на базу от делителя (а) и пример решения этой схемы (б)
Для этой схемы имеем следующие соотношения:
Uб= (R2/(R1 + R2))·Eк; Uэ = Uб- Uбэ ~= Uб
Uк = Eк - Iк·Rк; Uкэ = Eк - Iк·Rэ - Iэ·Rэ
Коэффициент стабилизации при этом выражается формулой

Достоинством этой схемы является достаточно большая свобода при выборе сопротивлений резисторов и, кроме того, малая зависимость рабочей точки транзистора от коэффициента h21э и его изменений.
На рис. 4.34, б представлен пример подобной схемы питания с указанием значений токов, напряжений и сопротивлений.
Помимо схем стабилизации, использующих резисторы, применяются также схемы, стабилизирующие положение рабочей точки транзистора, на основе элементов, обладающих зависимостью от температуры, например диодов (в частности, стабилитрона), термисторов, а также транзисторов. Схемы, в которых применяют подобные элементы, иногда называют компенсационными.
Как работает транзистор в диапазоне высоких частот?
При использовании транзистора для усиления сигналов высокой частоты возникают некоторые ограничения, связанные, со свойствами самого транзистора. Существенную роль играют сопротивления и емкости транзистора.
Параметры транзистора меняются в зависимости от частоты, и для высоких частот его эквивалентная схема усложняется. По мере роста частоты все большее значение приобретают пассивные составляющие полных проводимостей.
Для анализа работы транзистора в диапазоне высоких частот наиболее часто используют П-образную физическую модель (рис. 4.12,б и 4.35), и при проектировании высокочастотных транзисторных схем чаще всего используют его "четыре "четырехполюсниковые" параметры. Отдельные параметры для определенной частоты находят в справочниках из соответствующих графиков, представленных в функции частоты. Частотной зависимостью обладают также коэффициенты передачи тока h21б и h21э, с увеличением частоты их значения обычно убывают.

Рис. 4.35.Физическая модель транзистора в диапазоне высоких частот с примерными значениями параметров
Какие параметры транзистора определяют его пригодность для работы в высокочастотных схемах?
Имеется несколько таких параметров. Самыми важными являются предельные частоты транзистора fh11, fгр, fT, а также fmax. указываемые в каталогах или справочниках.
Частоты fh11 и fгр определяют частоты, на которых значение h21б или h21э падают на 3 дБ по отношению к своему значению в области низких частот. С учетом П-образной физической модели имеем следующие приближенные формулы:
fh11 ~= 1/2π·rб'э·Сб'э; fгр = fh11(1- h21б)
Частота fT (или f1) соответствует падению коэффициента h21э до значения, равного единице:
fT = f1 ~= fгр·h21э
Часто fmax определяет максимальную частоту, на которой коэффициент передачи по мощности не меньше единицы. Это - максимальная частота генерации, которая выражается приближенной формулой