
Рис. 4.10.Транзистор в усилительной схеме ОБ (a), физическая модель транзистора, работающего в схеме ОБ (б), схема с ОБ в виде четырехполюсника с h-параметрами (в)
Между h-параметрами и параметрами транзистора, соответствующими Т-образной эквивалентной схеме, существует определенная связь:
h11б ~= rэ, h21б = - КIб, h12б/h22б = rб, h22б = 1/rк
С помощью h-параметров можно определить параметры схемы, работающей в качестве усилителя, возбуждаемого от источника с внутренним сопротивлением Rг и нагруженного сопротивлением (рис. 4.10, а).
При расчете коэффициента усиления по напряжению КU можно воспользоваться формулой
KUБ = uкб/uвх = Rк/(h11б+ Rг) или KUБ = uкб/uэб= Rк/h1б
Коэффициент усиления по току схемы ОБ КIБ = h21Б ~ 1.
Выходное и входное сопротивления схемы определяются соответственно как
Rвых ~= 1/h22б; Rвх ~= h11б
Основные свойства схемы ОБ кратко можно свести к следующим: большое усиление по напряжению (не менее 1000), коэффициент усиления по току меньше единицы, большее усиление по мощности (примерно 1000), малое входное сопротивление (около 200 Ом), высокое выходное сопротивление (около 500 кОм).
Что называют статическими характеристиками транзистора?
Статические характеристики транзистора - зависимости между токами и напряжениями на различных электродах транзистора, которые получают при подаче на соответствующие электроды регулируемых постоянных напряжений. Статические характеристики снимают путем измерении в простой измерительной схеме либо находят в каталогах или справочниках, разработанных заводом-изготовителем. Статические характеристики позволяют определить ряд параметров транзистора и выбрать соответствующие условия работы, например при усилении сигналов переменного и постоянного тока.
Каковы статические характеристики транзистора в схеме ОБ?
Типичные статические характеристики транзистора в схеме ОБ представляют собой зависимость тока коллектора от постоянного напряжения между коллектором и базой, они называются выходными или коллекторными характеристиками. Такие характеристики можно определить для двух разных случаев: поддерживая постоянным ток эмиттера (рис. 4.11) или поддерживая постоянное значение напряжения эмиттер - база. В обоих случаях уже при малых напряжениях uкб ток коллектора Iк достигает значения, которое незначительно возрастает при дальнейшем увеличении коллекторного напряжения, причем это возрастание связано в основном с ростом составляющей обратного тока Iкбо (Iко), который существует из-за наличия неосновных носителей в полупроводнике и определяется для Iэ = 0. Основная составляющая тока коллектора, связанная с основными носителями, не зависит от напряжения Uкб смещающего коллекторный переход в запирающем направлении.
Нулевое значение коллекторного тока Iк достигается при небольшом напряжении Uкб противоположной полярности, т. е. при смещении коллекторного перехода в проводящем направлении.
Если при снятии характеристики Iк= φ·(Uкб) в измерительной схеме поддерживается постоянным ток Iэ, то ток Iэ является в этом случае параметром. Для транзистора типа n-р-n напряжение Uкб и ток коллектора положительны, а для транзистора типа р-n-р - отрицательны.
По приведенной на рис. 4.11 характеристике можно простым способом определить коэффициент передачи тока h21Б как отношение приращения тока коллектора ΔIк к приращению тока эмиттера ΔIэ при постоянном напряжении коллектор-база (Uкб = const). Для ΔUкб = 0
![]()
Из этих характеристик можно также определить параметр h22били выходную проводимость схемы ОБ, а именно:

Рис. 4. 11.Статические выходные характеристики транзистора в схеме ОБ
Что такое схема с общим эмиттером и каковы ее свойства?
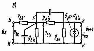
Схема ОЭ наиболее часто используется на практике, особенно при работе транзистора в качестве усилителя. В этой схеме входной сигнал подводится между базой и эмиттером, а нагрузка включается между коллектором и эмиттером (рис. 4.12, а). Наиболее часто используемой физической моделью или эквивалентной схемой для транзистора ОЭ является П-образная гибридная схема, представленная на рис. 4.12, б, которая отражает малосигнальные свойства транзистора в достаточно широком интервале изменений условий работы и частоты. Некоторые из элементов этой модели такие же как и для схемы ОБ. Проводимость gб'к совместно с емкостью Сб'копределяет обратную связь с выхода на вход схемы. Проводимость gкэ определяет выходное сопротивление схемы. Параметр S называется внутренней крутизной транзистора или взаимной проводимостью и выражается зависимостью
S = Δiк/Δuбэ
Внутренняя крутизна S обычно равна нескольким десяткам миллиампер на вольт.
Предельная частота fгр схемы ОЭ определяет ту частоту, на которой коэффициент h21э уменьшается на 3 дБ
fгр = fh11·(1 - h21б) = fh11/(1 + h21э)
Схема ОЭ в виде четырехполюсника с h-параметрами представлена на рис. 4.12, в. Если известны h-параметры для схемы ОБ, то можно путем пересчета получить h-параметры для схемы ОЭ:
h11э ~= h21э·h11б; h21э = h21б/(1 - h21б); h22э = h21э·h22б

