
Рис. 27.Музыкальный гонг с реле времени
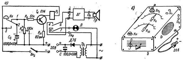
Для сборки электронного реле деталей понадобится немного, данные этих деталей указаны на схеме. Следует обратить внимание на следующее: транзистор Т4 - П16 может быть заменен транзистором П13 или П15. Можно применять реле Р1 типа РЭС-10 с ослабленными возвратными пружинами. Если реле с ослабленными пружинами не срабатывает и его ток не достигает 12–15 ма, необходимо намотать новую обмотку проводом ПЭЛ-0,05 до полного заполнения каркаса. Хорошо подходят и реле типа РСМ-1 и РСМ-2 с небольшим током срабатывания. Кнопка Кн - переключающая, она имеет три пластины: две неподвижных 1 и 3 и одну подвижную 2.
Работает реле времени следующим образом. Разрядка конденсатора, заранее заряженного от батареи, производится через большое сопротивление. Это происходит за сравнительно большой^ промежуток времени и определяется постоянной времени τ = R·C
Плавная регулировка выдержки времени осуществляется изменением величины переменного сопротивления, за счет которого происходит разрядка конденсатора.
В нашей схеме конденсатор С5 заряжается от батареи при нажатии кнопки Кн, то есть при соединении контактов 3 и 2. Затем кнопка отпускается - происходит замыкание контактов 2 и 1. Так как конденсатор С5заряжен, то правая часть схемы получает питание, ток проходит через транзистор Т4 и реле Р1срабатывает, его контактные пластины замыкаются. При замыкании контактных пластин замыкается цепь питания звукового генератора ЗГ (рис. 27, а).
По мере разрядки С5 через переменное сопротивление R10величина тока, проходящего через транзистор и реле, падает, при достижении минимальной величины, тока срабатывания якорь реле P1 отпускается и пластины размыкаются - звуковой генератор отключается.
Таким образом, устанавливая движок переменного сопротивления на разные точки, можно добиться различных выдержек времени. Эти выдержки можно выверить при помощи, секундомера и обозначить в виде шкалы, которая вычерчивается на листе плотной бумаги и наклеивается на лицевой панели прибора рядом с ручкой переменного сопротивления.
Для питания прибора понадобится батарея с напряжением 20 в. Питание реле времени и генератора можно осуществить и через выпрямитель, однако в этом случае желательно иметь хороший стабилизатор напряжения, так как при изменении напряжения питающей сети диапазон выдержек времени будет изменяться и не соответствовать заранее выверенной шкале.
Собирается электрогонг в небольшом деревянном или пластмассовом корпусе. Внутри корпуса монтируются панель с деталями, клеммы для подключения батарей и укладываются сами батареи.
На верхней лицевой панели устанавливаются выключатель Вк, переменные резисторы R6 и R10, громкоговоритель и гнезда для подключения вилки проводов, идущих к мощному усилителю. Нижнюю часть лицевой панели можно сделать съемной для свободного доступа внутрь кожуха при смене сработавшихся батарей (рис. 27, б).
Часы с электронным боем
В механизме обычных часов с боем убираются пластины или диск, по которым производится удар молоточком. Боек молоточка снимается и заменяется контактной пластиной, например от старого электромагнитного реле. Вторым контактом служит такая же пластина, установленная на некотором расстоянии. Обе пластины включаются в разрыв а - б цепи питания звукового генератора (см. рис. 26). В момент боя генератор включается, остальное же время он выключен. Однако комплекта питания может хватить на несколько месяцев.
Если же в часах не один, а два ударных молоточка, то, следовательно, нужно смонтировать две пары контактных пластин. В схеме генератора резистор R3 заменяется двумя резисторами по 15 ком (R3' - R3"), включенными последовательно.
Первая пара пластин будет включать звуковой генератор, а вторая шунтировать одно из сопротивлений R3'. Таким образом, "бой" часов будет проходить на "двух тональностях".
Радиопозывне
В отличие от двух предыдущих устройств установка для подачи позывных должна иметь устройство, позволяющее периодически повторять одно музыкальное сочетание. В качестве датчика звуковых колебаний можно применить приборы, собранные по схемам, показанным на рис. 21 или 23.
Круговой переключатель изображен на рис. 28.

Рис. 28.Устройство для сигналов радиопозывных
Он состоит из подвижного контакта, смонтированного на оси электродвигателя, и ряда неподвижных контактов, смонтированных на панельке. Неподвижные контакты изготовляются так: сначала из металлической (медной или латунной) пластинки вырезают кольцо диаметром 40–60 мм, затем это кольцо разрезают на количество частей, равное числу нот в музыкальной фразе позывных. Причем если продолжительность звучания нот различна, то и величины контактов неодинаковы. В центре панельки просверливают отверстие, вокруг которого по кругу закрепляют подготовленные контакты так, чтобы между ними были просветы, пропорциональные паузам в музыкальной фразе.
Подвижный контакт, сделанный из пластинки от старого реле, припаивается к оси. Для подачи тока на подвижный контакт нужно сделать еще одну металлическую пластину - она должна плотно прижиматься к оси переключателя.
Переключатель приводится в действие через шкив при помощи электродвигателя СД-2, который делает два оборота в минуту.
К каждой из неподвижных пластин припаивается провод, идущий к соответствующему резистору или конденсатору (в зависимости от выбранной вами схемы), изменяющему частоту работы генератора. При включении переключателя подвижный контакт будет скользить по неподвижным пластинкам, и через каждые 30 сек позывные будут повторяться.
ЗВУКОВОЙ ГЕНЕРАТОР НА МОЛОДЕЖНОМ ПРАЗДНИКЕ
Много интересных и занимательных самоделок можно смастерить для молодежного праздника, если умело применить для этого звуковой генератор. Вот несколько из них.
Костюм космонавта для карнавала
Хотите иметь карнавальный костюм самый современный, самый интересный? Какой? Ну, конечно, костюм космонавта! Что для этого нужно? Во-первых, желание, а во-вторых, опять же звуковой генератор!
Работу рекомендуем начать с изготовления скафандра. Шлем скафандра можно сделать из жести или картона. В шлеме нужно предусмотреть; три отверстия: для смотрового окна и 2 отверстия для сеточек, расположенных около ушей. Сверху на шлеме укрепляется небольшая вращающаяся антенна "радиолокатора" и рефлектор "прожектора". К шлему прикрепляется металлический или картонный воротник. На плечах воротника устанавливаются телескопические антенны с лампочками на концах, а на груди - выключатели, сигнальная лампа и громкоговоритель (см. рис. 29, а).
Изготовить "электрооборудование" скафандра несложно. Рефлектор лучше всего взять готовый (от китайского электрофонарика). Но можно сделать и самим из жести или цветного металла, рефлекторе устанавливается одна белая лампочка от карманного фонарика или две - одна белая и другая окрашенная в какой-нибудь цвет (Л1и Л2). Телескопические антенны выдвигающиеся.
Они состоят из нескольких трубочек с уменьшающимися диаметрами. На концах антенн укрепляются миниатюрные хирургические (или от карманного фонарика) лампочки Л3и Л4, а провода пропускаются через трубочки антенн внутрь скафандра.
Антенну радиолокатора можно изготовить в виде вращающейся полусферы или лучше в виде вогнутой сетки. Эта антенна укрепляется на оси, пропущенной внутри скафандра (рис. 29, б). Вращается она при помощи микроэлектродвигателя через шестеренчатый редуктор. Такой редуктор можно сделать из механизма заводных игрушек или приобрести в магазине.