
Конечно, читатель можно придумать ещё не одну подобную схемку поведения подопечного, было бы желание и интерес. А в заключение несколько вопросов для закрепления.
1. Как изменить схему (рис. 9), добавив светодиод, сигнализирующий об отступлении игрушки от преграды?
2. Как изменится сценарий поведения робота (схема рис. 6), если поменять местами подключение проводов двигателя M1?
3. Что изменится, если из схемы (рис. 4) изъять резистор?
Фантазии на тему конструкции или перспектива её изменений
Когда конструктору кажется, что изделие исчерпало свой "инновационный ресурс", возникает жгучее желание изменить что-то в нём кардинально. Для данной игрушки таким изменением может быть изменение ходовой части. Например, добавление второго двигателя с редуктором (рис. 11).

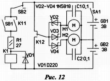
С такой "ходовой" робот может двигаться уже по всей плоскости. Вариант схемного решения представлен на рисунке 12.

После включения питания робот устремляется вперёд, работают оба двигателя. Питание на них подаётся от батареи GB1 через развязывающие диоды VD3, VD4. После столкновения игрушки, реле самоблокируется и ток подаётся от батареи GB2 только на двигатель М1 через диод VD2. Робот отворачивает от преграды "одним боком". Затем происходит срабатывание датчика SB2, цепь обмотки реле размыкается. Вновь включается "полный вперёд" и робот "бежит от преграды" уже по другой "дорожке". В таком варианте потребуется замена "солевых" элементов АА на "алкалиновые".
Исключив диоды и соединив моторы параллельно можно попробовать повторить кинематику шагающих игрушек. Например, ходовая часть шагающего робота (рис. 13), позаимствованная из работы Марка Тилдона "Controller for a four legged walking machine" вполне подходит для экспериментов.

Управление работой датчиков можно осуществлять с помощью задних ног робота.
Вновь вернёмся к исходной схеме рисунка 4. Она может стать основой конструкции, концепт которой изображён на рисунке 14.

Это подвижная мишень для тренировки стрельбы из игрушечного пружинного пистолета. Механика изделия строится на зубчатой рейке (пластмассовый вариант такой передачи имеется в DVD приводе компьютера). Благодаря работе датчиков SB1, SB2 мишень движется возвратно-поступательно. Ещё один концепт изделия поясняет рис. 15.

"Мишка" методично бьёт в колокольчик, оповещая окружающих о чём-то важном. Его фигурка на шарнире участвует в возвратно-вращательном движении. Концевики-датчики ограничивают амплитуду колебаний. Редуктор желательно использовать с возможно большим коэффициентом понижения, а в оконечном звене - фрикционную передачу.
На рисунке 16 изображён вариант игрушки - модели канатной дороги.

Здесь возможны вариации. Вместо тросика можно проложить пару жестких опор - рельсов. Получится модель фуникулёра. Или сделать монорельс. В любом случае нужно центр тяжести игрушки располагать под линией воздушной дороги.
Завершая изложение вопроса, хочу ещё раз заметить, что двигаться нужно от простого к сложному, от известного к спорному, особенно - экспериментируя…
Доработка газонного светильника на солнечной батарее
Друг подарил несколько газонных (парковых) автономных светильников рис. 17 от китайской компании "Эра Соларко" (в русской транскрипции) и отечественного импортёра "Касторома РУС".

Из доступной информации известно, что данный прибор является не осветителем, а декоративной подсветкой. Предназначен он для украшения паркового, садового или земельно-огородного участка: подсветки клумбы, цветника, садовой дорожки, скамейки, беседки, газона, теплицы, кустарников, определения контуров поверхностного рельефа территории в тёмное время суток летне-осеннего периода при массовом использовании.
Принцип действия прост - зарядка аккумулятора днём от солнечной батареи, с последующей её разрядкой через светодиод ночью. Просто, автономно, надёжно… но!
Расставив их солнечным утром "согласно собственной гармонии" на участке, стал ждать сумерек - вечером участок засиял. Было необычно и красиво, однако, после 4–5 часов свечения светодиоды стали "в индивидуальном порядке тускнеть и гаснуть по одной им известной причине", и к утру гармония рухнула. Стало ясно, что осенью работа светильников обернется "забастовкой". Критический анализ ситуации и изучение "внутренностей" светильника привёл к выводу: нужно в разы снижать ток, потребляемый устройством ночью.
Штатная схема светильника представлена на рисунке 18.

На специализированной микросхеме ANA618 и дросселе L1 реализован импульсный преобразователь напряжения, повышающий напряжение питания светодиода до необходимого. Вход СЕ (вывод 2) управляющий, при наличии на нём низкого уровня (солнечная батарея освещена) преобразователь не работает - идёт зарядка аккумулятора, ёмкостью 100 ма·час. В сумерках светодиод загорается, и схема начинает потреблять ток 18–20 ма. Ток, потребляемый светодиодом, составляет 3 ма. Коэффициент полезного действия схемы (если его находить как отношение выделяемой на светодиоде мощности к потребляемой схемой) составляет 34 %.
В данных на микросхемы есть таблица (рис. 19) зависимости потребляемого схемой тока от индуктивности дросселя.

С её увеличением ток уменьшается, с уменьшением - увеличивается. Поэкспериментировав с различными дросселями получил данные, из которых следует вывод: замена дросселей не увеличивает КПД схемы, а следовательно не увеличивает продолжительность работы светильника при неизменной яркости светодиода.
Возможные схемные варианты модернизации изображены на рисунках 20–22.

