Пауль Хоровиц - Искусство схемотехники. Том 3 [Изд.4 е] стр 87.

Шрифт
Фон

Пауль Хоровиц, Уинфилд Хилл - Искусство схемотехники. Том 3 [Изд.4-е]

Рис. 15.15.Датчики перемещений. а - дифференциальный преобразователь линейных перемещений (ДПЛП), вид в разрезе; б - схема ДПЛП; в - выходное напряжение ПЛП в зависимости от перемещения; г - схема тензодатчика.

ДПЛП выпускаются различных размеров и охватывают диапазон перемещений от 0,125 до 625 мм, с частотами возбуждения от 50 Гц до 30 кГц и точностью от 1 до 0,1 % или еще лучше. Лидирующей в этой области является фирма Schaevitz, в каталоге которой представлен широкий выбор линейных и угловых ("ДПВП") преобразователей, приборов, преобразующих измерения датчиков ДПЛП в давление, силу, ускорение и т. п., а также устройств считывания данных ДПЛП. Если вы работаете в этой области и пользуетесь ДПЛП, у вас может возникнуть желание создать собственную аппаратуру, возможно использующую ИМС, предназначенные для специальных целей. Например, прибор Signetics NE5520/1 "LVDT Signal Conditioner" выдает сигналы синусоидального возбуждения и включает в себя синхронный демодулятор, обеспечивающий выходное напряжение пропорциональное перемещению, измеренному ДПЛП. Устройства 2S54/6 Analog Devices являются синхронными демодуляторами с высокой линейностью (0,01 %), имеющими встроенные А/Ц-преобразователи, обеспечивающие прямые цифровые выходы (14 и 16 бит соответственно).

Тензодатчики. Тензодатчики измеряют удлинение и (или) изгиб сборки из четырех металлических тонкопленочных резисторов, подвергаемой деформации. Они выпускаются в виде законченных комплектов размерами от 0,4 мм до нескольких сантиметров с сопротивлением, обычно равным приблизительно 350 Ом/плечо. Электрическая схема тензодатчиков подобна мосту Уитстона: на два противоположно расположенных зажима подается постоянное напряжение, а с двух других снимается разность потенциалов, как уже рассматривалось в разд. 7.09. Выходные напряжения очень малы, обычно около 2 мВ на 1 В возбуждения при полной шкале деформации, точность от 1 до 0,1 % всей шкалы (см. рис. 15.15, г).

Очень нелегко измерять относительно малые удлинения, и определение величины деформации в этом случае, к сожалению, ненадежно. Небольшие различия в температурных коэффициентах элементов моста влияют на их чувствительность к температуре, что ограничивает точность деформации. Это проблематично даже в условиях контролируемой температуры окружающей среды из-за явления саморазогрева. Например, при возбуждении постоянным током напряжение 10 В 350-омного моста в чувствительном элементе рассеивается 300 мВт, а его температура возрастает на 10 °C (или больше), что вызывает ошибку в реальном сигнале от 0,1 до 0,5 % для всей шкалы.

В последнее время получили распространение полупроводниковые тензодатчики. На выходе они дают сигнал, в 10 раз превышающий сигнал металлопленочных приборов, а их сопротивление составляет несколько сотен омов. И что особенно важно, для их возбуждения можно использовать источник тока, а не источник напряжения, а это дает возможность минимизировать чувствительность к температуре.

Емкостные преобразователи. Очень чувствительный метод измерения перемещений может быть реализован, если использовать преобразователь, состоящий просто из двух близко расположенных друг к другу пластин или из пластины, заключенной между парой внешних пластин. Включив такой конденсатор в резонансную схему или используя мост, возбуждаемый переменным током высокой частоты, можете улавливать и измерять очень малые изменения положения. Емкостные микрофоны используют этот принцип для преобразования акустического давления или скорости его изменения в электрический сигнал звуковой частоты.

Интересные схемные решения применяются в усилителях для конденсаторных микрофонов, и они имеют большое практическое значение, поскольку многие из лучших микрофонов для записи являются просто емкостными датчиками положения, состоящими из тонкой металлизированной пластиковой фольги, расположенной почти вплотную к жестко закрепленной пластине. Конденсатор заряжается через большое сопротивление напряжением от 50 до 100 В, и фиксируются изменения напряжения при движении диафрагмы в звуковом поле.

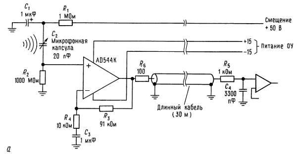
Конденсаторные микрофоны имеют чрезвычайно высокие импедансы источника (типичная капсула имеет емкость около 20 пФ или реактивное сопротивление около 400 МОм при 20 Гц), поэтому шансы, что сигнал сумеет пройти даже через кабель малой длины, практически отсутствуют, если не поместить непосредственно при капсуле предусилитель. На рис. 15.16 представлены два способа усиления напряжения с капсулы, амплитуда которого может принимать значения от 1 мВ до 100 мВ (эфф.) для обычно используемых материалов.

Пауль Хоровиц, Уинфилд Хилл - Искусство схемотехники. Том 3 [Изд.4-е]

Пауль Хоровиц, Уинфилд Хилл - Искусство схемотехники. Том 3 [Изд.4-е]

Рис. 15.16.Усилители для емкостных микрофонов.

В первой схеме малошумящий операционный усилитель на полевых транзисторах обеспечивает усиление 20 дБ и низкое выходное сопротивление, необходимое, чтобы возбудить однопроводную экранированную линию. Поскольку усилитель должен располагаться вплотную к капсуле микрофона (в пределах нескольких сантиметров), следует рабочие напряжения (смещение для капсулы, а также питание ОУ) подавать через микрофонный кабель, а в данном случае по дополнительным проводам.

Особенностью этой схемы является плавающая микрофонная капсула, позволяющая упростить задание смещения ОУ. R1 и С1 - фильтр напряжения смещения микрофона, a R2 должен иметь высокое сопротивление по сравнению с капсулой на всех звуковых частотах, R5 и С4 образуют фильтр ВЧ, так как линия несбалансирована и в нее, следовательно, могут проникать радиочастотные наводки и помехи.

Эта схема не лишена некоторых недостатков. Она требует 4-жильного кабеля, тогда как промышленностью выпускается стандартный экранированный двухжильный кабель. К этому же плавающая капсула создает чисто технические трудности. Эти недостатки ликвидируются во второй схеме, где смещение на капсулу подается по линии, служащей и для передачи звуковой частоты, причем линия представляет собой согласованную 200-омную пару. Один электрод капсулы заземлен, а p-канальный p-n-полевой транзистор (ПТ) используется в режиме истокового повторителя, работающего на небольшой трансформатор звуковой частоты. Однополюсный выход восстанавливается на удаленном конце, где смещение подается на центральное ответвление трансформатора. Кое-кто может возразить, что увеличение числа трансформаторов - плохая идея, но на практике они прекрасно работают.

Углы. Угол поворота объекта с достаточно хорошей точностью можно преобразовать в электрические сигналы. Например, имеются модификации ДПЛП для измерения углов поворота, весьма популярны вращающиеся синусо-косинусные преобразователи. В обоих случаях используется возбуждение переменным током, и угловое положение легко измеряется вплоть до дуговой минуты. Приложив некоторые усилия, можно измерять углы и на уровне дуговой секунды. В других приборах используется, например, световой пучок, падающий на стеклянный диск с серыми радиальными штрихами.

Интерферометрия. Измерения положения с высокой точностью можно проводить, используя отражение лазерного луча от зеркал, скрепленных с предметом, и считывая число интерференционных полос. Предельная точность таких методов определяется длиной волны излучения, так что приходится приложить большие усилия, чтобы добиться точности, большей чем полмикрона (1 микрон, или микрометр, равен 1/1000 мм). Например, промышленный измеритель на лазере, выпускаемый фирмой Hewlett-Packard, имеет разрешение, приближающееся 10 см. Лазерные интерферометры сейчас используют для непрерывных наблюдений, для измерений плоскостности и для решения различных задач в научно-исследовательских лабораториях. В Национальном бюро стандартов большинство прецизионных измерений размеров осуществляется интерференционно с помощью Deslatt. Дислетты, несомненно, прекрасны, когда требуется проводить прецизионные физические измерения, так как они позволяют измерять интервалы до миллиангстрема (10 см) и углы в дуговых миллисекундах.

Кварцевые генераторы. Кварцевые кристаллы откликаются на деформацию изменением своей резонансной частоты, таким образом обеспечивая очень точный метод измерения малых смещений или измерений давления. Кварцевые преобразователи давления обеспечивают самое высокое разрешение из всех устройств, имеющихся в настоящее время (об этом см. ниже).

Ваша оценка очень важна

0
Шрифт
Фон

Помогите Вашим друзьям узнать о библиотеке