Пауль Хоровиц - Искусство схемотехники. Том 3 [Изд.4 е] стр 80.

Шрифт
Фон

Пауль Хоровиц, Уинфилд Хилл - Искусство схемотехники. Том 3 [Изд.4-е]

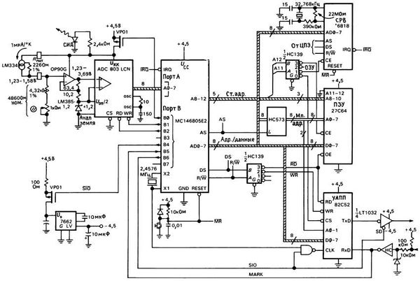
Рис. 14.43.Пример схемы на универсальном микромощном процессоре

Мы начали с выбора КМОП-контроллера МС146805 фирмы Motorola, который предназначен для работы при напряжении питания вплоть до 3 В, в него входят встроенные схемотехнические решения для перехода в режим ОЖИДАНИЯ (малая мощность, работают генератор и таймер) или режим ОСТАНОВКИ (нулевая мощность, генератор остановлен, восстановление только через прерывание или сброс). В модификации с суффиксом - Е2 используются внешние ПЗУ и ОЗУ, но она имеет и внутреннее ОЗУ объемом 112 байт. При работе с источником питания напряжением 5 В ЦПЭ потребляет при функционировании ток 7 мА (тактовая синхронизация с частотой 5 МГц), в режиме ОЖИДАНИЯ-1 мА и в режиме ОСТАНОВКИ - 5 мкА. Поскольку нам необходимо регистрировать данные в течение только нескольких миллисекунд раз в минуту, а восстановление из режима ОСТАНОВКИ (благодаря запуску кварцевого генератора) занимает в типовом случае 30 мс, мы минимизируем мощность потребления с помощью использования формируемого внешней схемой прерывания, которое подготавливает прибор к каждому измерению.

Альтернативное решение - использование формируемого с помощью таймера ЦПЭ в режиме ОЖИДАНИЯ прерывания - обеспечивает средний ток потребления ЦПЭ по крайней мере 1 мА, что соответствует сроку службы батареи С-элементов только полгода. Этот срок можно, конечно, довести и до года, т. е. используя D-элементы; другое решение могло бы быть связано с работой на более низкой частоте генератора (скажем, 1 МГц), где ток в режиме ОЖИДАНИЯ существенно ниже. Еще одна возможность - это работа при напряжении питания 3 В, где ток потребления в режиме ожидания составляет приблизительно 150 мкА при тактовой частоте 1 МГц. Любое из этих решений вполне хорошее. В этом же примере мы будем придерживаться методов выключения питания, поскольку удастся продемонстрировать дополнительные технические приемы. При этом также получается приемлемая система хронометрирования с помощью кристалла календаря.

Тактовая синхронизация календаря. Для обеспечения тактовой синхронизации календаря нам требуется кристалл, который не только может сохранять временные параметры при низком токе потребления (все кристаллы календаря делают это), но также может обслуживать прерывания во время режима потребления малой мощности. Поскольку поначалу кристаллы календаря предназначались для компьютеров, работающих от сети переменного тока, где имеется изобилие мощности, когда ЦПЭ функционирует, то многие кристаллы не могут обслуживать прерывания в режиме малой мощности (батарейное резервирование). Мы сначала рассмотрим схему ICM7170, прекрасный кристалл календаря фирмы Intersil; он обрабатывает прерывание в режиме малой мощности, но имеет неуклюжую схему питания при работе от единственной батареи. "Вечно популярная" схема ММ 58274 фирмы National не может обрабатывать прерывание в режиме резервирования. Мы, наконец, решили остановиться на схеме МС14618 фирмы Motorola - это популярный прибор, который выпускается по крайней мере еще двумя другими фирмами-изготовителями и предназначен для использования с кристаллами ЦПЭ типа МС146805. Схему можно оставить работающей и при полном напряжении питания, она обеспечивает низкий ток потребления (50 мкА, макс, на частоте 32 кГц, внешний генератор), когда не снят запрет.

Фирма Motorola "любит" отображение в памяти устройств ВВ (ввода-вывода) и их схема МС146608 не является исключением. При этом отсутствует стробирование ввода-вывода, что предпочитает делать фирма Intel; вместо этого вы кодируете некоторую часть пространства памяти как "пространство ВВ". Только при использовании нескольких приборов ВВ в этой системе вы сможете запутаться при декодировании ВВ, как мы установили в разд. 10.06. Тогда мы поставим УАПП на "дно" внешней памяти (кристалл ЦПЭ резервирует нижние 80 байт для внутренней памяти и портов), а тактовая синхронизация календаря занимает ячейку 80Н, при этом используется тот же самый `НС139 - дешифратор, который разрешает доступ к памяти (см. ниже).

Память. В качестве стираемого программируемого ПЗУ мы использовали стандартную схему 27С64 (8Кx8), только нижняя четверть которой адресуется через 11-разрядную шину, к которой мы подключены (мы использовали верхнюю часть адресного пространства для устройств ВВ). ПЗУ меньшего объема было бы предпочтительнее, но фирмы-изготовители схем памяти, как правило, прекращают выпуск памяти меньшего объема, как только они осваивают выпуск кристаллов памяти большего объема. Для схемы 27С64 точно определен ток IСС = = 100 мкА, макс, когда отменен ее выбор; в действительности же статический ток потребления не превышает 10 мкА.

Следует отметить, фиксирование младшего адресного разряда из мультиплексной шины ЦПЭ и перекодирование пары сигналов фирмы Motorola (R/W', DS) в пару сигналов фирмы Intel (RD', WR'), которое удобно выполнить на половине дешифратора `НС 139 (другая половина делает адресное декодирование).

Внешнее КМОП ОЗУ (необязательно и не показано) расположено ниже ПЗУ в адресном пространстве (см. рис. 14.44) и подключено к той же самой шине, за исключением декодирования адреса. Еще раз о том, что ОЗУ меньшего объема было бы предпочтительнее, но формы-изготовители кристаллов не содействуют этому.

Пауль Хоровиц, Уинфилд Хилл - Искусство схемотехники. Том 3 [Изд.4-е]

Рис. 14.44.Пример распределения памяти микропроцессора.

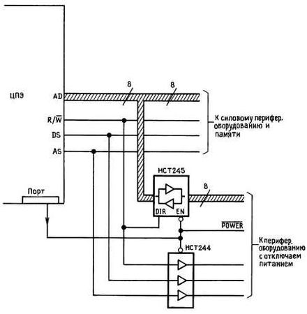
Последовательная передача. Для последовательной передачи (разд. 10.19) нам необходим УАПП и биполярный формирователь/приемник стыка RS-232. Поскольку последовательный порт будет использоваться только время от времени (в течение считывания и инициализации), то его можно оставить в выключенном состоянии, приводя с помощью ЦПЭ контроль подсоединения к нему какого-либо узла во время части его периодических рабочих циклов (раз в минуту). Одна возможность тогда заключается в использовании обычного УАПП (например, 8251) с управлением выключения источника питания с помощью бита с выходного порта самого ЦПЭ. Эта прекрасная идея, хотя вы должны быть осторожны, поскольку при выключенном питании УАПП не нагружает шину (или получает питание от нее, как это делает КМОП-кристалл). Хороший способ решить эту проблему заключается в использовании на шине НС буферов с третьим состоянием, включаемых между самой шиной и отключаемым от питания УАПП, переводя их в состояние с высоким полным сопротивлением на время выключения питания (рис. 14.45).

Пауль Хоровиц, Уинфилд Хилл - Искусство схемотехники. Том 3 [Изд.4-е]

Рис. 14.45.Развязка шины данных от периферийного оборудования с отключаемым питанием.

В этом примере мы выбрали более простое решение, а именно используем КМОП УАПП, который оставляется под питанием все время, переключая генератор только тогда, когда используется последовательный порт; результирующий ток покоя, хотя он и не определяется в технических условиях, в типовом случае не превышает 20 мкА. Для простоты также оставим под питанием большую часть стыка RS-232. Формирователь является одной из секций маломощного счетверенного блока с управляемым выключением; в отключенном состоянии определен ток покоя, который равен 1 мкА (тип.), 10 мкА (макс). Отрицательное напряжение источника питания обеспечивается инвертором напряжения типа 7662, отключение питания которого осуществляется под управлением одного из битов порта ЦПЭ; хотя технические требования устанавливают ток Iп= 20 мкА (тип.), максимальный ток Iпсоставляет 150 мкА, это достаточный довод в пользу отключения питания от той части схемы, которая должна использоваться 10 мин в год! Отметим наличие токоограничивающего резистора с номиналом 100 Ом, поскольку нагрузка представляет собой короткое замыкание при начальном включении источника питания. Приемник стыка RS-232 мы создали на основе НС логического инвертора с фиксатором на диоде Шоттки и токового ограничителя при биполярном входном сигнале.

При оставлении приемника под питанием мы сможем определить, когда что-нибудь подключено к самому последовательному порту, поскольку "спящее" состояние стыка RS-232 ("маркер" - отрицательное напряжение по крайней мере 3 В) приводит к появлению на выходе инвертора ВЫСОКОГО уровня (отметим привязку к верхнему уровню на входе). Вот почему выход инвертора кроме возбуждения самого УАПП подключен и к входному порту ЦПЭ. Конечно, и сам ЦПЭ мог бы распознать этот факт, но только в течение короткого интервала времени (< 1 с) каждую минуту, когда он "разбужен". Следовательно, на практике при подключении к последовательному порту пользователь должен иметь некоторое терпение, т. е. подождать пока это не произойдет.

Ваша оценка очень важна

0
Шрифт
Фон

Помогите Вашим друзьям узнать о библиотеке