14.04. Солнечные элементы
Сочетание свинцово-кислотной или никель-кадмиевой батареи с кремниевыми солнечными элементами образует хороший источник питания для приборов с умеренным потреблением мощности, которые должны быть развернуты в удаленных местах и в течение продолжительного периода времени. Например, вы могли бы захотеть использовать бакен, который производит измерения в океане и периодически их передает. Если средняя мощность потребления составляет 1 Вт, то гальванические элементы становятся недопустимо громоздкими (вы должны иметь для употребления 500 щелочных D-элементов в течение года). Полный солнечный свет после прохождения атмосферы доставляет на землю приблизительно 1 кВт мощности на квадратный метр площади; после учета коэффициента полезного действия солнечных элементов (они имеют КПД приблизительно 10 % при работе на надлежащую нагрузку), длительности светового дня и цикличности погоды в средне-северных широтах (где среднее значение 100 Вт/м зимой и 250 Вт/м летом) вы можете получить среднюю мощность 25 Вт (в июле) или 10 Вт (в январе) на квадратный метр с высококачественных солнечных элементов, которые стоили в 1986 г. приблизительно 800 долл. При ярком солнечном свете такие солнечные модули вырабатывают до 100 Вт на согласованную нагрузку.
С блоком аккумуляторов для хранения энергии (свинцово-кислотные лучше, чем никель-кадмиевые, поскольку они имеют больший срок службы и рабочий диапазон температур) вы можете снимать среднюю мощность почти непрерывно; свинцово-цинковые элементы обладают в типовом случае КПД 70–80 %, и поскольку все факторы (включая погоду) учтены, то вы можете снимать мощность около 8 Вт на квадратный метр (зимой) и до 20 Вт на квадратный метр (летом), в среднем до 24 часов в сутки.
Для маломощных приборов, которые должны работать только при ярком свете, вы можете не включать батарею. Питаемые от солнечного света КМОП-калькуляторы с индикатором на жидких кристаллах являются преимуществом везде.
Вольт-амперные характеристики. Кремниевые солнечные элементы имеют простую и очень полезную вольт-амперную характеристику. Она показывает, что напряжение холостого хода практически не зависит от уровня света и в среднем составляет 0,5 В на элемент; сама же кривая UI - это просто перевернутая характеристика диода (рис. 14.12).
![Пауль Хоровиц, Уинфилд Хилл - Искусство схемотехники. Том 3 [Изд.4-е]](/page_images/5/fc47e10325bdb8c6689eaa1fe533d359.jpg)
Рис. 14.12.Зависимость выходного напряжения солнечного элемента от тока нагрузки представляет собой просто перевернутую кривую U-I диода.
Типовые солнечные панели состоят из 36 последовательно соединенных элементов при напряжении холостого хода около 18 В. Напряжение на зажимах остается практически постоянным пока ток нагрузки увеличивается вплоть до своего максимального значения, при котором солнечный модуль становится источником постоянного тока, коим и остается при дальнейшем уменьшении полного сопротивления нагрузки. Этот максимальный ток изменяется в линейном масштабе пропорционально уровню света, давая набор характеристических кривых, как это изображено на рис. 14.13.
![Пауль Хоровиц, Уинфилд Хилл - Искусство схемотехники. Том 3 [Изд.4-е]](/page_images/5/97569beb8143b52ad46bfd3b3b92e028.jpg)
Рис. 14.13.Зависимость выходных параметров солнечного элемента от освещенности.
(MSVM4011 фирмы Solavolt)
Солнечные элементы работают хорошо при пониженных температурах, поскольку напряжение холостого хода падает при увеличении температуры (рис. 14.14).
![Пауль Хоровиц, Уинфилд Хилл - Искусство схемотехники. Том 3 [Изд.4-е]](/page_images/5/f924397b66c359adb2c2a1e90c93b375.jpg)
Рис. 14.14.Зависимость выходных параметров солнечного элемента от температуры.
(MSVM4011 фирмы Solavolt)
При фиксированном уровне светового потока вырабатывается максимальная мощность, когда в рабочей точке обеспечивается максимальное произведение UI; другими словами, это точка, где кривая UI касается семейства гипербол (постоянное произведение UI), вычерченных на тех же осях. Проще говоря, это излом кривой UI. Поскольку полное сопротивление нагрузки, которое соответствует этому излому, быстро меняется в соответствии с уровнем светового потока, вы не можете надеяться сохранить оптимальное значение нагрузки (которое могло бы быть полным сопротивлением нагрузки, увеличивающимся обратно пропорционально уровню светового потока или другими словами нагрузка, которая отбирает ток пропорционально уровню светового потока при примерно постоянном напряжении). Однако в случае маломощных прикладных задач это не так существенно, что нагрузка отбирает максимальную мощность - собственно говоря это означает, что сама нагрузка записывается при нормальных условиях по световому потоку. Это, например, случай питаемых от солнечных батарей калькуляторов, в которых КМОП-схемы потребляют такой незначительный ток, что имеется резерв мощности, кроме случаев очень низких уровней светового потока. Из-за широкого диапазона напряжений питания "высоковольтной" КМОП ИС 740/4000В (от 3 до 18 В) и того факта, что солнечные элементы имеют напряжение холостого хода, которое относительно независимо от уровня светового потока, вам нет необходимости использовать любые стабилизаторы напряжения; питая КМОП-схему непосредственно от самого солнечного модуля, конечно через шунтирующий конденсатор. Типовой небольшой солнечный модуль, такой, как, например, Solarex SX-2, обеспечивает ток 290 мА при напряжении 8,5 В при солнечном свете и имеет напряжение холостого хода 11В; его можно использовать нестабилизированным для питания высоковольтных КМОП-схем или совместно со стабилизатором для любого семейства логических схем с напряжением питания +5 В.
В любом случае тогда используются аккумуляторы для хранения электрической энергии, при этом стоит отметить довольно хорошее согласование UI характеристик солнечного элемента с требованиями по заряду свинцово-кислотных элементов. Солнечный модуль обеспечивает примерно постоянный ток заряда в разряженной батарее, переходя к режиму постоянного "подзаряжающего" напряжения в конце цикла заряда батареи. Температурный коэффициент напряжения холостого хода (-0,5 %/°С) является приемлемо согласованным с рекомендованным температурным коэффициентом напряжения подзарядки свинцово-кислотных аккумуляторов (-0,18 %/°С). Итак, некоторые изготовители источников питания выпускают солнечные модули, которые предназначены непосредственно для подзарядки свинцово-кислотных аккумуляторов, например М65 фирмы Агсо (2,9 А, 14,5 В). Более же обычный путь - это согласовать солнечные модули с зарядами/подзарядными характеристиками свинцово-кислотных аккумуляторов с помощью схемы последовательного или параллельного стабилизатора, спроектированного специально для этих целей.
Многие солнечные модули и спроектированы для работы в таком режиме, с 20 В напряжения холостого хода и модулем согласующего стабилизатора для зарядки 12-вольтовых аккумуляторов. Стабилизатор переключает режим с зарядки на температурно-компенсированную подзарядку при автоматическом отключении нагрузки, если напряжение на батарее падает слишком низко. Эти системы выпускаются и на напряжения кратные 12 В (24 В, 36 В, 48 В и т. д.), и вы можете приобрести к ним дополнительные принадлежности, такие, как инверторы на 60 Гц (для получения переменного тока) или питаемые от постоянного тока криостаты, чердачные вентиляторы и др.
Некоторые из наиболее известных имен фирм - изготовителей солнечных модулей и систем на них - это Агсо Solar (Chatsworth, СА), Mobil Solar (Waltham, MA), Solarex (Rockville, MD) и Solavolt (Phoenix, AZ).
14.05. Сигнальные токи
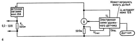
He следует забывать и о возможности применения сигнальных токов для питания микромощных приборов. Четыре из наиболее общих благоприятных возможностей осуществления этого (см. рис. 14.15): а) постоянный ток удержания, протекающий в телефонной цепи, т. е. в режиме "поднятой трубки" (ответ абонента), б) напряжение переменного или постоянного тока, поступающее с релейной схемы, когда она не потребляет энергию, в) постоянный ток 4-20 мА, используемый в промышленной системе сигнализации с токовым контуром и г) последовательный порт RS-232 с биполярными сигналами "квитирования установления связи" (RTS, DSR и др.).
![Искусство схемотехники. Том 3 [Изд.4-е]](/page_images/5/62adb74bc1a11a715c8db3da6f758bac.jpg)
![Пауль Хоровиц, Уинфилд Хилл - Искусство схемотехники. Том 3 [Изд.4-е]](/page_images/5/abfb15e1adf462128d667e2febfd2d18.jpg)
![Пауль Хоровиц, Уинфилд Хилл - Искусство схемотехники. Том 3 [Изд.4-е]](/page_images/5/0d3779f494ed337bc2e5cf5103c99732.jpg)