Имеются прикладные задачи, когда вы не можете ждать целый день, пока это никель-кадмиевые аккумуляторы подзарядятся. В литературе по таким аккумуляторам дается разрешение заряжать нормальные элементы с более "высокой скоростью" от С/30 до С/10, если вы не делаете это слишком долго. При токе С/3 этим пределом является срок приблизительно в три дня. При таких условиях заряда нужно предусмотреть некоторый отвод газов в отличие от "нормального" режима подзарядки при токе С/10, когда выделяющийся кислород рекомбинирует внутри самого элемента. Существуют специальные "быстро заряжаемые" никель-кадмиевые элементы, спроектированные для заряда при токах от С/1 до С/3 в специальных зарядных устройствах, которые чувствуют условия полного заряда, используя текущий контроль температуры элемента (они имеют такой внутренний химический состав, что при достижении требуемого заряда быстро нагреваются). В отличие от ситуации со свинцово-кислотными батареями вы не можете надежно определить, когда никель-кадмиевый аккумулятор полностью зарядится, используя текущий контроль за напряжением на зажимах, поскольку оно меняется при бесконечно повторяемых циклах, температуре и скорости. Никель-кадмиевые аккумуляторы не должны заряжаться при постоянном напряжении, ни сохраняться "подзаряжаемыми" при фиксированном напряжении.
Вы можете приобрести удобные маленькие зарядные устройства никель-кадмиевых аккумуляторов у нескольких компаний, включая также и самих производителей батарей. Они, как правило, используются для заряда аккумуляторов всех популярных типов (D, С, АА и 9 В). Все никель-кадмиевые аккумуляторы имеют свои собственные патологии. Если вы похожи на нас, то, вероятно, возьмете с собой зарядное устройство для подстраховки от того, что ваш подзаряжаемый калькулятор неожиданно умрет при проведении, скажем, ревизии уплаты налогов. Как показывают графики (рис. 14.5), никель-кадмиевые аккумуляторы имеют эффекты "памяти", так что первый разряд после длительного периода подзарядки может быть плохим. Они являются критичными к подаче напряжения обратной полярности; таким образом, первый элемент, который заряжается, страшно страдает, если их последовательность полностью разряжена. Также никель-кадмиевые аккумуляторы не должны соединяться параллельно. Вы должны найти людей, помогающих различными "змеиными снадобьями", такими, как периодический "глубокий разряд" или ударная терапия в виде электролитического конденсатора большой емкости, разряжающегося через умирающий никель-кадмиевый аккумулятор. Хотя мы и скептически относимся к последнему средству, но периодический глубокий разряд полезен для здоровья никель-кадмиевого аккумулятора.
![Пауль Хоровиц, Уинфилд Хилл - Искусство схемотехники. Том 3 [Изд.4-е]](/page_images/5/b8453d1545797f3e6848649da3ea13fc.jpg)
Рис. 14.5. "Глубокий разряд" восстанавливает "хорошее здоровье" никель-кадмиевой батареи.
Свинцово-кислотные. Эти многоцелевые батареи могут быть заряжены при приложении постоянного напряжения, при условии ограничения тока, постоянным током или используя что-нибудь среднее. При подзарядке ограниченным током и при постоянном напряжении вы подаете фиксированное напряжение (в типовом случае от 2,3 до 2,6 В на элемент); сама батарея первоначально получает высокий ток (вплоть до 2С), который затем падает, по мере того как она заряжается, окончательно достигая значения капельного тока, который и поддерживает саму батарею в полностью заряженном состоянии. Более высокое приложенное напряжение дает вам более быстрый заряд, но ценой большего зарядного тока и уменьшения общего времени жизни батареи. В наиболее простой реализации этого процесса можно использовать 3-контактный стабилизатор, такой, как 317, который обеспечивает питание ограниченным током при фиксированном напряжении. Заряд батареи можно поддерживать бесконечно при сохранении фиксированного "подзаряжающего" напряжения между 2,3 и 2,4 В на элемент (что соответствует капельному току от С/1000 до С/500). На рис. 14.6 показаны характеристики этих режимов. Эти заряжающие и подзаряжающие напряжения имеют мягкую температурную зависимость, которая должна быть отрегулирована на значение - 4 мВ/°С при работе на краях температурного диапазона.
![Пауль Хоровиц, Уинфилд Хилл - Искусство схемотехники. Том 3 [Изд.4-е]](/page_images/5/1662b70249c7d2d936b476f4340b6fe2.jpg)
Рис. 14.6.Избыточное подзаряжающее напряжение уменьшает срок службы батарей свинцово-кислотных аккумуляторов.
При подзарядке постоянным током (который не так часто используется) вы подаете фиксированный ток, как правило, от С/5 до С/20; напряжение на батарее по мере ее заряда постепенно возрастает, затем при достижении полного заряда наблюдается резкий его рост. В этой точке (соответствующей напряжению на зажимах 2,5 В/элемент) необходимо уменьшить ток, в типовом случае до фиксированного значения С/500, при котором будет поддерживаться полный заряд батареи бесконечно долго. Герметизированные свинцово-кислотные батареи будут иметь срок службы в течение 8-10 лет, когда их заряд производится при скорости С/500.
Прекрасный метод подзарядки свинцово-кислотных аккумуляторов предлагает так называемая двухшаговая процедура (рис. 14.7).
![Пауль Хоровиц, Уинфилд Хилл - Искусство схемотехники. Том 3 [Изд.4-е]](/page_images/5/b0ad02f3a864adde0be35ead9877d2b4.jpg)
![Пауль Хоровиц, Уинфилд Хилл - Искусство схемотехники. Том 3 [Изд.4-е]](/page_images/5/b72a9e43fef5f9facf758cfab9c48909.jpg)
Рис. 14.7.Рекомендуемый цикл подзарядки батареи свинцово-кислотного аккумулятора ("двухшаговый").
После предварительного "капельного" заряда вы начинаете при высоком токе фазу "объемного заряда", при этом подавая высокий фиксированный ток Iмакс до тех пор, пока напряжение на батарее не достигнет "избыточного" значения, Uизб. Затем это напряжение поддерживается на постоянном уровне Uизб при проведении текущего контроля (падающего) тока, до тех пор пока этот ток не достигнет значения "избыточного переходного тока" Iизб-перех. После этого вы поддерживаете постоянным "подзаряжающее напряжение" Uподзар, которое меньше, чем напряжение Uизб. Для 12-вольтовой свинцово-кислотной батареи с емкостью 2,5 А·ч типовые значения составляют: Iмакс = 0,5 А, Uизб = 14,8 В, Iизб-перех = 0,05А и U = 14,0 В. Хотя смысл этой процедуры не очевиден, она приводит к быстрому и без повреждения подзаряду батареи. Фирма Unitrode изготавливает прекрасную ИС, а именно UC3906, которая имеет как раз все то, что необходимо для реализации этого процесса. Она даже включает в себя внутренний источник эталонного напряжения, который следит за температурными характеристиками, свинцово-кислотных элементов и требуется только внешний проходной р-n-р-транзистор и четыре устанавливающих параметры резистора.
Перспективность батарей и основные рекомендации. Как мы и утверждали вначале, это действительно хорошая идея проектировать прибор, используя популярную и легко доступную батарею. В верхней части перечня располагаются 9-вольтовые "транзисторные" батареи, известные под общим обозначением NEDA 1604 (1604 - LeClanche; 1604D - мощные; 1604А - щелочные; 1604М - ртутные; 1604LC - литиевые; 1604NC - никель-кадмиевые). Во всем мире вы можете купить 9-вольтовые щелочные батареи даже в любом отделе продуктового магазина (или открытого рынка).
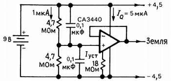
Операционные усилители хорошо работают при напряжении питания +9 В; вы можете даже использовать ±4,5 В, если применить резистивный делитель и повторитель для формирования потенциала взвешенной "земли" (рис. 14.8; рассматривается дальше в разд. 14.08).
![Пауль Хоровиц, Уинфилд Хилл - Искусство схемотехники. Том 3 [Изд.4-е]](/page_images/5/a377135c02badf73c12f693cc797f5de.jpg)
Рис. 14.8.Способ формирования с помощью единственной батареи источника питания с биполярным напряжением.
Существуют чудесные маленькие пластмассовые корпуса для приборов, которые заканчиваются внизу отделением для батареи на 9 В, поставку которых осуществляют многие фирмы-изготовители и по очень привлекательным ценам. Мы рекомендуем все-таки использовать щелочные элементы, а не цинко-угольные, поскольку они обладают улучшенными электрическими характеристиками, как это было показано ранее.
Новая литиевая батарея "Ultralife" фирмы Kodak с напряжением 9 В, которая выглядит как реальный победитель, имеет емкость 100 мА·ч, большую долговечность при хранении (сохраняя 80 % энергии после 10 лет хранения) и плоскую характеристику разряда (рис. 14.9). Разработчики в ней мудро используют 3 элемента, а не 2, так что напряжение на зажимах близко к 9 В, т. е. так же, как и у щелочной батареи. Наши предварительные измерения на ранних выборках показали, однако, в некоторой степени высокое внутреннее полное сопротивление.