Пауль Хоровиц - Искусство схемотехники. Том 3 [Изд.4 е] стр 6.

Шрифт
Фон

Пауль Хоровиц, Уинфилд Хилл - Искусство схемотехники. Том 3 [Изд.4-е]

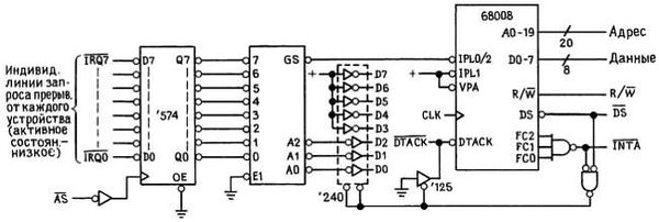
Рис. 11.8.Полновекторизованное прерывание.

Здесь нет необходимости использовать неуклюжую цепочечную структуру, которая заменяется линиями запроса от каждого устройства. Состояния этих линий фиксируются в начале каждого цикла магистрали (фронтом сигнала AS) и поступают в дешифратор приоритета (который генерирует двоичный адрес возбужденного входа с максимальным номером, см. разд. 8.14). Кроме этого, дешифратор генерирует выходной сигнал (GS'), если возбуждается любой из входов; этот сигнал используется для инициации прерывания ЦП. Для простоты мы поместили прерывания от всех устройств на один уровень IPL. ЦП отзывается на прерывание, сохраняя в стеке адрес возврата, после чего инициирует цикл подтверждения (рис. 11.6). В течение цикла подтверждения наша схема устанавливает вектор (образованный в схеме приоритетного отбора), а также сигнал DTACK'. После этого ЦП выполняет векторный переход на соответствующий обработчик.

Рассмотренная схема проста в реализации, и для семейства МП 68000 она работает быстрее, чем схема автовекторизации. Далее, относительно просто достигается увеличение числа прерывающих устройств степенями 8 при использовании дополнительных микросхем `574 и `148. От каждого периферийного устройства требуется выделенная линия (не одна линия шины); хотя при этом нарушается симметрия шины данных, такой способ предпочтительнее приоритетной цепочки, которая совершенно перестает работать, если забыть надеть перемычки на неиспользуемые разъемы. Фактически в новых компьютерных магистралях (например, магистраль NuBus машины Macintosh II) все чаще используются линии прерываний, разведенные по разъемам.

Отметим любопытную (и немаловажную) деталь в приведенной схеме. Вам может показаться странным, что индивидуальные запросы прерываний, генерируемые в устройствах с помощью фиксируемых бит (см., например, рис. 10.12), повторно фиксируются в схеме - 574. Причина этого носит тонкий характер. Прерывающие устройства, как правило, являются асинхронными по отношению к тактовым сигналам ЦП, и могут генерировать прерывания в любое время. Если второе периферийное устройство пошлет запрос прерывания в тот момент, когда ЦП считывает вектор первого прерывающего устройства, а фиксаторы в схеме обработки прерываний отсутствуют, установленный на шине вектор изменится "на полдороги" (в течение цикла подтверждения прерывания и получения вектора), что приведет к непредсказуемым результатам. Вы можете возразить, что такая ситуация маловероятна, и будете правы; однако она может возникнуть и вы даже можете оценить вероятность ее появления. Откладывая момент принятия решения о "намерении прервать" на начало каждого цикла шины, мы устраняем отмеченную проблему (вообще говоря, из-за явления "метастабильности" незначительная вероятность ошибки остается; если вам не хватает поводов для беспокойства, см. разд. 8.17).

Упражнение 11.4. Пусть мы рискнули отказаться от фиксирующего регистра `574 в установке, содержащей два асинхронных устройства, посылающих сигналы прерываний со скоростью 1000 прерываний в секунду каждое. Предположим, что цикл получения вектора имеет критическое временное окно в 1 нc, в течение которого смена установленного вектора приведет к чтению неправильного вектора (т. е. ЦП прочитает номер вектора, отличный от обоих установленных векторов). Оцените, сколь часто ЦП, осуществляя векторный переход, будет попадать пальцем в небо (с аварией системы).

Еще одно замечание по поводу нашей схемы. В процессорах серии 68000 предусмотрена команда HALT, которая прекращает все процессы на шине, но не исключает повторного пуска системы с помощью прерывания (а также, естественно, полной перезагрузки). К сожалению, наша схема не предусматривает повторный пуск по прерыванию (почему?). Таким образом, вы должны либо обойтись без команды HALT, либо использовать какой-то другой сигнал (возможно, производный от сигнала CLK) для фиксации запросов прерываний.

В МП 68000 предусмотрена возможность установки 192 различающихся векторов прерываний с номерами от 40Н до FFH; соответствующие адреса переходов (т. е. адреса соответствующих сервисных программ) хранятся в ячейках памяти 100H-3FFH.

Прямой доступ к памяти. В системах на базе МП 68000 прямой доступ не реализуется установленным на плате контроллером ПДП с адресными счетчиками и проч., как это имеет место в системах с магистралью PC. Напротив, МП 68000 полностью освобождает шину, передавая ее новому ведущему; новый ведущий шины (которым может быть как другой МП 68000, так и простенький периферийный интерфейс) может затем выполнять любые действия, включая (но не ограничиваясь ими) классические функции ПДП пересылки данных в память или из нее.

Чтобы сделаться ведущим шины, любое устройство может выдать "Запрос шины", установив на линии BR' (через проводное ИЛИ) низкий уровень. ЦП очень серьезно относится к этой процедуре, во мгновение ока (?) устанавливая на линии "шина предоставлена" BG' низкий уровень. ЦП также прекращает контролировать состояние всех линий шины (кроме BG'), включая адрес, стробы и другие управляющие линии, помеченные индексом в табл. 11.4. Теперь внешнее устройство контролирует шину, и это состояние длится до снятия сигнала BR', после чего ЦП возвращает себе роль ведущего. Внешний ведущий обязан управлять шиной по тем же правилам, которым следует ЦП, чтобы не сбивалась работа остальных устройств, подключенных к шине. Собственно, они даже и не узнают, что произошло что-то необычное, если только не посмотрят на состояние линий BR'/BG'.

Если ведущими шины пытаются стать несколько устройств, они должны как-то разобраться между собой (выполнить арбитраж). Заметьте, что ЦП контролирует состояние линии BG', тем самым в какой-то мере управляя всем процессом.

Остальные сигналы магистрали. Ниже дано описание остальных сигналов, перечисленных в табл. 11.4.

CLK. Это вход для сигналов тактового генератора (см. рис. 11.3 и 11.4). Мы рекомендуем использовать какой-либо из недорогих кварцевых генераторов в DIP-корпусе, выпускаемых компаниями CTS, Dale, Motorola, Statec или Vectron. МП 68008 лучше работает с тактовыми сигналами симметричной формы, которые легко получить с помощью триггера, подключенного к выходу генератора. Максимальная допустимая частота обычно указывается в обозначении микропроцессора (и памяти тоже): последние варианты МП 68008 работают до частоты 10 МГц (МС 68008Р10). Двухбайтовые команды обычно выполняются за четыре периода тактовых импульсов (как на рис. 11.4), однако команды с более сложными способами адресации должны несколько раз обращаться к памяти, что может потребовать до 70 тактов или около того.

BERR. Вы устанавливаете этот входной сигнал, чтобы сообщить ЦП, что произошел сбой в работе шины. Например, если никто не установит сигнал DTACK' в ответ на строб данных, ЦП будет ждать его вечно; это может произойти, если программа обращается к несуществующей памяти. Установка сигнала BERR' вызывает переход (напоминающий переход при прерывании и называемый "исключением") на программу обработчика. Ниже на рис. 11.10 будет показана простая схемная реализация сигнала BERR.

RESET' и HALT'. Эти сигнальные линии необычны в этом отношении, что служат и как входы (для сброса или останова процессора), и как выходы (с помощью которых ЦП может инициализировать систему). Взгляните снова на рис. 11.10, где показан простой способ использования этих линий.

Е (разрешение). Может показаться, что этот выходной сигнал имеет большое значение, однако это не так. Сигнал Е (в комбинации с VPA') облегчает подключение к МП 68008 старых периферийных микросхем серии 6800 (разработанных для синхронного относительно медленного 8-разрядного микропроцессора 6800). В других случаях сигнал Е можно игнорировать.

Пример законченной разработки: аналоговый усреднитель сигналов

В последующих разделах мы займемся проектированием законченного прибора на базе МП 68008 - аналогового "усреднителя сигналов" (вопросы усреднения будут обсуждаться в разд. 15.13). Прибор будет включать в себя ЦП с соответствующими электронными схемами для получения сигналов DTACK, BERR и других, память (ОЗУ и ПЗУ) и много разных интерфейсов: микропереключатели в DIP-корпусе, матрица электролюминисцентных диодов (ЭЛД), последовательный и параллельный порты, календарь-часы/таймер, аналого-цифровые и цифро-аналоговые преобразователи (АЦП и ЦАП), а также твердотельное реле для переключения цепей переменного тока. Как видите, мы задумали включить в наш прибор всего понемногу, чтобы получить микропроцессорный модуль общего назначения, перенастройка которого осуществляется сменой управляющей программы.

Ваша оценка очень важна

0
Шрифт
Фон

Помогите Вашим друзьям узнать о библиотеке