Пауль Хоровиц - Искусство схемотехники. Том 3 [Изд.4 е] стр 57.

Шрифт
Фон

В дифференциальном каскаде в качестве источника эмиттерного тока используется токовое зеркало, "отражающее" ток опорного источника, что позволяет согласовать эти параметры схемы. Для снятия перегрузок используются Д1 и Д2. Хотя это и усложнит схему, ограничивающий диод Д1 можно подключить к коллектору TE (вместо земли), чтобы уменьшить отрицательные выбросы на входе.

Характеристики. На рис. 13.61 показана форма выходных импульсов и зависимость их длительности от величины входных импульсов (измеряемой как количество заряда). Эти выходные импульсы растягиваются при больших перегрузках, но общие характеристики достаточно хороши по сравнению с обычными предусилителями для фотоумножителей.

Пауль Хоровиц, Уинфилд Хилл - Искусство схемотехники. Том 3 [Изд.4-е]

Рис. 13.61. Характеристика импульсов усилителя на рис. 13.60.

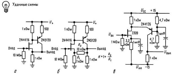
СХЕМЫ, НЕ ТРЕБУЮЩИЕ ПОЯСНЕНИЙ

13.28. Удачные схемы

Несколько удачных широкополосных схем изображены на рис. 13.62.

Пауль Хоровиц, Уинфилд Хилл - Искусство схемотехники. Том 3 [Изд.4-е]

Рис. 13.62. Удачные схемы. а - широкополосный повторитель: высокое Z, малая входная емкость; б - усилитель: высокое Z, малая входная С; в - малошумящий видеоусилитель с малой входной емкостью (инвертирующий каскод).

Дополнительные упражнения. (1) Проработайте детально высокочастотный режим схемы (рис. 13.10), которая кратко описана в разд. 13.05. (а) Начните с повторения расчета частотных характеристик стыка предварительного усилителя и выходного каскада, эквивалентная схема которого изображена на рис. 13.12. Будьте внимательны при определении эквивалентных комплексных сопротивлений. Напишите одному из авторов, если вы обнаружите ошибку! (б) Теперь обратите внимание на то, что высокочастотный спад предварительного каскада начинается на существенно более высокой частоте, чем сопрягающая частота 180 МГц выходного каскада и его возбудителя. Особенно проверьте следующие точки: выходное (эмиттерное) сопротивление каскада T1, подключенное к емкостной нагрузке (см. рис. 13.11); выход Т2, работающий на почти такую же емкостную нагрузку (поскольку коллектор Т4 не заземлен); эмиттеры Т3 и Т4 и их емкостную нагрузку; коллектор Т4 с его емкостной нагрузкой.

(2) Чему равно сопротивление на входе отрезка коаксиального кабеля, когда (а) на дальнем конце цепь разомкнута и длина составляет 1/4 длины волны при заданной частоте, (б) на дальнем конце цепь короткозамкнута и длина та же при заданной частоте, (в) то же, что и в п. (а), но длина составляет 1/2 длины волны, (г) то же, как и в п. (б), но длина составляет 1/2 длины волны? На результатах, полученных в п. (г), основана так называемая "заглушка", используемая в волноводах.

(3) Подробно решите задачу определения времен нарастания и спада для высоковольтной переключательной схемы (рис. 13.55), которая описывалась в разд. 13.24. Примите для Uбэ величину 0,7 В.

(4) Нарастание и спад в шинном возбудителе: рассчитайте времена нарастания и спада для ТТЛ-схемы шинного возбудителя на рис. 13.57, как описывалось в разд. 13.25. Примите Uбэ = 0,7 В.

(5) Постройте видеоусилитель с коэффициентом усиления +5 и спадом частотной характеристики на 20 МГц или выше. Входное сопротивление должно быть 75 Ом, а выходное должно обеспечивать работу на нагрузку 75 Ом при размахе напряжения 1 В от пика к пику. Здесь хорошо для построения неинвертирующего усилителя использовать на входе каскад с общей базой и эмиттерный повторитель на выходе, как предлагается на рис. 13.63. Если ваша схема подобна этой, то закончите построение схемы выбором рабочих токов, номиналов резисторов и элементов цепей смещения. Конечно, можно использовать, если вы хотите, нечто подобное комбинации дифференциального усилителя с каскодной схемой и повторителем. Помните, что усиление должно быть неинвертирующим, иначе изображение будет обратным.

Пауль Хоровиц, Уинфилд Хилл - Искусство схемотехники. Том 3 [Изд.4-е]

Рис. 13.63.

Глава 14
ПРОЕКТИРОВАНИЕ МАЛОМОЩНЫХ УСТРОЙСТВ

Введение

Перевод М.Н. Микшиса

Переносные компактные контрольно-измерительные приборы, регистраторы данных, которые производят измерения на океанском дне, цифровые модемы, использующие для своего питания "ток удержания" телефонной линии - это только несколько примеров прикладных задач, где желательно (или необходимо) использование технических приемов проектирования маломощных электронных устройств. Среди таких приборов вы часто можете встретить примеры из всех уже рассмотренных разделов этой книги, а именно стабилизированные источники питания, линейные схемы (как на дискретных элементах, так и на ОУ), цифровые схемы (почти неизменно КМОП) и связанные с ними методы преобразования и все в большей и большей степени микропроцессорные схемы значительной сложности. Хотя время от времени мы и рассматривали вопросы потребления мощности и выбирали решения, обеспечивающие компромисс между быстродействием и мощностью (например, при сравнении серий логических микросхем), при проектировании микромощных электронных устройств применяются специальные технические приемы и имеются определенные ограничения. Во всех отношениях для этого требуется специальная глава.

Начнем же мы с рассмотрения такого класса прикладных задач, где желательно или жизненно важно обеспечить малое потребление мощности. Трудно описать все те разнообразные экзотические случаи, где имеется изобилие мощности питания в сети переменного тока, а при этом батарейное питание приборов дает лучшие результаты и более приемлемо. Далее предлагается обзор источников питания, которые имеет смысл применять в маломощных электронных устройствах, начнем же с повсеместно применяемых "гальванических" (неподзаряжаемых) элементов (щелочные, ртутные, серебряные, литиевые) и тесно с ними связанных "аккумуляторных" (подзаряжаемых) элементов (никель-кадмиевые, свинцово-кислотные, "желатиновые" элементы). Мы безжалостно преследовали представителей фирм-изготовителей батарей с целью добывания у них последних новинок технической литературы и, таким образом, мы предлагаем вам действительно очень полезные данные, где дано сравнение батарей по содержанию энергии, характеристикам разряда, влиянию температуры окружающей среды, скорости разряда, условиям хранения и т. д. Наша цель - помочь вам в правильном выборе батареи для вашей прикладной задачи.

Батареи - это не единственные источники питания, которые мы будем рассматривать, далее перейдем к изучению тех "включаемых в розетку" небольших черных пластмассовых модулей, которые поставляются совместно с покупаемыми электронными изделиями. Эти включаемые в розетку блоки замечательны своей дешевизной и представляют собой простые трансформаторы или нестабилизированные источники постоянного тока (трансформатор - выпрямитель - конденсатор) или могут быть полностью законченными стабилизированными источниками постоянного тока; они также могут иметь два или три номинала выходного напряжения. Солнечные элементы полезны в некоторых необычных прикладных задачах, так что мы их также рассмотрим. Наконец, следует упомянуть и об использовании сигнальных токов; для примера укажем протекающий в телефонной линии постоянный ток или переменный ток через реле, обеспечивающее подключение термостата или дверного звонка, от которых можно питать микромощное оборудование.

Затем мы приступим к рассмотрению вопросов разработки маломощных устройств при той же глубине проработки, как и в остальных частях этой книги, сохраняя сходный порядок изучения предмета, а именно, стабилизаторы и эталонные источники, затем линейная схемотехника (на дискретных элементах и ОУ), цифровые схемы и методы преобразования, и наконец, микропроцессоры и память. Известны, кроме того, технические приемы, которые не применяются при типовом проектировании, как, например, "переключение мощности", когда обычная схема выводится из микромощного режима при подаче постоянного тока в течение крайне коротких интервалов времени; например, на регистратор данных с микропроцессора должно подаваться питание в течение 20 мс через интервалы в 60 с. Мы рассмотрим некоторые из таких приемов и укажем странные ловушки, которые ожидают непосвященных.

Ваша оценка очень важна

0
Шрифт
Фон

Помогите Вашим друзьям узнать о библиотеке