![Пауль Хоровиц, Уинфилд Хилл - Искусство схемотехники. Том 3 [Изд.4-е]](/page_images/5/f04ff323527af3b94dc6f8dd22aec51b.jpg)
nМОП-прибор, работающий от 4–5 В (см. разд. 9.09), имеет малую нагрузочную способность, поэтому необходимо, чтобы резистор базы был велик. Для того, чтобы подчеркнуть эффекты, связанные с наличием параметров, подобных Скб, мы выбрали два очень распространенных транзистора.
Время нарастания рассчитывается по приведенной выше методике. Для линейного нарастания вследствие интегрирования имеем:
![Пауль Хоровиц, Уинфилд Хилл - Искусство схемотехники. Том 3 [Изд.4-е]](/page_images/5/a4db3167c3a402b1ad591c124ea1539c.jpg)
Выбор транзистора. Ситуация видна из рис. 13.58.
![Искусство схемотехники. Том 3 [Изд.4-е]](/page_images/5/a16a1cdf6bbd6b98378edbedf337fbbc.jpg)
Рис. 13.58.
Параметры, полученные для 2N5137, полностью определяются действием емкости обратной связи, усиливающимся из-за относительно высокого сопротивления источника сигнала. Переходные процессы для 2N4124, вероятно, оценены чуть-чуть оптимистично, поскольку они соответствуют частоте около 10 МГц, при которой h21э, скорее всего, несколько ниже предполагаемого значения.
Интересно измерить время достижения напряжения порога ТТЛ (~1,3 В) как основной параметр системы с запуском вентилей ТТЛ шинными сигналами. Если не учитывать времена рассасывания и задержки, то времена достижения порогов ТТЛ будут следующие:
![Пауль Хоровиц, Уинфилд Хилл - Искусство схемотехники. Том 3 [Изд.4-е]](/page_images/5/195e056c14c5623368a18a8ec188ad8e.jpg)
Времена нарастания и спада, измеренные нами, находятся в разумном согласии с предсказанными по нашей несколько упрощенной модели, за исключением, пожалуй, лишь времени нарастания для 2N4124. Имеется несколько возможных объяснений, почему рассчитанное время нарастания в этом случае получилось слишком малым. В расчетах значение h21э бралось при 10 МГц, в то время как время нарастания 17 нс не соответствует более высоким частотам и, следовательно, более низким значениям h21э. Кроме того, практические измерения для этого транзистора дают Скб = 2,2 нФ при 10 В и Скб = 3 пФ при 2 В. Любопытно, что использовавшийся нами 2N5137 имел реально гораздо меньшее значение Скб (~5 пФ), чем указанное в паспорте, и поэтому нам пришлось добавить небольшой конденсатор в схему, чтобы "довести" Скб до "паспортной величины". Это, скорее всего, означает, что технологический процесс изменился уже после публикации данных о параметрах транзистора.
Упражнение 13.2 Проверьте результаты расчётов для dU/dt (нарастание и спад) иUк.
Снижение питания до +3 В. Заметим, что время достижения порога ТТЛ при переходе из состояния ВЫСОКОГО уровня к НИЗКОМУ гораздо больше, чем при обратном переходе, даже если скорости нарастания и спада выходного сигнала (в случае схемы на 2N4124) почти одинаковы. Это связано с тем, что пороговое напряжение ТТЛ расположено несимметрично между +5 В и землей, и поэтому коллекторное напряжение на спаде для достижения порога должно измениться на большую величину. По этой причине шины ТТЛ часто подключаются к источнику +3 В (для этого иногда используют пару последовательно соединённых диодов, подключенных к +5 В), или каждая линия шины может быть подключена к делителю напряжения, как показано на рис. 13.59.
![Пауль Хоровиц, Уинфилд Хилл - Искусство схемотехники. Том 3 [Изд.4-е]](/page_images/5/2a0d4be781c9eda01a969cc2aa14a37d.jpg)
Рис. 13.59.
Упражнение 13.3. Рассчитайте время нарастания и спада и время задержки распространения для 2N4124, управляющего описанной выше шиной с Сн = 100 пФ. Результат изобразите графически.
13.27. Пример схемы: предусилитель для фотоумножителя
В гл. 15 будут рассмотрены так называемые фотоэлектронные умножители (ФЭУ), устройства, широко используемые в качестве детекторов света, сочетающих высокую чувствительность с высоким быстродействием. Фотоумножители находят применение и там, где измеряется не собственно световое излучение, как, например, в качестве детекторов частиц высоких энергий, в которых кристалл сцинтиллятора при бомбардировке его частицами дает световые вспышки. Чтобы полностью использовать все возможности фотоумножителей, необходим зарядово-чувствительный быстродействующий дискриминатор - схема, которая генерирует выходной импульс при условии, что импульс заряда на входе превышает некоторый порог, соответствующий детектируемым световым фотонам.
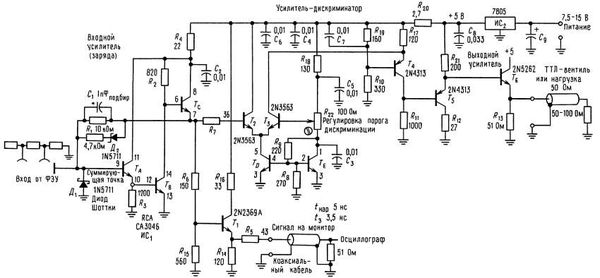
На рис. 13.60 приведена схема быстродействующего предусилителя для фотоумножителя и дискриминатора, в которую входит ряд высокочастотных и переключательных устройств, обсуждаемых в этой главе.
![Пауль Хоровиц, Уинфилд Хилл - Искусство схемотехники. Том 3 [Изд.4-е]](/page_images/5/2ac48929f89054f06e87ad7b26cea0e5.jpg)
Рис. 13.60. Быстродействующий зарядный усилитель для счета фотонов на фотоумножителе. Входная цепь должна иметь внешнюю "паразитную" емкость по крайней мере 10 пФ; для низкоемкостных входов (< 20 пФ) используют Ct= 0,5 пФ; при емкостях источника, достигающих 100 пФ, используют для С, от 1,0 до 1,5 пФ. Фотонный дискриминатор (используется для ФЭУ с высоким усилением); выход для ТТЛ: импульсы 20 нc; 50 Ом; порог 0,1–1,5 пКл, регулируемый; задержка 10 нc, разрешение двух импульсов 30 нc, 100 нc при перегрузке.
На выходе фотоумножитель выдает отрицательные импульсы зарядов (электроны отрицательны), причем длительность каждого импульса равна 10–20 нс. Импульсы большой амплитуды соответствуют детектируемым фотонам (квантам света), но имеется также и множество малых импульсов, которые возникают из-за шумов в самой фотоумножительной трубке и которые возникают должны отсекаться дискриминатором.
Описание схемы. Схема начинается с инвертирующего выходного усилителя (ТА-ТС), у которого обратная связь по току (и заряду) осуществляется через R1 и С1. Входной повторитель имеет малое выходное сопротивление и возбуждает ТВ (каскад усиления по напряжению), тем самым снижается влияние емкости обратной связи ТВ (Скб). Повторитель на выходе блока усиления ТС обеспечивает низкое выходное сопротивление, а ТВ - достаточное значение коэффициента усиления. Небольшой положительный импульс на эмиттере ТС соответствует отрицательному заряду, поступившему на вход с ФЭУ; обратная связь по постоянному току стабилизирует выход ТС примерно на уровне 2Uбэ. Т1 смещен как эмиттерный повторитель класса А и обеспечивает низкоомный "мониторный" выход для наблюдения усиленных импульсов с фотоумножителя, поступающих на дискриминатор.
Дифференциальный усилитель на Т2и Т3образует дискриминатор: порог сравнения устанавливается потенциометром R22, подключенным к источнику опорного напряжения (Те, работающий в режиме "диодного стабилизатора"), которое изменяется одинаково с входным напряжением покоя 2Uбэ усилителя. Такое "слежение" за диодным падением напряжения обеспечивается за счет того, что транзисторы ТА-ТE представляют собой монолитную транзисторную матрицу (СА3046) и все находятся при одной температуре. Транзистор Т4 вместе с Т3 образуют инверсную каскодную схему, обеспечивающую необходимые быстродействие и сдвиг уровня. Два каскада выходных повторителей, построенные на транзисторах с противоположной полярностью Т5 и Т6, чтобы компенсировать смещение Uбэ, завершают схему.
В этой схеме следует отметить некоторые интересные особенности. Чтобы получить хорошие характеристики по быстродействию, статические токи транзисторов выбираются сравнительно большими (дифференциальная пара Т2, Т3 имеет эмиттерный ток 11 мА, ток покоя Т5 равен 20 мА, а выходной транзистор потребляет 120 мА, чтобы обеспечить возбуждение нагрузки в 50 Ом). Заметим, что база каскодного каскада (Т4) шунтирована на U+, а не на землю, так как его входной сигнал связан с U+ через R17.