Пауль Хоровиц - Искусство схемотехники. Том 3 [Изд.4 е] стр 42.

Шрифт
Фон

Пауль Хоровиц, Уинфилд Хилл - Искусство схемотехники. Том 3 [Изд.4-е]

Рис. 13.11.Эквивалентная схема по переменному току для усилителя, изображенного на рис. 13.10. Низкая частота: Zвх ~= 40 кОм, КU = 300/10 = 30, Zвых = 8 Ом; для 2N5179: h21э~= 70, Скб (2 В) = 0,5 пФ, Скэ= 0,2 пФ, h21э(100 МГц, 5 мА) = 10, Спар= 0,3 пФ.

Чтобы определить точку начала высокочастотного спада, надо рассмотреть каждый каскад, анализируя различные RC, используя соответствующие эквивалентные схемы. Обычно имеется один каскад, который имеет самую низкую граничную частоту, и часто интуитивно можно правильно угадать, какой именно. В данной схеме ограничивающим фактором является конечное полное сопротивление цепи базы каскада на Т7(300 Ом) в сочетании с собственной емкостью Т7и емкостью нагрузки Сн, частично шунтирующей базу Т7(помните, что h21э изменяется приблизительно как 1/f, так что при высоких частотах развязывающее действие эмиттерного повторителя всерьез ослабляется).

Упрощенный метод расчета точки спада -3 дБ, который мы применим, будет состоять в следующем. Взяв эквивалентную схему эмиттерного повторителя на Т7, определим импеданс цепи базы при известных емкостях нагрузки, переходов и проводов (полагаем, что Скб = 0,5 пФ, Скэ= 0,2 пФ и Сп = 0,3 пФ).

Поскольку полное сопротивление цепи базы при известных емкостях нагрузки зависит от h21э, следовало бы рассчитать его как функцию частоты (положив h21э ~= 1/f на высоких частотах); но вместо этого оценим его при нескольких значениях частоты, предполагая, что точка - 3 дБ должна лежать где-то вблизи нескольких сот мегагерц. На рис. 13.12 дан итог этого процесса.

Пауль Хоровиц, Уинфилд Хилл - Искусство схемотехники. Том 3 [Изд.4-е]

Рис. 13.12.Эквивалентные схемы для расчета верхней сопрягающей частоты схемы рис. 13.10.

Полное сопротивление нагрузки было рассчитано на частотах 100, 200 и 400 МГц, далее умножено на коэффициент усиления транзистора по току (учитывается, что h21э ~= 1/f), скомбинировано с другими импедансами, которые всегда имеются в цепи базы, а затем определялось результирующее значение импеданса, чтобы получить относительные значения выхода в функции частоты. Как можно видеть, выходное напряжение снижается на -3 дБ на частоте, равной приблизительно 180 МГц.

Теперь, используя эту оценку граничной частоты, следует посмотреть, будут ли другие RС-цепи давать значительное ослабление на этой частоте. Например, для каскада на Т4 коллекторная цепь должна вызывать снижение усиления на - 3 дБ вблизи 1000 МГц, если в качестве расчетного значения h21э принять усиление транзистора на 180 МГц (h21э ~= 5). Другими словами, каскадная часть схемы не ухудшает общую характеристику.

Этим простым способом можно непосредственно удостовериться, что другие цепи схемы не вносят более низких частот ослабления -3 дБ. При рассмотрении входного каскада следует задаться определенным значением сопротивления источника сигнала. При Zн = 1000 Ом (довольно высокое сопротивление для видеосхем, подобных этой) окажется, что сочетание сопротивления источника и входной емкости (1,0 кОм, 0,8 пФ) даст точку ослабления - 3 дБ вблизи 200 МГц. Таким образом, характеристика этой схемы значительно лучше, чем у рассмотренной выше.

13.06. Уточненные модели схем по переменному току

Объемное ("распределенное") сопротивление базы. Стоит отметить, что модели, которыми мы пользовались, в некотором смысле упрощены, в них не учитываются некоторые важные эффекты, как, например, конечное сопротивление базы r'Б. Для высокочастотных транзисторов указывается параметр r'БСкб - постоянная времени коллектор-база. Для 2N5179 она равна 3,5 пс (ном.), эта величина определяется объемным сопротивлением базы, равным приблизительно 7 Ом. При анализе характеристик на очень высоких частотах такие эффекты необходимо включать в расчет; в этом примере они отсутствуют и не влияют на выводы, сделанные нами ранее.

Расщепление полюсов. Другим упрощением в предыдущих рассуждениях было допущение, что каждое RС-звено вызывает спад усиления независимо от других. То, что здесь должно быть некоторое взаимодействие, легко видеть по следующим соображениям: эффект Миллера сам по себе является формой высокочастотной отрицательной обратной связи. Поскольку он определяется выходным напряжением, то он должен снижать полное сопротивление выходной цепи транзисторного каскада, в особенности на высоких частотах, где его "петлевое усиление" велико (конечно, при этом он вызывает уменьшение усиления по напряжению, которое является проблемой в целом). В результате уменьшение сопротивления цепи коллектора сдвигает спад, связанный с RнСн, в область более высоких частот, поскольку выходное сопротивление цепи коллектора параллельно Rн. Таким образом, снижение сопрягающей частоты, связанной с эффектом Миллера (за счет возрастания KU или Скб), вызывает подъем сопрягающей частоты, связанной с емкостью коллектора и нагрузки. Это явление известно как "расщепление полюса".

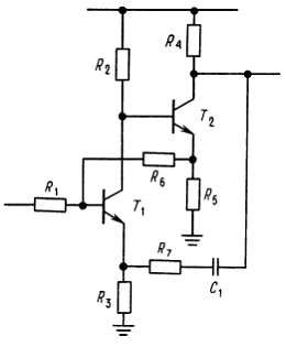
13.07.Последовательно-параллельные пары

В широкополосных усилителях с низким коэффициентом усиления распространены схемы на последовательно-параллельных парах транзисторов (рис. 13.13).

Пауль Хоровиц, Уинфилд Хилл - Искусство схемотехники. Том 3 [Изд.4-е]

Рис. 13.13.Последовательно-параллельные пары.

Идея заключается в создании усилителей с низким коэффициентом усиления (возможно, около 10 дБ) и с плоской характеристикой в широкой области частот. В этих схемах удачно применяется отрицательная обратная связь для расширения полосы пропускания. Однако отрицательная обратная связь сама по себе может быть источником неприятностей на высоких частотах из-за неконтролируемого сдвига фазы, если петлевое усиление в контуре будет велико. В последовательно-параллельных парах эти трудности преодолеваются за счет введения нескольких контуров обратной связи, в каждом из которых петлевое усиление невелико.

В схеме рис. 13.13 оба каскада, T1и Т2, работают как усилители с низким коэффициентом усиления по напряжению, так как их эмиттерные резисторы не зашунтированы. R6 обеспечивает обратную связь, охватывающую только T1, так как T2работает как повторитель в этой цепи. Благодаря тому, что полное усиление по напряжению для каскада на T1определяется отношением (R6/R1), R4может подбираться в соответствии с необходимым усилением (R4/R5) незамкнутого контура Т2. И наконец, обратная связь к эмиттеру Т1 добавляется для уменьшения усиления до его расчетной величины.

Последовательно-параллельные пары удобны для блочного построения усилителей, так как они чрезвычайно стабильны и просты по конструкции. С их использованием легко строить усилители с шириной полосы до 300 МГц или более. Коэффициент усиления на одну пару составляет обычно от 10 до 20 дБ, а при необходимости получить большее усиление ставят несколько каскадов.

В разд. 13.11 будут обсуждаться вопросы построения резонансных узкополосных усилителей в противоположность широкополосным устройствам, о которых мы говорили до сих пор. Поскольку усиливаемые сигналы часто имеют узкую полосу частот, при работе в радиодиапазоне очень полезны также резонансные усилители.

Ваша оценка очень важна

0
Шрифт
Фон

Помогите Вашим друзьям узнать о библиотеке