![Пауль Хоровиц, Уинфилд Хилл - Искусство схемотехники. Том 3 [Изд.4-е]](/page_images/5/6e2e5abca8756135f7fd83f5c88032fa.jpg)
Рис. 13.6.
1. Предположим, что Т3 работает от источника напряжения, его коэффициент усиления по напряжению на низкой частоте равен 100, поскольку rэ= 10 Ом при токе коллектора 2,5 мА. Частота -3 дБ, вычисленная по выходной емкости, приблизительно равна 40 МГц (2,4 пФ параллельно 2 пФ шунтируют 1,0 кОм). Заметим, что в этом простом расчете мы не учитываем емкость нагрузки и паразитную емкость проводов.
2. Входное сопротивление, параллельное емкости Миллера (240 пФ) и Свх.э, приблизительно равно 2,5 кОм (h21эrэ); емкость Свх.э находится по формуле, приведенной выше, и равна ~ 53 пФ.
3. Верхняя сопрягающая частота, связанная с входной емкостью, при грубом расчете получается равной 280 кГц (R = 8,2 кОм параллельно 2,5 кОм; С = 240 пФ + 53 пФ) и определяется емкостью эффекта Миллера КUСкб в комбинации с относительно высоким сопротивлением цепи базы. Заметим, что усиление фактически на низкой частоте меньше 100, если считать, что входной сигнал равен сигналу на ненагруженном выходе дифференциального каскада, так как предварительный каскад работает на низкое входное сопротивление; с учетом этого эффекта усиление на низких частотах фактически получается равным 100·2,5/(2,5 + 8,2), т. е. приблизительно 23.
Чрезмерная нагрузка предварительного каскада и низкая сопрягающая частота указывают на то, что схема построена плохо, но рассмотрение ее дает возможность увидеть практические трудности конструирования высокочастотных усилителей. Чтобы улучшить характеристики, надо либо значительно уменьшить полное сопротивление в цепи коллектора, либо использовать иную конфигурацию усилителя. В следующем разделе мы обсудим несколько наиболее популярных схем высокочастотных усилителей, в которых эффекты, связанные с емкостью входа (fT) и емкостью обратной связи (КUСкб, эффект Миллера), уменьшены или полностью отсутствуют.
13.04. Примеры высокочастотных усилителей
Как видно из сказанного выше, в высокочастотных усилителях, работающих от источника с умеренно высоким импедансом, доминировать может эффект Миллера. В этих случаях частота fT = 300 МГц и вычисленная для выходного каскада постоянная времени, соответствующая сопрягающей частоте 40 МГц, не влияют на характеристики схемы, которые определяются постоянной времени входной цепи, соответствующей сопрягающей частоте 280 кГц.
Три способа подавления эффекта Миллера. Помимо грубого подхода, заключающегося в том, чтобы просто сильно уменьшить сопротивление в цепи коллектора, имеется несколько интересных конфигураций, в которых обеспечено уменьшение выходного сопротивления каскада - источника сигнала или емкости обратной связи или обоих вместе. На рис. 13.7 приведены эти конфигурации, изображенные в самой простой форме, без цепей смещения и питания (т. е. показаны только цепи, определяющие сигнально-частотные характеристики).
![Пауль Хоровиц, Уинфилд Хилл - Искусство схемотехники. Том 3 [Изд.4-е]](/page_images/5/9653e465931ef23eea29adf79d3d1132.jpg)
Рис. 13.7.Упрощенные схемы высокочастотных усилителей, а - повторитель плюс усилитель с общим эмиттером; б - усилитель с общим эмиттером плюс усилитель с общей базой (каскодная схема); в - повторитель плюс усилитель с общей базой (дифференциальный усилитель).
В схеме а эмиттерный повторитель снижает выходное сопротивление источника, подключенного ко входу усилителя с общим эмиттером. Это значительно ослабляет отрицательное действие fT и КUСкб. В схеме б, известной как каскодное включение, каскад с общим эмиттером управляет каскадом с общей базой, тем самым сводя на нет эффект Миллера КUСкб (эмиттер Т4 имеет потенциал, фиксированный напряжением базы; он просто передает ток коллектора Т3 на Rн). В схеме в повторитель управляет каскадом с общей базой, причем эффект Миллера полностью отсутствует, и в то же время уменьшается выходное сопротивление управляющей цепи; это, по существу, обычная схема дифференциального усилителя с несбалансированными коллекторными резисторами и одним заземленным входом.
Другие приемы. Кроме этих схемных конфигураций имеются два других подхода к проблеме входной емкости и емкости обратной связи, а именно: а) использование одного простого усилителя с заземленной базой, если полное выходное сопротивление источника сигнала достаточно низко, и б) использование "настраиваемых" цепей на входе и выходе усилителя с общим эмиттером (или другой схемы) для "расстройки" эффектов межэлектродных емкостей. Заметим, что такие настраиваемые усилители не бывают широкополосными, а усиливают сигналы только в узкой области частот (что может быть весьма выгодно для некоторых применений). Кроме того, в таком усилителе может быть необходима нейтрализация. Узкополосные настраиваемые усилители будут обсуждаться в последних разделах этой главы. В качестве компромиссного "среднего" решения может использоваться корректирующая "пиковая" индуктивность в несколько микрогенри, включенная последовательно сопротивлению нагрузки коллектора для подавления емкостных эффектов и подъема усиления на частотах, несколько превышающих "естественную" частоту высокочастотного спада (рис. 13.8).
![Пауль Хоровиц, Уинфилд Хилл - Искусство схемотехники. Том 3 [Изд.4-е]](/page_images/5/32c588ca8fdecfa37ac78191ae5251d9.jpg)
Рис. 13.8.
Чтобы можно было оценить высокочастотные характеристики схем на повторителях и каскадах с заземленной базой, следует построить простые эквивалентные схемы транзисторов по переменному току для этих конфигураций (рис. 13.9).
![Пауль Хоровиц, Уинфилд Хилл - Искусство схемотехники. Том 3 [Изд.4-е]](/page_images/5/f19ee7eadfaf0ac1ed9cb7ef8cefff6c.jpg)
Рис. 13.9.Эквивалентные схемы, а - каскад с общей базой, б - эмиттерный повторитель.
Заметим, что в эквивалентной схеме эмиттерного повторителя сопротивления зависят от сопротивлений источника сигнала и нагрузки (как реактивных, так и омических). Мы применим эти модели в следующих примерах.
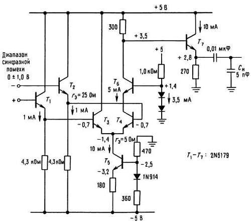
13.05. Пример проектирования широкополосной схемы
В качестве примера улучшенной модификации широкополосного усилителя рассмотрим схему на рис. 13.10, построенную так, чтобы снижение усиления, вызываемое эффектом Миллера, было полностью устранено. В ней используются эмиттерные повторители на входах (высокий входной импеданс) дифференциального усилителя; выходная нагрузка изолирована эмиттерным повторителем от каскадного выходного узла дифференциального усилителя. Схемное решение основано на использовании хорошего высокочастотного транзистора 2N5179 с fT= 1000 МГц (по паспорту h21э = 10 при 100 МГц) и Скб = 0,5 пФ при 2 В.
![Пауль Хоровиц, Уинфилд Хилл - Искусство схемотехники. Том 3 [Изд.4-е]](/page_images/5/d605308e027fe9c084d5945e9a552bed.jpg)
Рис. 13.10.Широкополосный дифференциальный усилитель.
Приближенная эквивалентная схема усилителя с обозначением p-n-переходов и паразитных емкостей приведена на рис. 13.11.