13.02. Высокочастотные усилители: модели для переменного тока
Емкость нагрузки не только уменьшает коэффициент усиления усилителя на высоких частотах. Как мы упоминали выше (см. обсуждение эффекта Миллера в гл. 2), емкость обратной связи (Скб), будучи включенной между выходом и входом, может доминировать в спаде усиления на высоких частотах, особенно если полное сопротивление источника входного сигнала высоко. Чтобы определить, на каких частотах усиление начнет падать и как этого избежать, можно использовать относительно простую модель транзистора или ПТ. Как это делается, покажем на примере высокочастотного усилителя.
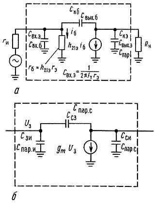
Эквивалентная схема для переменного тока. Приведенные на рис. 13.2 эквивалентные схемы каскадов с общим эмиттером (или истоком) представляют собой простейший вариант; их не без оснований используют при оценке характеристик быстродействующих устройств. Обе модели очевидны. В схеме биполярного транзистора Свх.э (обозначается также Свх. б или Сбэ; заметим, что название относится либо к емкости входа, либо к емкости выхода) есть входная емкость, rб - импеданс цепи базы, Скб - емкость обратной связи (Миллера) и Скэ - емкость между коллектором и эмиттером. Модели с источником тока определяют усиление транзистора на частотах сигнала. Схема полевого транзистора аналогична, но емкости имеют другие обозначения и она значительно проще из-за бесконечного входного сопротивления.
![Пауль Хоровиц, Уинфилд Хилл - Искусство схемотехники. Том 3 [Изд.4-е]](/page_images/5/f37a08b4e166520c5979809954625ac6.jpg)
Рис. 13.2.Эквивалентные схемы для ВЧ биполярного (а) и полевого (б) транзисторов.
Влияние коллекторного тока и напряжения на емкости транзистора. Емкости обратной связи и выходной цепи (Скб , Ссз, Скэ и т. д.) включают в себя небольшие емкости транзисторных выводов и относительно большие емкости полупроводниковых переходов. Последние ведут себя подобно обратносмещенным диодам, у которых емкость постепенно снижается с увеличением обратного смещения, как показано на рис. 13.3 (этот эффект используется в конденсаторах, управляемых напряжением, известных под названием "варикапы", или "варакторы").
![Пауль Хоровиц, Уинфилд Хилл - Искусство схемотехники. Том 3 [Изд.4-е]](/page_images/5/03e7454411a28cb0aff44bd4bcc80aa5.jpg)
Рис. 13.3. Зависимость емкости коллектор - база от напряжения для нескольких распространенных биполярных транзисторов.
Емкость изменяется с напряжением приблизительно как С = k(U - U0), где n лежит в диапазоне от -1/2 до -1/3 для транзисторов, a U0 - постоянное напряжение, равное ~ 0,6 В.
Входная емкость Свх.э имеет другой характер, поскольку вы имеете дело с прямосмещенным переходом. В этом случае эффективная емкость резко растет с увеличением тока базы, так как U близко U0 и имеет мало общего с указанным в паспорте транзистора значением Свх.э. Однако оказывается, что эффективная емкость Свх.э увеличивается с ростом Iэ (и, следовательно, с уменьшением rэ), так что произведение RC(rбСвх.э) остается почти постоянным. В результате усиление транзистора на определенных частотах зависит в первую очередь от соотношения между током, "теряемым" на Свх.э, и током, который "действительно" идет в базу и несильно зависит от тока коллектора. Поэтому вместо того, чтобы задавать значение Свх.э, изготовители транзисторов обычно указывают fT - частоту, при которой усиление тока (h21э) падает до 1. Легко показать, что fT определяется выражением
fT= 1/2πСвх.эrэ, или Свх.э = 1/2π/fTrэ
для значений Свх.э и rэ, данных при некотором токе коллектора. Транзисторы, предназначенные для работы в диапазоне высоких частот, имеют fT от 500 МГц до 10 ГГц, в то время как у транзисторов общего назначения fT бывает от 50 до 250 МГц. На рис. 13.4 приведены кривые изменения fT в зависимости от тока коллектора для типичных транзисторов.
![Пауль Хоровиц, Уинфилд Хилл - Искусство схемотехники. Том 3 [Изд.4-е]](/page_images/5/44f20e28a075d0bce083628270c9194f.jpg)
Рис. 13.4.Зависимость произведения усиления на ширину полосы (граничную частоту) fT от коллекторного тока для нескольких распространенных биполярных транзисторов.
13.03. Пример высокочастотных расчетов
Применим нашу простую модель для конструирования высокочастотного широкополосного усилительного каскада. При этом будем учитывать влияние предварительного каскада, считая, что его выходное сопротивление известно. Покажем, что рассматриваемый усилитель сильно нагружает этот каскад и имеет плохие характеристики. Далее будут рассмотрены те параметры, которые определяют характеристики схемы, и показаны методы улучшения параметров путем изменений конфигурации схемы и ее рабочих точек. На рис. 13.5 показан фрагмент схемы.
![Пауль Хоровиц, Уинфилд Хилл - Искусство схемотехники. Том 3 [Изд.4-е]](/page_images/5/412adf3be9753abd0bf5bc7ac1a88542.jpg)
Рис. 13.5.
Предполагается, что он является частью целой усилительной схемы с обратной связью по постоянному току, обеспечивающей стабилизацию точки покоя на уровне 1/2UКК; показанное на рисунке смещение не обеспечивает само по себе стабилизации. Поскольку нас интересуют высокочастотные характеристики, мы не будем в дальнейшем беспокоиться о том, как осуществляется смещение на самом деле. Заметим, что дифференциальный каскад имеет небольшую допустимую величину синфазного входного сигнала - приблизительно от +0,25 В до отрицательного напряжения, ограниченного рабочим диапазоном источника эмиттерного тока.
Анализ факторов, вызывающих снижение усиления на высоких частотах. Для дифференциального каскада коэффициент усиления и выходное сопротивление поддаются расчету, что дает возможность подробно проанализировать снижение усиления в выходном каскаде. Анализ коэффициента усиления усилительного каскада на Т3 будет состоять в следующем:
1. Находим усиление на низких частотах при нулевом сопротивлении источника. Затем определяем частоту, при которой усиление падает на 3 дБ (т. е. сопрягающую частоту), причем это снижение связано с влиянием входной емкости, емкости обратной связи и сопротивления нагрузки:
f-3 дБ = 1/2πRн(Сн+ Скб).
2. Определяем входной импеданс как сочетание полного входного сопротивления базы (rб и Свх.э) и эффективной емкости обратной связи (КUСкб).
3. Рассчитываем сопрягающую частоту, при которой падение усиления на 3 дБ связано с нагружением источника входным импедансом; сравнивая ее с "выходной частотой 3 дБ", вычисленной в п. 1, находим "узкое место" с точки зрения высоких частот.
4. Если необходимо, попробуем улучшить характеристики путем снижения требований к тем параметрам, которые вызывают спад усиления на высоких частотах.
Заметим, что емкость обратной связи Скбвлияет на частотные характеристики как выходного, так и входного каскадов, причем в последнем случае она умножается на коэффициент усиления по напряжению (эффект Миллера).
Рассмотрим в соответствии со сказанным эквивалентную схему включения транзистора 2N4124 с параметрами Скб = 2,4 пФ при 2,5 В, h21э ~= 250 и fT = 300 МГц (рис. 13.6).