Виктор Борисов - Юный радиолюбитель [7 изд] стр 35.

Шрифт
Фон

Виктор Борисов - Юный радиолюбитель [7-изд]

Рис. 89.Опыт, иллюстрирующий работу транзистора в режиме усиления

В коллекторную цепь транзистора V включи электромагнитный телефон В1, а между базой и минусом источника питания GB (батарея 3336Л) - резистор Rб сопротивлением 200–250 кОм. Второй телефон В2 подключи к участку база-эмиттер транзистора, но через конденсатор Ссв емкостью 0,1–0,5 мкФ. У тебя получится простейший усилитель, который может выполнять, например, роль одностороннего телефонного аппарата. Если твой приятель будет негромко говорить перед телефоном В2, включенным на входе усилителя, его разговор ты будешь слышать в телефонах В1, включенных на выходе усилителя. На вход усилителя вместо телефона В2 можно включить звукосниматель и проиграть грампластинку. Тогда в телефонах В1 будут хорошо слышны звуки мелодии или голос певца, записанные на грампластинке.

Каковы здесь функции резистора Rб, и конденсатора Ссв? Через резистор Rб на базу транзистора от батареи питания GB подастся небольшое отрицательное напряжение, называемое напряжением смещения, которое открывает транзистор и тем самым обеспечивает ему работу в режиме усиления. Без начального напряжения смещения эмиттерный р-n переход транзистора будет закрыт и, подобно диоду, будет "срезать" положительные полупериоды входного напряжения, отчего усиление будет сопровождаться искажениями. А конденсатор Ссв, выполняет функцию связующего элемента между телефоном В2 и базой транзистора. Он беспрепятственно пропускает колебания звуковой частоты и преграждает путь постоянному току из базовой цепи к телефону. Без такого разделительного конденсатора база транзистора по постоянному току оказалась бы соединенной с эмиттером и режим усиления был бы нарушен.

В этом опыте на вход усилителя подавалось переменное напряжение звуковой частоты, источником которого был телефон, преобразующий, как микрофон, звуковые колебания в электрические (на рис. 89 график а). Это напряжение создавало в цепи эмиттер-база колебания постоянного тока (график б), которые управляли значительно большим током в коллекторной цепи (график в). Происходило усиление входного сигнала. Усиленный же транзистором сигнал преобразовывался телефонами В1, включенными в цепь коллектора, в звуковые колебания. Транзистор работал в режиме усиления.

Процесс усиления в общих чертах происходит следующим образом. При отсутствии напряжения входного сигнала в цепях базы и коллектора текут небольшие токи (на рис. 89 - левые участки графиков б и в), определяемые напряжением источника питания, напряжением смещения на базе и усилительными свойствами транзистора. Как только в цепи базы появляется сигнал, соответственно ему начинают изменяться и токи в цепях транзистора: во время отрицательных полупериодов, когда суммарное отрицательное напряжение на базе возрастает, токи цепей увеличиваются, а во время положительных полу периодов, когда напряжения сигнала и смешения противоположны и, следовательно, отрицательное напряжение на базе уменьшается, токи в обеих цепях тоже уменьшаются. Происходит усиление по напряжению и току. Если нагрузкой транзистора будут не телефоны, а резистор, то создающееся на нем напряжение переменной составляющей усиленного сигнала можно будет подать во входную цепь второго транзистора для дополнительного усиления. Один транзистор может усилить сигнал в 30–50 раз.

Точно так работают и транзисторы структуры n-р-n. Но для них полярность включения батареи, питающей цепи базы и коллектора, должна быть не такой, как у р-n-р транзисторов, а обратной.

Запомни: для работы транзистора в режиме усиления на его базу (относительно эмиттера) вместе с напряжением усиливаемого сигнала обязательно должно подаваться постоянное напряжение смещения, открывающее транзистор.

Для германиевых транзисторов оно должно составлять 0,1–0,2 В, а для кремниевых транзисторов 0,5–0,7 В. Напряжение смещения на базу не подают лишь в тех случаях, когда эмиттерный переход транзистора используют для детектирования радиочастотного модулированного сигнала.

СХЕМЫ ВКЛЮЧЕНИЯ И ОСНОВНЫЕ ПАРАМЕТРЫ БИПОЛЯРНЫХ ТРАНЗИСТОРОВ

Итак, биполярный транзистор, независимо от его структуры, является трехэлектродным прибором. Его электроды - эмиттер, коллектор и база. Для использования транзистора в качестве усилителя напряжения, тока или мощности входной сигнал, который надо усилить, можно подавать на два каких-либо электрода и с двух электродов снимать усиленный сигнал. При этом один из электродов обязательно будет общим. Он-то и определяет название способа включения транзистора: по схеме общего эмиттера (ОЭ), по схеме общего коллектора (ОК), по схеме общей базы (ОБ).

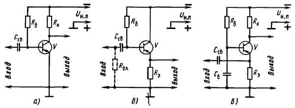
Включение р-n-р транзистора по схеме ОЭ показано на рис. 90, а. Напряжение источника питания Uип на коллектор транзистора V подается через резистор RК, являющийся нагрузкой, на эмиттер - через общий "заземленный" проводник, обозначаемый на схемах знаком "". Входной сигнал через конденсатор связи Ссвподается к выводам базы и эмиттера, т. е. к участку база-эмиттер транзистора, а усиленный сигнал снимается с выводов эмиттера и коллектора. Эмиттер, следовательно, при таком включении транзистора является общим для входной и выходной цепей.

Вспомни схемы и рисунки, которыми в этой беседе ты пользовался, заставляя транзистор работать в режимах усиления и переключения. Да, транзистор ты включал по схеме ОЭ. И это не случайно: транзистор, включенный таким способом, в зависимости от его усилительных свойств может дать 10-200-кратное усиление сигнала по напряжению и 20-100-кратное усиление сигнала по току. Благодаря этому способ включения транзистора но схеме ОЭ пользуется у радиолюбителей наибольшей популярностью.

Виктор Борисов - Юный радиолюбитель [7-изд]

Рис. 90.Схемы включения р-п-р транзисторов

Существенным недостатком усилительного каскада на транзисторе, включенном по такой схеме, является его сравнительно малое входное сопротивление всего 500-1000 Ом, что усложняет согласование усилительных каскадов, транзисторы которых включают по такой же схеме. Объясняется это тем, что в данном случае эмиттерный р-n переход транзистора включен в прямом, т. е. пропускном, направлении. А сопротивление пропускного перехода, зависящее от прикладываемого к нему напряжения, всегда мало. Что же касается выходного сопротивления такого каскада, то оно достаточно большое (2-20 кОм) и зависит от сопротивления нагрузки RKи усилительных свойств транзистора.

Включение транзистора по схеме ОК ты видишь на рис. 90, б. Входной сигнал подается на базу и эмиттер через эмиттерный резистор Rэ, который является частью коллекторной цепи. С этого же резистора, выполняющего функцию нагрузки транзистора, снимается и выходной сигнал. Таким образом, этот участок коллекторной цепи является общим для входной и выходной цепей, поэтому и название способа включения транзистора - ОК. Каскад с транзистором, включенным по такой схеме, по напряжению даст усиление меньше единицы. Усиление же по току получается примерно такое же, как если бы транзистор был включен по схеме ОЭ. Но зато входное сопротивление такого каскада может составлять 10-500 кОм, что хорошо согласуется с большим выходным сопротивлением каскада на транзисторе, включенном по схеме ОЭ.

По существу, каскад не дает усиления по напряжению, а лишь как бы повторяет подведенный к нему сигнал. Поэтому транзисторы, включаемые по такой схеме, называют также эмиттерными повторителями. Почему эмиттерными? Потому что выходное напряжение на эмиттере транзистора практически полностью повторяет входное напряжение.

Почему каскад не усиливает напряжение? Давай соединим резистором цепь базы транзистора с нижним (по схеме) выводом эмиттерного резистора Rэ, как показано на рис. 90, б штриховыми линиями Этот резистор - эквивалент внутреннего сопротивления источника входного сигнала Rвх, например микрофона или звукоснимателя. Таким образом, эмиттерная цепь оказывается связанной через резистор Rвхс базой. Когда на вход усилителя подается напряжение сигнала, на резисторе Rэ, являвшемся нагрузкой транзистора, выделяется напряжение усиленного сигнала, которое через резистор Rвх оказывается приложенным к базе в противофазе. При этом между эмиттерной и базовой цепями возникает очень сильная отрицательная обратная связь, сводящая на нет усиление каскада. Это по напряжению. А по току усиления получается такое же, как и при включении транзистора по схеме ОЭ.

Ваша оценка очень важна

0
Шрифт
Фон

Помогите Вашим друзьям узнать о библиотеке