АЦП ADC 100 просто подключается кабелем, входящим в комплект поставки, к разъему параллельного порта ПК (не нужно ни источника питания, ни даже гальванической батарейки!). При этом он способен обеспечить возможности и характеристики, сравнимые с некоторыми платами сбора данных, предназначенными для установки в слоты материнской платы.
ADC 100 - это техническое решение, которое целесообразно использовать, если достаточно частоты дискретизации в 50-100 кГц. Для более высоких скоростей стоит выбрать АЦП ADC 200.
4. СОБЕРИТЕ СВОЙ ИЗМЕРИТЕЛЬНЫЙ ИНТЕРФЕЙС
Самостоятельная сборка аналогового интерфейса привлекательна прежде всего вследствие значительной экономии средств, особенно если при этом не понадобится серьезное математическое обеспечение, обычно поставляемое в комплекте с промышленными изделиями. При таком подходе можно также выбрать другие способы связи "интерфейс-ПК", например, подключаться к ПК через последовательный, а не через параллельный порт, или же использовать гальваническую развязку, которая в определенных случаях будет необходима.
УНИВЕРСАЛЬНЫЙ АНАЛОГОВЫЙ ИНТЕРФЕЙС ДЛЯ ПОСЛЕДОВАТЕЛЬНОГО ПОРТА
Что может быть более естественным, чем подключение последовательного АЦП к последовательному порту, даже если промышленные изделия чаще используют порт параллельный? По правде говоря, главное преимущество такого решения состоит в том, что ПК с двумя (и даже с четырьмя) последовательными портами встречаются гораздо чаще, чем ПК с двумя параллельными портами.
С тех пор как появились специальные порты для мыши, у компьютера довольно часто остается свободным по меньшей мере один последовательный порт; между тем параллельный порт практически всегда занят принтером, очень полезным в виртуальном измерительном комплексе для вывода графиков и числовых результатов.
Еще одним преимуществом последовательного порта RS 232 является более высокая нагрузочная способность, по сравнению с большинством параллельных портов. Она позволяет отчасти разрешить проблему питания не всегда экономичных схем интерфейсов.
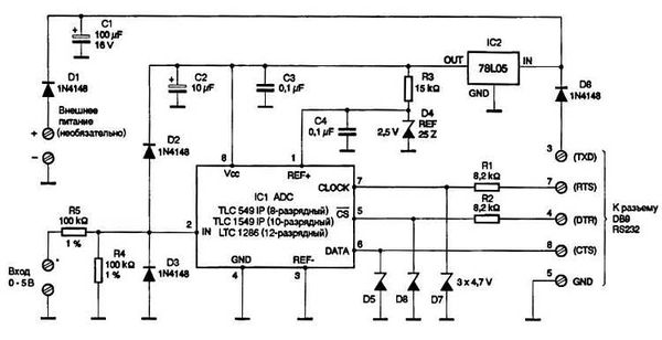
Принципиальная схема, приведенная на рис. 4.1, построена на основе схемы промышленных АЦП ADC 10 и ADC 12 (рис. 3.3).

Рис. 4.1.Принципиальная схема интерфейса для последовательного порта
В частности, применен аналогичный входной каскад с делителем напряжения. При использовании тех же номиналов резисторов R4 и R5 (100 кОм для 8-разрядного ADC 10 и 33 кОм для 12-разрядного ADC 12) можно обеспечить автоматическую совместимость этого устройства со всеми приставками, которые будут описаны в главе 6 - устройствами нормирования сигналов, датчиками и т. п.
И наоборот, совершенно очевидно, что с данным устройством нельзя использовать программы, предназначенные для ADC 10 и ADC 12, можно применять только те программы, которые написаны именно для него и приведены на сервере www.dnik.ru. Также допускается использование собственных разработок, основанных на драйверах, о которых пойдет речь в главе 5.
Номиналы резисторов входного делителя в любом случае нуждаются в пояснениях, а их подбор требует определенной аккуратности.
Надо учитывать, что входное сопротивление микросхемы АЦП последовательного приближения (вывод 2) имеет, по крайней мере, во время выполнения преобразования, почти только емкостный характер. При напряжении питания 5 В ток утечки в пределах 1 мкА соответствует активной составляющей сопротивления 5 МОм, что значительно больше входного сопротивления обычного осциллографа. Емкостная же составляющая может достигать 30 пФ у микросхемы TLC 1549 и 100 пФ у LTC 1292. Это опять же не сильно отличается от того, что свойственно входу классического осциллографа, но случай, который нас интересует, совершенно особый.
Входная емкость образована элементами устройства выборки-хранения, и она постоянно изменяется. Согласно рис. 4.2, интегрирующий фильтр, образуемый этой емкостью С и всяким сопротивлением R, включенным последовательно с входом, определяет время нарастания сигнала, пропорциональное произведению RC.

Рис. 4.2.К пояснению эффекта интегрирующего фильтра но входе АЦП
Если частота дискретизации слишком велика относительно частоты среза интегрирующего фильтра, то преобразование начнется в тот момент, когда эквивалентный конденсатор с емкостью С будет заряжен еще не полностью, и, следовательно, результат измерения будет неверным.
Величины резисторов, выбранные для входных цепей ADC 10 и ADC 12 (рис. 3.1), разумеется, были рассчитаны так, чтобы гарантировать желаемую точность на высоких частотах дискретизации, на которых могут работать эти приборы (около 20 кГц). Но номиналы резисторов можно увеличивать, если потребителя устраивают не столь высокие скорости измерений. При использовании изделий в комплекте с программами, написанными на языке BASIC с интерпретатором и выполняемыми на не очень быстром процессоре, номиналы можно увеличить до 500 кОм, так чтобы получить стандартное входное сопротивление 1 МОм. В обычных случаях прекрасно подойдет номинал 100 кОм (с допуском 1 % или меньше).
Подключение линий управления и линии данных АЦП к порту RS 232 более сложное, чем к параллельному порту. Действительно, рабочие уровни напряжений на выводах последовательного порта обычно составляют около 12 В, тогда как АЦП формирует напряжения от 0 до 5 В.
Для решения этой проблемы в схеме установлены три стабилитрона VD5 - VD7 на напряжение 4,7 В и два резистора R1 и R2. Кроме того, перед интегральным стабилизатором 78L05, формирующим напряжение 5 В из сигнала линии TXD, должен быть включен импульсный диод VD8.
Предусмотрен также вход для внешнего источника питания, расположенный рядом с аналоговым входом, на тот случай, когда ПК не сможет обеспечить достаточный уровень напряжения. Это может случаться, хотя крайне редко, при использовании некоторых моделей ноутбуков. В таком случае простая 9-вольтовая гальваническая батарейка сможет надолго обеспечить работу устройства.
Все устройство смонтировано на печатной плате (рис. 4.3), размеры которой невелики, но которая все же не претендует на размещение в корпусе разъема DB9, подключаемого к ПК.

Рис. 4.3.Топологическая схема печатной плоты устройства
Подключение через кабель DB9 (вилка/розетка) с одноименной распайкой (удлинитель, а не нуль-модем) более предпочтительно, чем прямое подключение к разъему ПК. В таком случае АЦП будет расположен в непосредственной близости от источника сигнала, а не от ПК, что дает больше преимуществ, чем недостатков, на тех частотах, на которых предполагается работать.
Монтажная схема и фотография, приведенные на рис. 4.4 и 4.5, соответствуют всем трем вариантам устройства, которые можно собрать самостоятельно:
• 8-разрядный АЦП с TLC 549;
• 10-разрядный АЦП с TLC 1549;
• 12-разрядный АЦП с LTC 1286 или ADS 1286.

Рис. 4.4.Монтажная схема устройства

Рис. 4.5.Внешний вид печатной платы устройства
Соединительная колодка с четырьмя контактами (или двумя, если не предполагается использовать внешний источник питания) предназначена для подключения входного сигнала. Подобный способ межблочных соединений представляется более удобным, нежели коаксильные разъемы BNC или RCA ("тюльпан"), для предполагаемых областей применения - в частности, при использовании приставок, описанных в главе 6.
ВЕРСИЯ ИНТЕРФЕЙСА КОМПАНИИ MAXIM
Представляется полезной в практическом применении версия устройства, разработанная на основе микросхем ЛЦП МАХ 1241 и МАХ 1243, имеющих отличные характеристики и рассмотренных выше в главе 2.
Основное отличие от предыдущего варианта заключается только в компоновке печатной платы (рис. 4.6) по причине того, что расположение выводов этих компонентов совершенно иное.

Рис. 4.6.Топологическая схема печатной платы устройства для версии компании MAXIM
Для микросхем МАХ 1241 (12-разрядный АЦП) и МАХ 1243 (10-разрядный АЦП) можно использовать одни и те же элементы и одинаковое их размещение на плате (рис. 4.4 и 4.7).