
Рис. 2.3.Интегрирующая цепочка
Их номиналы выбираются в зависимости от минимальной частоты сигнала. Обычно задают такое произведение RC, чтобы оно было не меньше максимального периода следования импульсов. Например, цепочка 10 кОм/1 нФ вполне подойдет для частоты сигнала, превышающей 100 кГц. Если взять более низкое значение RC, на постоянное выходное напряжение будут накладываться заметные колебания пилообразной формы, искажающие преобразованный сигнал.
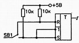
2.1.5. Подавитель дребезга контактов
Часто бывает так, что при нажатии на кнопку замыкание ее контактов происходит несколько раз из-за так называемого дребезга. В цифровых схемах это приводит к неправильной работе устройства. Устранить этот недостаток способна простая схема, использующая RS-триггер (рис. 2.4), например К555ТР2. Такой компонент может служить полезным дополнением к кнопочному выключателю, расположенному на лицевой панели.

Рис. 2.4.Подавитель дребезга контактов
2.1.6. Частотные фильтры
На рис. 2.5 приведено несколько классических схем пассивных и активных фильтров низких и высоких частот. Они используются в разнообразных устройствах, начиная с НЧ усилителей и заканчивая цифро-аналоговыми преобразователями. На каждой схеме указаны формулы для вычисления частоты среза фильтра FС.

Рис. 2.5.Простые схемы ФНЧ (а, б, в) и ФВЧ (г, д, е)
Приведенные схемы справедливы для операционных усилителей, которые питаются однополярным отрицательным напряжением. При этом напряжения на входах и выходах отсчитываются относительно общей точки источника питания. Для схем с двуполярным питанием можно создать искусственную точку опорного уровня. В устройствах, работающих на частотах ниже 100 кГц, можно использовать операционный усилитель любого типа.
2.1.7. Удвоитель напряжения
Удвоитель напряжения (в общем случае умножитель напряжения) представляет собой определенное соединение диодов и конденсаторов. Этот принцип построения давно используется для получения очень высоких напряжений, например, в телевизорах или в устройствах для ионизации газа. Небольшая схема, представленная на рис. 2.6, применяется для получения постоянного напряжения, приблизительно вдвое превышающего напряжение на входе.

Рис. 2.6.Удвоитель напряжения
Для работы схемы необходим сигнал прямоугольной формы низкой частоты. В данной схеме используются только положительные импульсы, что отличает ее от классических удвоителей, работающих от сети или от синусоидального напряжения, снимаемого с вторичной обмотки трансформатора.
2.1.8. Каскады с открытым коллектором
В литературе по электронике и технической документации часто встречается термин "открытый коллектор". Он связан с транзисторными каскадами и интегральными схемами. Примерами могут служить логические ИС семейства ТТЛ или другие схемы, предназначенные для обеспечения питания, стабилизации или усиления. В такой конфигурации транзистор n-p-n или p-n-р типа включен по схеме с общим эмиттером, а его коллектор остается свободным для использования разработчиком устройства (рис. 2.7а,б).
Выше уже описывалось одно из преимуществ этой концепции - возможность параллельного соединения нескольких идентичных схем. Выходы элементов с открытым коллектором соединяются, на этом основано построение логических устройств с тремя состояниями.

Рис. 2.7.Схемы с открытым коллектором
Другой классический пример применения таких элементов - это согласование по уровню двух схем, работающих при разных напряжениях питания. В любом случае на выходе каскада с открытым коллектором должен быть включен резистор, соединенный с источником напряжения +UCC или - UCC (для транзисторов типа n-p-n или p-n-р соответственно). Он фактически выполняет функцию нагрузочного резистора в цепи коллектора. При параллельном включении двух или более каскадов достаточно будет одного общего резистора (рис. 2.7в). Его номинал определяется в зависимости от токов, которые должны протекать по коллекторным цепям транзисторов.
2.1.9. Двухтактный каскад
Двухтактный каскад - это каскад на двух транзисторах, обычно используемый на выходе быстродействующих цифровых устройств. Кроме того, он входит в состав многих управляющих схем на МОП транзисторах. Двухтактный каскад включают также на выходе большинства генераторов синусоидального напряжения, работающих на низкоомную нагрузку (обычно 50 Ом). Его применение обеспечивает улучшение согласования генератора с нагрузкой. Базовая схема проста (рис. 2.8а): у двух комплементарных транзисторов, включенных по схеме с общим коллектором, соединены эмиттеры и базы. Транзистор n-p-n типа присоединен к положительному полюсу источника питания, а транзистор p-n-р типа - к отрицательному. Транзисторы открываются поочередно, и напряжение на выходе практически повторяет по форме входной сигнал.
Двухтактный каскад обладает одним недостатком: он не может полностью воспроизвести сигнал, который в отрицательный полупериод опускается до нуля. В таком случае перепад напряжения на выходе оказывается меньше, чем на входе, из-за конечного остаточного напряжения на открытом транзисторе. Этот недостаток не играет никакой роли, когда каскад используется для управления схемой на МОП транзисторах, но важен для выходных каскадов. С целью устранения описанной проблемы необходимо обеспечить симметричное питание двухтактного каскада, то есть применить дополнительный источник отрицательного напряжения (рис. 2.8б).

Рис. 2.8.Двухтактный каскад
2.1.10. Компаратор на транзисторе
Для сравнения двух напряжений не обязательно обращаться к операционному усилителю. С подобной задачей вполне может справиться простая и дешевая схема компаратора на транзисторе, которая представлена на рис. 2.9.

Рис. 2.9.Компаратор на транзисторе
Транзистор p-n-р типа сравнивает опорное напряжение на эмиттере с частью контролируемого напряжения, поданной на базу через резистивный делитель R1R2. Когда напряжение на базе падает ниже опорного, транзистор открывается и выход компаратора (коллектор транзистора) переходит в состояние с высоким потенциалом. Такая схема может использоваться, например, для контроля напряжения батареи питания.
2.1.11. Гистерезис в электронике
Термин "гистерезис" происходит от греческого слова "запаздывание" и означает появление задержки в развитии одного физического явления по отношению к другому. Гистерезис играет большую роль в технике и, в частности, в электронике. Он проявляется каждый раз, когда выполняется операция сравнения двух величин с некоторой точностью.
Суть данного явления можно пояснить на примере работы термостата независимо от наличия или отсутствия электронного регулятора. Рассмотрим термостат, настроенный на поддержание температуры 20 °C с помощью электрического нагревателя. Если бы управляющая нагревателем биметаллическая пластина, деформирующаяся при изменении температуры, не обладала гистерезисом, нагреватель включался бы и выключался очень часто, что приведет к быстрому износу контактов. В действительности регулятор включается при 19 °C, а выключается примерно при 21 °C. При этом механическая инерционность биметаллической пластины и тепловая инерционность нагревателя порождают явление гистерезиса, переключение режимов происходит с небольшой частотой, а температура в термостате колеблется в некотором интервале вблизи заданного значения (рис. 2.10а).