
Рис. 2.17.Буквенная индикация на семисегментных индикаторах
2.3.2. Алфавитно-цифровые индикаторы на жидких кристаллах
Кроме классических семисегментных индикаторов имеется семейство так называемых алфавитно-цифровых индикаторов. Они могут отображать цифры, буквы и некоторые другие символы на одной или двух строках из 8 или 16 знаков с фоновой подсветкой или без нее. Такие модули имеют довольно сложную электронную начинку и управляются микроконтроллером через стандартный параллельный интерфейс в сочетании с тремя дополнительными управляющими вводами (рис. 2, 18).

Рис. 2.18.Алфавитно-цифровой индикатор
Выводы Е и RS постоянно используются при работе, а вывод R/W, если он не используется для считывания содержимого внутренней памяти, должен быть заземлен через резистор.
Отметим, что индикатором можно управлять с помощью четырех битов вместо восьми. В этом случае, как ни странно, некоторые модели со строкой из 16 знаков начинают функционировать как двустрочные индикаторы, содержащие по восемь знаков на строку (реально же они остаются однострочными). Иначе говоря, после отправления восьмого знака необходимо выдать команду перехода на другую строку, чтобы получить возможность написать девятый знак.
Индикаторные модули позволяют регулировать контрастность изображения с помощью внешнего переменного резистора. Такое устройство необходимо, поскольку подключение соответствующего контакта к фиксированному напряжению не позволяет получить оптимальную контрастность. При подборе яркости фоновой подсветки, которую дают размещенные за индикатором светодиоды, лучше определить величину ограничивающего резистора экспериментальным путем, не полагаясь на инструкции производителя. Подсветка потребляет много энергии, поэтому желательно выбрать максимально допустимую величину резистора, обеспечивающую достаточное освещение при любых условиях.
2.3.3. Мультиплексирование многоразрядного индикатора
Как правило, семисегментным индикатором управляют посредством специализированной микросхемы декодирования (например, CD4511), включающей в себя четырехбитный дешифратор и несколько буферных каскадов для запуска каждого светодиода. Если для индикации необходимо использовать ряд цифр, задача существенно усложняется, поскольку при этом нужны схемы декодирования для каждой цифры (рис. 2.19а). В таком случае рисунок печатной платы принимает вид головоломки, поскольку индикатор может иметь самое различное размещение компонентов. Кроме того, резко увеличивается общий расход тока, поскольку токи, потребляемые каждым освещенным сегментом, суммируются.
Другой подход состоит в мультиплексировании индикации, когда нужные цифры отображаются одна за другой с частотой, при которой создается впечатление, что все они светятся постоянно. Если частота повторения слишком высока, яркость свечения снижается, при слишком низкой частоте появляется заметное мелькание. Подобная техника существенным образом упрощает электрические соединения и сокращает общее потребление энергии, поскольку в каждый момент времени горит только один индикатор.

Рис. 2.19.Схема мультиплексирования индикатора
На схеме, показанной на рис. 2.19б, осуществляется поочередное подключение общего электрода каждого из индикаторов (анода или катода). Когда некоторые сегменты активированы, загорается только тот индикатор, общий электрод которого также активирован, а остальные индикаторы погашены. Сначала управляющий сигнал поступает на общий электрод светодиодов первого индикатора, активируя его на определенный промежуток времени. По истечении этого интервала сигнал получает следующий индикатор и т. д. При этом необходимо точно соблюдать последовательность подачи управляющих сигналов на общий электрод и на соответствующие сегменты, что успешно выполняется некоторыми специализированными интегральными схемами (например, ICL7107). Вместо этого можно использовать микроконтроллер с соответствующим программным обеспечением.
2.4. Цифровые схемы
2.4.1. Синхронизация от сети
Напряжение электрической сети часто используется в электронных схемах в качестве опорного сигнала для генераторов тактовых импульсов или для синхронизации измерительных приборов. При измерении напряжений, содержащих остаточные пульсации на сетевой частоте, иногда проще произвести замер в определенный момент, чем выполнять тщательную фильтрацию сигнала (рис. 2.20а). При выполнении дискретных измерений через заданные промежутки времени на вход прерывания микроконтроллера часто подают прямоугольный сигнал, синхронизированный с напряжением сети. В этом случае обычно создаются оптимальные условия для снижения погрешностей измерения, связанных с различными помехами и наводками.

Рис. 2.20.Синхронизация от сети (а) и простая схема генератора синхроимпульсов (б)
Для получения прямоугольных синхроимпульсов используется простая схема на стабилитроне в сочетании с резистором. Она ограничивает сверху переменное напряжение, снятое с любой точки вторичной обмотки трансформатора источника питания (рис. 2.20б). Величина сопротивления рассчитывается на основании максимального потенциала в выбранной точке относительно общей точки схемы, а не на основании эффективного значения напряжения.
2.4.2. Логические схемы, управляемые фронтом импульса
Многие логические схемы, в том числе и КМОП типа, реагируют не на состояние входа, а на его изменение. Например, счетчик может срабатывать в тот момент, когда на его тактовом входе возникает перепад напряжения от низкого уровня к высокому или наоборот. В этом случае говорят о логическом элементе, управляемом передним или задним фронтом импульса. Схемы, реагирующие на положительный фронт, то есть на переход от логического нуля к единице, называют положительной логикой, а на переход от 1 к 0 - отрицательной.
Эта характеристика всегда приводится в справочной документации на микросхему. Вход, рассчитанный на управление отрицательным фронтом, маркирован чертой сверху, обозначающей отрицание (рис. 2.21).

Рис. 2.21.Вывод ИС, реагирующий на отрицательную логику
В некоторых случаях, в частности для микросхемы CD4042 (четыре D-триггера), пользователь может сам выбрать тип запуска, подключая определенный вход к положительному или отрицательному напряжению. Во избежание возможных ошибок перед разработкой любой схемы необходимо выяснить тип запуска логических элементов. Например, это относится к счетчикам, где неправильное управление может привести к десинхронизации или потере данных. Часто, чтобы получить требуемый результат, приходится включать дополнительную RC-цепочку и использовать снимаемые с ее выхода короткие импульсы нужной полярности. Типичный вариант такого подключения к тактовому входу D-триггера приведен на рис. 2.22.

Рис. 2.22.Использование RC-цепочки в логических схемах
2.4.3. Классические импульсные устройства
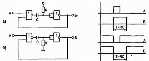
Схемы, приведенные на рис. 2.23, представляют собой классические одновибраторы и мультивибраторы (генераторы прямоугольных импульсов).
В одновибраторах (рис. 2.23а, б) длительность выходного импульса не зависит от длительности импульса на входе. Первый одновибратор запускается положительным перепадом напряжения на входе, а второй - отрицательным.

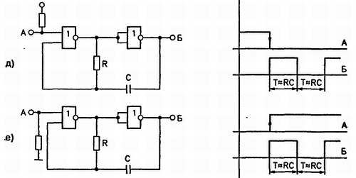
На рис. 2.23в представлен обычный мультивибратор, а на рис. 2.23 г - мультивибратор с регулируемой длительностью импульсов.

В схемах, представленных на рис. 2.23д, е, колебания возникают при подаче на вход логического сигнала соответственно низкого и высокого уровня.

Мультивибратор на двух транзисторах (рис. 2.23ж) используется в низкочастотных устройствах. Такая схема может непосредственно управлять элементами со значительным потребляемым током, например лампочками или реле, которые подключаются к одному из коллекторов (или к каждому коллектору) вместо резистора. В остальных схемах применяются КМОП вентили, рассчитанные на широкий диапазон напряжений питания.