
Рис. 7.14. Принцип действия механической блокировки
Принцип действия системы прост; при попытке открыть люк при вращающемся моторе "клювик" на шарнире откидывается в направлении вращения шкива мотора, и в этом случае тросик, который соединяет обе части замка, не натягивается и замок остается заблокированным. Если открывание двери люка происходит при остановленном моторе, то в этом случае "клювик" упирается в ремень, тросик натягивается и разблокирует замок, дверца люка открывается. Как видим, замок довольно сложен, содержит много деталей и требует регулировки зазора между ремнем и "клювиком". Производители сравнительно недавно отказались от такого замка (а устанавливали его больше десяти лет в СМА марок General Electric, Holpoint и некоторых других). По-видимому, дело было в том, что при неисправности сливного наcoca или засорении системы слива в баке оставалась вода и без помощи специалиста становилось невозможным открыть загрузочный люк.
Кроме того, с течением времени стачивался "клювик", что также препятствовало открыванию двери. Кстати, все блокировки можно было легко отключить. Можно было пережать шланг давления, идущий к мембране с выдвижным штырем.
Либо можно было снять рычаг с подвижным "клювиком" и двумя планками на винтах зажать тросик так, чтобы исключить его перемещение, т. е. просто обеспечить постоянно натянутое его положение.
8. Нагревательные элементы
Для нагревания воды в процессе стирки или воздуха при сушке во всех типах СМА применяются специальные нагреватели - ТЭНы - трубчатые электронагреватели или просто - нагревательные элементы. Для нагревания воды ТЭНы устанавливаются в нижней части бака, а для нагревания воздуха при сушке белья ТЭНы устанавливаются в так называемой камере сушки.
Конструкции ТЭНов для нагревания воды в большинстве случаев схожи, разница лишь в мощности. Наиболее экономные потребляют мощность 750–800 Вт, а наиболее прожорливые - от 1200 до 3000 Вт.
Рассмотрим несколько интересных конструкций нагревательных элементов. Эти ТЭНы снабжены оригинальными системами защиты от перегрева и крайне редко окончательно выходят из строя. Даже если при продолжительной эксплуатации они покрываются толстым слоем "шубы" из накипи, защитная система отключит напряжение питания ТЭНа раньше, чем перегорит спираль, а ТЭНы обычной конструкции имеют внутри лишь предохранитель однократного действия: если он перегорает, ТЭН приходится заменять.
Итак, на рис. 8.1 показан один из ТЭНов с системой защиты.

Рис. 8.1. Нагревательный элемент с системой защиты
Крышка корпуса, в которой установлен элемент защиты, для наглядности снята.
Работает система защиты следующим образом: при перегреве растекается сплав, находящийся в торцах трубок (1). Внутри трубок находятся подпружиненные медные стержни - концы этих стержней фактически припаяны легкоплавким припоем к торцам трубок. Трубки закреплены хомутиками (2) из полосок стали. При перегреве один из стержней выталкивается пружиной и - через керамический плунжер (3) - размыкает контакты питания. В данном ТЭНе система защиты дублирована, чаще встречаются конструкции, в которых только одна ступень защиты. Восстановить работоспособность такой конструкции очень легко: после очистки ТЭНа от накипи корпус защиты разбирают, предварительно рассверлив пластмассовые заклепки. В сработавшей ступени защиты укорачивают керамический плунжер - отламывают отрезок 1–1,5 миллиметра и убеждаются, что контакты опять замкнуты. Затем крышку корпуса приклеивают суперклеем, и ТЭН снова пригоден к работе. Можно совсем удалить плунжер, но если ступень защиты одна, то в следующий раз ТЭН неминуемо перегорит. Еще одна конструкция представлена на рис. 8.2.

Рис. 8.2.Нагревательный элемент с биметаллической системой защиты
Этот ТЭН имеет систему защиты не менее эффективную - на основе биметаллического стержня и микровыключателя. Микровыключатель укреплен шарнирно прямо на наружной скобе ТЭНа. При перегреве микровыключатель разрывает цепь питания ТЭНа. Для восстановления цепи необходимо сначала демонтировать ТЭН и очистить его от накипи. Затем нужно вытянуть кнопку микровыключателя, восстановив таким образом цепь питания. Некоторые модели ТЭНов имеют отдельный термопредохранитель на температуру 157 °C. Этот предохранитель показан на рис. 8.3.

Рис. 8.3.Термопредохранитель с защитной изоляцией
Он вставлен в защитный термостойкий чехол, и в свою очередь чехол с предохранителем вставляется в металлическую тонкостенную гильзу, приваренную к наружной скобе ТЭНа и постоянно находящуюся в зоне нагрева в воде. Предохранитель также включен последовательно со спиралью ТЭНа.
Наряду с плавными и механическими предохранителями применяют и другие устройства защиты ТЭНов. Это специальные защитные термостаты на биметаллической основе, которые включаются последовательно со спиралью ТЭНа в цепь питания. В некоторых моделях СМА для защиты ТЭНа применяют датчик давления (или одну его секцию). В такой системе невозможна подача напряжения на выводы ТЭНа, если в баке по каким-то причинам нет воды.
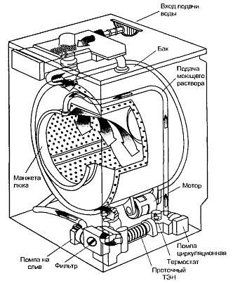
Рассмотрим еще одну интересную конструкцию. Это нагреватель проточного типа. Внешний вид показан на рис. 8.4, а внутреннее устройство - на рис. 8.5.

Рис. 8.4.Нагревательный элемент проточного типа

Рис. 8.5.Устройство нагревательного элемента проточного типа
В этой конструкции тоже используется трубчатый нагреватель. Он намотан в виде спирали на металлическую трубку, через которую прокачивается вода. Вся конструкция заключена в корпус-рубашку, на котором расположен защитный термостат. На рис. 8.6 представлена схема СМА с проточным ТЭНом.

Рис. 8.6.Схема СМА с нагревательным элементом проточного типа
Для нормальной работы СМА необходимо, чтобы вода (или моющий раствор) непрерывно, до необходимого нагрева, прокачивались через ТЭН.
Для этой цели служит циркуляционный насос - точно такой же, как и сливной насос-помпа. Циркуляционный насос прокачивает моющий раствор через проточный нагреватель и заодно подает его в верхнюю часть бака для дополнительного орошения белья.
В порядке еще одного экскурса в историю вспомним, что в 70-х годах прошлого столетия в некоторых моделях применялся нагревательный элемент необычного типа. Это был нагреватель индукционного типа, представляющий собой трансформатор с первичной обмоткой и коротко-замкнутым вторичным витком из алюминия.
Принцип работы основан на эффекте прогрева металла вихревыми токами электромагнитного поля. Индукционные нагреватели имеют более развитую поверхность теплообмена по сравнению с трубчатыми, поэтому перепад температуры между теплоносителем и поверхностью теплообменника индукционного нагревателя не превышает 20–30 °C. Это полезное свойство многократно замедляет процесс отложения накипи, и к тому же в подобных нагревателях нет элементов, подверженных износу. Их срок службы определяется только сроком службы электромагнитной катушки. И еще одно полезное свойство следует упомянуть: по мере прогрева вторичного витка (именно от его поверхности и передавалось тепло в моющий раствор), потребляемая мощность снижалась примерно на 30 %, в то время как у обычных ТЭНов мощность потребления постоянна. К сожалению, в настоящее время индукционные нагреватели практически в бытовых СМА не применяются. А теперь мы посмотрим, каким образом осуществляется крепление ТЭНов в баках СМА. Во всех СМА - в баках или в крышках баков - делаются отверстия стандартной формы. Основание и резиновое уплотнение всех ТЭНов соответствуют этим отверстиям.
Взглянем на рис. 8.7,а и б, на нем показано в двух видах основание ТЭНа - без термистора и с термистором.
