Всего за 79.9 руб. Купить полную версию
3.2. Двигатель: устройство, узлы и системы
Автомобильные двигатели внутреннего сгорания могут быть поршневыми и беспоршневыми (например, газотурбинными). В поршневом двигателе сгорание топлива и превращение тепловой энергии в механическую происходит внутри цилиндра. В газотурбинном двигателе топливо сгорает в специальной камере, а тепловая энергия превращается в механическую на лопатках газовой турбины.
На подавляющем большинстве современных автомобилей устанавливают поршневые двигатели внутреннего сгорания.
По способу смесеобразования и воспламенения топлива поршневые двигатели внутреннего сгорания подразделяются на две группы:
а) с внешним смесеобразованием и принудительным зажиганием, от электрической искры (бензиновые и газовые);
б) с внутренним смесеобразованием и воспламенением от соприкосновения с воздухом, сильно нагретым в цилиндре путем высокого сжатия (дизели).
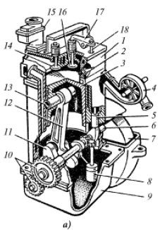
Карбюраторный бензиновый двигатель (рис. 3.2.1, а) имеет кривошипно-шатунный механизм, газораспределительный механизм и системы охлаждения, смазки, питания и зажигания.
Кривошипно-шатунный механизм служит для преобразования прямолинейного возвратно-поступательного движения поршня во вращательное движение коленчатого вала. Он состоит из цилиндра со съемной головкой 1, поршня 3 с поршневыми кольцами, поршневого пальца 13, шатуна 12, соединенного верхней головкой с поршнем и нижней головкой с коленчатым валом 11, маховика 7, закрепленного на заднем конце коленчатого вала, и картера. Поршень 3 перемещается в цилиндре прямолинейно вниз и вверх. Коленчатый вал 11 вращается в подшипниках, установленных в картере, отлитом за одно целое с цилиндром. Снизу двигатель закрыт поддоном 9, используемым как резервуар для масла.


Рис. 3.2.1. Схема устройства карбюраторного двигателя ( а ), мертвые точки и объемы цилиндра (б): 1 - головка цилиндров, 2 – свеча зажигания, 3 – поршень, 4 – водяной насос, 5 – толкатель, 6 - распределительный вал, 7 – маховик, 8 – масляный насос, 9 – поддон, 10 - распределительные шестерни, 11 - коленчатый вал, 12 - шатун, 13 – поршневой палец, 14 - впускной клапан, 15 – карбюратор, 16 - выпускной клапан, 17 - коромысло, 18 - штанга; S - ход поршня, Vc – объем камеры сгорания, Vn - полный объем цилиндра, В. м. т. – верхняя мертвая точка, Н. м. т. – нижняя мертвая точка
Верхнее крайнее положение поршня в цилиндре (рис. 3.2.1, б) называется верхней мертвой точкой (в. м. т.), нижнее положение – нижней мертвой точкой (н. м. т.). Расстояние, проходимое поршнем от одной до другой мертвой точки, называется ходом поршня S.
Перемещение поршня от одной мертвой точки до другой вызывает поворот коленчатого вала на половину оборота.
Объем Vc над поршнем, находящимся в в. м. т., называется объемом камеры сгорания, а объем Va над поршнем, находящимся в н. м. т., – полным объемом цилиндра.
Объем Vn, освобождаемый поршнем при его перемещении от в. м. т. к н. м. т., называется рабочим объемом цилиндра.
Если диаметр цилиндра и ход поршня выразить в дециметрах, то рабочий объем цилиндра получим в кубических дециметрах или литрах.
Рабочий объем всех цилиндров многоцилиндрового двигателя называют литражом. Его подсчитывают умножением рабочего объема одного цилиндра на число цилиндров двигателя.
Отношение полного объема цилиндра Vn к объему камеры сгорания Vc называется степенью сжатия.
Степень сжатия показывает, во сколько раз уменьшается объем смеси или воздуха, находящихся в цилиндре, при перемещении поршня от н. м. т. к в. м. т.
Газораспределительный механизм обеспечивает своевременное заполнение цилиндра горючей смесью (или воздухом) и удаление продуктов сгорания. Этот механизм (рис. 3.2.1) состоит из впускного 14 и выпускного 16 клапанов, пружин, направляющих втулок клапанов, толкателей 5, штанг 18, коромысел 17, распределительного вала 6, установленного в подшипниках картера, и шестерен 10, приводящих вал 6 во вращение от коленчатого вала 11.
Система охлаждения, имеющая водяной насос 4, служит для отвода тепла от стенок цилиндра и головки 1, сильно нагревающихся при сгорании горючей смеси в цилиндре двигателя.
Система смазки, включающая масляный насос 8 и фильтры для очистки масла, обеспечивает смазку трущихся деталей двигателя, а также частичное их охлаждение.
Система питания предназначена для приготовления горючей смеси, подачи ее в цилиндр двигателя и удаления продуктов сгорания. В карбюраторном двигателе для приготовления смеси служит карбюратор 15. Кроме карбюратора в систему питания входят топливный бак, топливный насос, фильтры для очистки воздуха и топлива, впускной и выпускной трубопроводы, глушитель шума выпуска.
Система зажигания необходима для воспламенения горючей смеси в цилиндре двигателя. Она включает источник электрической энергии, катушку зажигания, прерыватель тока низкого напряжения, провода и свечи зажигания, электрическая искра от которой воспламеняет горючую смесь.
Рабочие циклы двигателей внутреннего сгорания
Процесс, происходящий в цилиндре двигателя за один ход поршня, называется тактом. Совокупность всех процессов, происходящих в цилиндре, т. е. впуск горючей смеси, сжатие ее, расширение газов при сгорании и выпуск продуктов сгорания, называется рабочим циклом.
Если рабочий цикл совершается за четыре хода поршня, т. е. за два оборота коленчатого вала, то двигатель называется четырехтактным.
Рабочий цикл четырехтактного карбюраторного двигателя
Первый такт – впуск (рис. 3.2.2, а). Поршень 3 перемещается от в. м. т. к н. м. т., впускной клапан 1 открыт, выпускной клапан 2 закрыт. В цилиндре создается разрежение 0,07-0,09 МПа (0,7–0,9 кгс/см2) и горючая смесь, состоящая из паров бензина и воздуха, поступает в цилиндр. Горючая смесь смешивается с продуктами сгорания, оставшимися в цилиндре от предшествующего цикла, и образует рабочую смесь. Чем лучше наполнение цилиндра горючей смесью, тем выше мощность двигателя.
Температура смеси в конце впуска 350–400 К (75– 125 °C).
Второй такт – сжатие (рис. 3.2.2, б). Поршень перемещается от н. м. т. к в. м. т., оба клапана закрыты. Давление и температура рабочей смеси повышаются, достигая к концу такта соответственно 0,9–1,5 МПа (9-15 кгс/см2) и 500–750 К (350–500 °C).
Третий такт – расширение, или рабочий ход (рис. 3.2.2, в). В конце такта сжатия рабочая смесь воспламеняется электрической искрой, происходит быстрое сгорание смеси. Максимальное давление при сгорании достигает 3–5 МПа (30–50 кгс/см2), а температура 2300–2700 К (2100–2500 °C).


