Процесс распространения, внедрения и освоения новых представлений об энергии был довольно длительным. Ведь даже точные понятия об энергии, теплоте, работе и связанных с ними величинах окончательно установились только к середине XX в. Даже к этому времени волна изобретений ppm-1 еще не сошла на нет (и вместе с тем поднялась новая - пошли изобретения ppm-2; об этом - дальше).
Вернемся, однако, к изобретателям ppm второй половины XIX и начала XX в. Среди них были и честные энтузиасты, и проходимцы, не уступавшие самому Орфиреусу. Если говорить о тех, кто вполне искренне верил в возможность ppm-1 и работал над ним, то большинство их творений удивительно напоминает то, что уже было изобретено раньше. Но есть и плоды новых веяний, связанных, главным образом, с электричеством.
Во всех случаях изобретатели, как и их средневековые предшественники, непоколебимо верили в успех своих разработок. Об этом свидетельствует хотя бы то, что на многих из них были предусмотрены тормоза, чтобы двигатель не разнесло при слишком больших оборотах.
Подробно описывать большую часть изобретений ppm-1, повторяющих уже известные идеи, нет смысла. Приведем для примера только четыре их образца.

Третий пример (рис. 2.8) относится к концу XIX в.; этот двигатель тоже повторяет старую "капиллярно-фитильную" идею. Жидкость под действием сил поверхностного натяжения поднимется по фитилю, но эти же силы не дадут ей стекать в верхний резервуар.
Наконец, на рис. 2.9 показан гидравлический (поплавковый) двигатель, который был предложен американцем Г. Готцем. Двухколенная трубка круглого сечения заполнена двумя несмешивающимися жидкостями разной плотности (например, ртутью и водой). Трубы заполнены шарами, плотность которых такова, что они всплывают даже в более легкой жидкости. По мысли автора шары в правом колене будут постоянно (под действием веса тех трех шаров, которые находятся над жидкостью) проталкиваться в левое колено трубы и там всплывать. Очередной всплывший в левом колене шар должен сваливаться на колесо, приводя его в движение своим весом, и возвращаться в правое колено.

Из этой идеи опять, естественно, ничего не получится, так как тяжелая жидкость, несмотря на то, что ее уровень ниже, выталкивает шары с той же архимедовой силой, с которой это делает легкая жидкость. В обоих коленах уровни жидкости автоматически (как будто они знают закон сохранения энергии) установятся так, чтобы эти силы сравнялись и устройство не работало.
Разбор разных вариантов механических и гидравлических ppm-1, предложенных после установления закона сохранения энергии, можно продолжить. Анализ таких изобретений - хорошая тренировка в умении находить и применять соответствующие физические законы. Читателям, интересующимся другими вариантами этих устройств, можно обратиться к соответствующей литературе [2.1-2.6].
Мы перейдем к другим ppm-1, больше соответствующим духу времени по использованным в них силам. На первый взгляд они вносят новую, живую струю в идейную основу ppm-1.
Действительно, электрические и электрохимические явления, которые в них используются вместо шаров, колес, поплавков и фитилей, создают впечатление некоторой новизны. Но, увы, и здесь в основе все остается на том же уровне. Рассмотрим два таких новых проекта (другие в том или ином виде представляют их модификации). Имен многочисленных авторов этих изобретений можно не упоминать: борьба за приоритет здесь не имеет практического смысла.
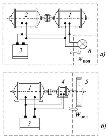
На рис. 2.10 показан в двух вариантах электромеханический ppm-1. Идея его до гениальности проста. На одном общем валу установлены двигатель постоянного тока и электрогенератор (тоже постоянного тока), соединенные проводами с аккумулятором и потребителем вырабатываемой электроэнергии.

Для пуска системы в ход нужно предварительно зарядить аккумулятор. Дальше следует запустить от него электродвигатель. Двигатель будет крутить генератор, который вырабатывает не только нужную потребителю энергию, но и ту, которая необходима электромотору. Аккумулятор будет играть роль буферной энергетической системы. Если потребитель будет брать больше, чем вырабатывает генератор (за вычетом энергии, нужной для электромотора), то он будет отдавать энергию. Напротив, если потребитель будет брать меньше, то энергия накопится в аккумуляторе.
Совершенно очевидно, что генератор, даже в идеальном случае, выработает ровно столько энергии, сколько возьмет электромотор; в реальных условиях его мощности не хватит даже и на это. Запущенная система, израсходовав энергию, запасенную аккумулятором из внешнего источника, неизбежно остановится. Она не сможет даже обеспечить сама себя, не говоря уже об отдаче энергии потребителю. Второй вариант отличается только тем, что вместо электрического аккумулятора энергии использован механический - тяжелый маховик. Его нужно предварительно раскрутить, чтобы двигатель заработал. Конечный результат, естественно, будет тем же: израсходовав энергию маховика на трение и электрические потери, двигатель остановится. Если составить энергетический баланс такой машины, он будет иметь очень простой вид: 0 = Wʺ. Полезная энергия Wʺ отводится, но внутрь через контрольную поверхность ничего не поступает: W’ = 0. Первый закон термодинамики не соблюдается. Если учесть трение и электрические потери, отводимые в виде теплоты Qʺ, то уравнение примет вид 0 = Qʺ + Wʺ. Чтобы это равенство соблюдалось, Wʺ должно быть отрицательным. Другими словами, чтобы этот "двигатель" работал, его нужно крутить извне!
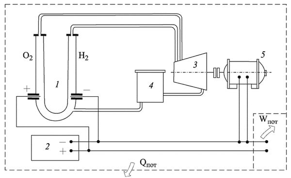
В электрохимическом ppm, показанном на рис. 2.11, использована та же идея - "сам себя обеспечиваю, а избыток отдаю", что и в электромеханическом ppm.
При начале работы система запускается от аккумулятора. Вода разлагается электрическим током на водород и кислород, которые подаются в газовую турбину. Здесь они реагируют (водород сгорает в кислороде), и горячие газы крутят турбину. Турбина приводит в действие электрогенератор, вырабатывающий электроэнергию, идущую по трем адресам: к внешнему потребителю, на разложение воды и, наконец, на подзарядку аккумулятора, нужного как для запуска, так и в качестве буферной электрической емкости. Отработавший в турбине пар конденсируется в воду, которая возвращается в электролизер; цикл замыкается.
