
Рис. 2.2. Печатная плата (а) и расположение элементов (б) простого транзисторного металлоискателя
К деталям, применяемым в данном устройстве, не предъявляются какие-либо особые требования. Естественно, рекомендуется использовать любые малогабаритные конденсаторы и резисторы, которые без проблем можно разместить на печатной плате.
Катушка L1 опорного генератора намотана проводом ПЭЛ диаметром 0,1–0,2 мм на сердечнике диаметром 8 мм и содержит 100 витков. Катушку L1 можно намотать на ферритовом сердечнике или на бумажной трубке без сердечника. В качестве конденсатора С7 можно использовать любой конденсатор переменной емкости с воздушным диэлектриком с максимальной емкостью примерно 300 пФ, например конденсатор настройки от любого старого радиоприемника.
Печатная плата с расположенными на ней элементами и источник питания размещаются в любом подходящем пластмассовом или деревянном корпусе. На крышке корпуса устанавливаются конденсатор настройки C7, регулятор громкости R6, выключатель S1, а также разъемы Х1 и Х2 для подключения соответственно поисковой катушки L2 и головных телефонов BF1.
Для изготовления поисковой катушки L2 (рис. 2.3) потребуется вырезать круг диаметром 100 мм из фанеры или другого материала (гетинакса, текстолита) толщиной 1,5–2,5 мм. Круг следует разбить на секторы с углом 40° и в этих местах сделать прорези к центру на расстояние 20 мм от края. В прорези надо продеть провод диаметром 0,2–0,3 мм (например марки ПЭЛ) и виток к витку намотать 30 витков. К изготовленной таким образом поисковой катушке можно приделать удобную ручку. Подключение катушки L2 к печатной плате осуществляется через малогабаритный разъем.

Рис. 2.3. Конструкция поисковой катушки L2
В качестве источника питания В1 можно использовать, например, батарейку "Крона" или две батарейки 3336Л, соединенные последовательно.
Налаживание
При использовании исправных деталей правильно собранный металлоискатель начинает работать практически сразу. Настройку прибора следует проводить в условиях, когда металлические предметы удалены от поисковой катушки L2 на расстояние не менее 1,5 м.
Поскольку в данном разделе речь идет о простой конструкции, то в телефонах при первом включении будут слышны сигналы разных гармоник. Поэтому, настраивая прибор, следует выбрать наиболее сильный сигнал с помощью конденсатора С7 и отрегулировать его громкость регулятором R6. Выбор наиболее сильной гармоники можно осуществить на слух или с использованием осциллографа или частотомера.
На этом процесс настройки простого транзисторного металлоискателя заканчивается.
Порядок работы
При практическом использовании рассматриваемого металлоискателя следует конденсатором С7 провести дополнительную подстройку на сигнал наиболее сильной гармоники и отрегулировать его громкость с помощью регулятора R6.
Если теперь в зоне действия поисковой катушки L2 окажется какой-либо металлический предмет, то высота тона в телефонах изменится. При приближении к одним металлам частота сигнала биений будет увеличиваться, а при приближении к другим – уменьшаться. По изменению тона сигнала биений, имея определенный опыт, можно легко определить, из какого металла, магнитного или немагнитного, изготовлен обнаруженный предмет.
2.2. Простой металлоискатель на двух транзисторах
Без сомнения, многих начинающих радиолюбителей заинтересует конструкция простого металлоискателя, основой для которого послужила схема, неоднократно публиковавшаяся в отечественных и зарубежных специализированных изданиях в середине 70-х годов прошлого столетия. С помощью этого металлодетектора, выполненного всего на двух транзисторах, можно обнаруживать металлические предметы, удаленные от поисковой катушки на несколько десятков сантиметров.
Принципиальная схема
Данная конструкция представляет собой один из вариантов металлодетекторов типа FM (Frequency Meter), то есть является устройством, в основу которого положен принцип измерения девиации частоты опорного генератора под влиянием металлических предметов, попавших в зону действия поисковой катушки. При этом оценка изменения частоты осуществляется на слух (рис. 2.4).

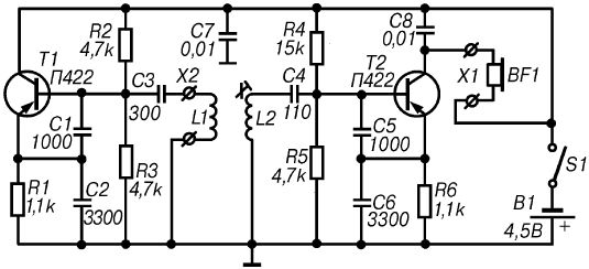
Рис. 2.4. Принципиальная схема простого металлоискателя на двух транзисторах
Основу схемы прибора составляют генератор высокой частоты и приемник, который регистрирует изменения частоты генератора при приближении к металлическим предметам.
Генератор высокой частоты собран на транзисторе Т1 по схеме емкостной трехточки. Колебательный контур опорного генератора состоит из цепочки последовательно включенных конденсаторов С1, С2 и С3, к которым подключена катушка L1. Рабочая частота ВЧ-генератора определяется индуктивностью этой катушки, которая одновременно является поисковой катушкой.
Одной из особенностей данного устройства можно считать то, что в качестве анализатора в нем используется приемник гетеродинного типа, который выполнен всего на одном транзисторе. При этом каскад на транзисторе Т2 совмещает функции гетеродина и детектора. Гетеродин собран по схеме емкостной трехточки. Достоинством такой схемы является возможность использования катушки индуктивности без отводов, что хоть и незначительно, но упрощает конструкцию. Колебательный контур гетеродина содержит катушку индуктивности L2 и емкость, составленную из последовательно соединенных конденсаторов С4, С5 и С6. Частоту гетеродина можно изменять, вращая подстроечный сердечник катушки L2.
С коллектора транзистора Т2 продетектированный сигнал подается на головные телефоны BF1.
Если вблизи катушки L1 окажется металлический предмет, то ее индуктивность изменится. Это приведет к изменению частоты опорного генератора, что будет сразу зарегистрировано приемником металлоискателя. В результате тональность сигнала в телефонах BF1 изменится.
Детали и конструкция
Все детали простого металлоискателя на двух транзисторах за исключением поисковой катушки L1, катушки гетеродина L2, разъема Х1 и выключателя S1 расположены на печатной плате размерами 70х40 мм (рис. 2.5), изготовленной из одностороннего фольгированного гетинакса или текстолита.

Рис. 2.5. Печатная плата (а) и расположение элементов (б) простого металлоискателя на двух транзисторах
К деталям, применяемым в данном устройстве, не предъявляются какие-либо особые требования. Желательно использовать любые малогабаритные конденсаторы и резисторы, которые без проблем можно разместить на печатной плате. Как видно из принципиальной схемы, в этом металлодетекторе применяются устаревшие ВЧ-транзисторы типа П422, П401 или П402. Вместо них можно использовать любые современные ВЧ-транзисторы проводимости p-n-p, предназначенные для работы во входных каскадах радиоприемников.
Поисковая катушка L1, используемая в опорном генераторе, представляет собой прямоугольную рамку размерами 175х230 мм, на которую намотаны 32 витка провода ПЭВ-2 диаметром 0,35 мм или, например, ПЭЛШО диаметром 0,37 мм.
В двух бумажных цилиндрических каркасах размещены отрезки ферритового стержня типа 400НН или 600НН диаметром 7 мм. Длина первого из них, закрепленного постоянно, составляет около 20–22 мм. Второй стержень подвижен и используется для регулировки индуктивности катушки. Его длина составляет 35–40 мм. Каркасы стержней обернуты бумажной лентой, на которую наматываются 55 витков провода ПЭЛШО диаметром 0,2 мм. Также можно использовать провод типа ПЭВ-1 или ПЭВ-2.
Катушку L2 (рис. 2.6) следует установить на расстоянии 5–7 мм от плоскости расположения витков катушки L1.

Рис. 2.6. Конструкция катушки L2
В качестве источника звуковых сигналов можно использовать головные телефоны с сопротивлением 800-1200 Ом. Подойдут и широко известные телефоны ТОН-1 или ТОН-2, однако при их применении оба капсюля нужно включить не последовательно, а параллельно, то есть подключить плюс одного капсюля к плюсу другого, а минус – к минусу. При этом общее сопротивление телефонов должно составить примерно 1000 Ом.
Питание простого металлоискателя на двух транзисторах осуществляется от источника В1 напряжением 4,5 В. В качестве такого источника можно использовать, например, так называемую квадратную батарейку типа 3336Л или три элемента типа 316, 343, соединенные последовательно.
Печатная плата с расположенными на ней элементами и источник питания размещаются в любом подходящем пластмассовом или деревянном корпусе. На крышке корпуса устанавливаются выключатель S1 и разъем Х1 для подключения головных телефонов BF1.
Катушки L1 и L2 соединяются с платой гибким многожильным изолированным проводом.