
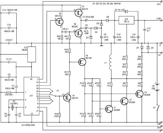
Рис. 3.14. Принципиальная схема блока передатчика простого импульсного металлоискателя
Главной составной частью всей конструкции является модуль формирования импульсов и синхронизации, выполненный на микропроцессоре IC1 типа АТ89С2051 фирмы ATMEL и обеспечивающий формирование импульсов для передатчика, а также сигналов, управляющих работой всех остальных блоков. Рабочая частота микроконтроллера IC1 стабилизирована кварцевым резонатором (3,5 МГц). При указанном значении рабочей частоты микропроцессор формирует периодическую последовательность управляющих импульсов для различных каскадов металлодетектора. Эта последовательность состоит из 250 тактов длительностью по 9 мкс каждый.
Первоначально на выводе IC1/14 микропроцессора формируется управляющий импульс для транзистора Т6, после окончания которого на выводе IC1/15 формируется аналогичный импульс для транзистора Т7. Затем этот процесс повторяется еще один раз. В результате происходит запуск преобразователя напряжения.
Далее, последовательно на выводах IC1/8, IC1/7, IC1/6, IC1/16, IC1/17, IC1/19 и IC1/18 формируются импульсы запуска передатчика. При этом указанные импульсы имеют одинаковую длительность, но каждый последующий импульс задержан относительно предыдущего на несколько тактов. Начало первого импульса, сформированного на выводе IC1/8, совпадает с окончанием второго импульса на выводе IC1/15. С помощью переключателя Р1 можно выбрать время задержки импульса запуска передатчика по отношению к стартовому импульсу.
Через несколько тактов после окончания импульса на выводе IC1/18 короткий стробирующий импульс для одного из каналов анализатора формируется на выводе IC1/3. Затем аналогичный импульс, предназначенный для второго канала анализатора, формируется на выводе IC1/9. После этого на выводе IC1/11 формируется управляющий сигнал для транзистора Т10 схемы акустической сигнализации блока приемника.
Затем, после небольшой паузы, последовательность управляющих импульсов на соответствующих выходах микроконтроллера формируется вновь.
Питающее напряжение +5 В, предварительно стабилизированное микросхемой IC2, подается на вывод IC1/20 микроконтроллера.
Преобразователь напряжения, выполненный на транзисторах Т6-Т8 и стабилизаторе IC3, обеспечивает формирование двуполярного питающего напряжения 12 В, необходимого для питания каскадов приемной части. Управляющие сигналы для транзисторов Т7 и Т8 формируются на соответствующих выводах микроконтроллера IC1. При этом на транзистор Т8 этот сигнал подается через преобразователь уровня, собранный на транзисторе Т6. Далее сформированное питающее напряжение стабилизируется микросхемой IC3, с выхода которой напряжение +12 В поступает на каскады приемной части.
Выходные каскады передатчика выполнены на мощных транзисторах Т1, Т2 и Т3, работающих на общую нагрузку, в качестве которой выступает катушка L1, шунтированная цепочкой резисторов R1-R6. Работой транзисторов выходного каскада управляет транзистор Т4. Управляющий сигнал на базу транзистора Т4 подается с соответствующего выхода процессора IC1 через транзистор Т5.
Импульс, формируемый микропроцессором IC1 в соответствии с заложенной в его памяти программой, через переключатель подается на вход транзистора Т5 и далее, через транзистор Т4, на выходные каскады передатчика, выполненные на транзисторах Т1-Т3, а затем – на приемопередающую катушку L1. При появлении в зоне действия катушки L1 металлического предмета на его поверхности под воздействием внешнего электромагнитного поля, инициированного импульсом передатчика, возбуждаются вихревые поверхностные токи. Время существования этих токов зависит от длительности импульса, излучаемого катушкой L1.
В свою очередь поверхностные токи являются источником вторичного импульсного сигнала, который с соответствующей задержкой принимается катушкой L1, усиливается и подается на схему анализа. Необходимо отметить, что благодаря явлению самоиндукции длительность вторичного сигнала будет больше, чем длительность излученного передающей катушкой импульса. При этом форма вторичного импульса зависит от свойств металла, из которого изготовлен обнаруженный предмет. Обработка информации об отличиях параметров импульсов, излученных и принятых катушкой L1, обеспечивает формирование данных для блока индикации о наличии металлического предмета. В рассматриваемом металлоискателе для анализа используются параметры заднего фронта вторичного импульсного сигнала.
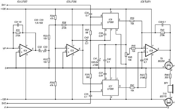
В состав блока приемника (рис. 3.15) входят двухкаскадный усилитель входного сигнала, анализатор и схема звуковой индикации.

Рис. 3.15. Принципиальная схема блока приемника простого импульсного металлоискателя
Сигнал от металлического предмета принимается катушкой L1 и через схему защиты, выполненную на диодах D1 и D2, подается на входной двухкаскадный усилитель с емкостной обратной связью, выполненный на операционных усилителях IC4 и IC5. С выхода микросхемы IC5 (вывод IC5/6) усиленный импульсный сигнал подается на схему анализатора, выполненную на микросхемах IC6-IC8.
Усилители IC6 и IC7 в процессе работы прибора постоянно выключены, и напряжение питания подается на них лишь при поступлении на соответствующие входы (выводы IC6/8 и IC7/8) стробирующих импульсов, длительность каждого из которых составляет 9 мкс (один такт). При этом на усилитель IC6 подается стробирующий импульс, задержанный по отношению к окончанию выбранного импульса запуска передатчика на 30-100 мкс, а на усилитель IC7 – задержанный по отношению к окончанию первого стробирующего импульса на 200 мкс. Необходимость такой задержки объясняется тем, что форма принятого сигнала зависит от влияния многих посторонних факторов, поэтому полезный сигнал можно наблюдать лишь в промежутке примерно 400 мкс после окончания импульса. В данном случае полезным сигналом является возрастание положительного напряжения при приближении катушки L1 к металлическому предмету в результате увеличения длительности заднего фронта вторичного импульса в сравнении с излученным импульсом.
По окончании подачи напряжения питания на выходах каждого усилителя (микросхемы IC6 и IC7) в течение нескольких секунд сохраняется уровень принятого сигнала, зафиксированный во время воздействия стробирующих импульсов.
Таким образом на один из входов соответствующего усилителя (выводы IC6/3 и IC7/3) подается принятый импульсный сигнал, а на второй вход этого же усилителя (выводы IC6/8 и IC7/8) через конденсаторы С34 и С35 поступает соответствующий стробирующий импульс от модуля формирования импульсов и синхронизации (выводы IC1/3 и IC1/9).
Сигналы, сформированные на выходах микросхем IC6 и IC7 (выводы IC6/5 и IC7/5), далее подаются на соответствующие входы дифференциального усилителя, выполненного на микросхеме IC8. При этом сигнал с выхода усилителя IC6 проходит через переменный резистор R45, с помощью которого регулируется чувствительность прибора. При наличии в зоне действия металлодетектора металлического предмета уровни сигналов на соответствующих входах дифференциального усилителя (выводы IC8/2 и IC8/3) будут одинаковыми. В результате выходной сигнал этого усилителя (вывод IC8/6) будет низким.
Падение напряжения на выходе усилителя IC8 приводит к открытию транзистора Т9 и подключению к общему проводу головных телефонов BF1. При поступлении с соответствующего выхода микроконтроллера (вывод IC1/11) на транзистор Т10 управляющего сигнала в телефонах будет прослушиваться сигнал звуковой частоты. Резистор R44 ограничивает ток, протекающий через головные телефоны BF1. Его подбором можно регулировать громкость акустического сигнала.
Питание данного металлодетектора осуществляется от источника В1 напряжением 12 В.
Детали и конструкция
Все детали рассматриваемого прибора (за исключением поисковой катушки L1, резистора R45, переключателя Р1, а также выключателя S1) расположены на печатной плате размерами 105х65 мм (рис. 3.16), изготовленной из двустороннего фольгированного гетинакса или текстолита.

Рис. 3.16. Печатная плата простого импульсного металлоискателя
К деталям, применяемым в данном устройстве, не предъявляются какие-либо особые требования. Рекомендуется использовать любые малогабаритные конденсаторы и резисторы, которые без проблем можно разместить на печатной плате (рис. 3.17).