Необходимо отметить, что микросхема К155ЛАЗ рассчитана на питание от источника постоянного тока напряжением 5 В. Поэтому при желании из схемы можно исключить блок стабилизатора напряжения и использовать качестве источника питания одну батарейку типа 3336Л или аналогичную ей, что позволяет собрать компактную конструкцию. Однако разрядка этой батарейки очень быстро отразится на функциональных возможностях данного металлодетектора. Именно поэтому необходим блок питания, обеспечивающий формирование стабильного напряжения 5 В.
Следует признать, что в качестве источника питания автор использовал четыре большие круглые батарейки импортного производства, соединенные последовательно. При этом напряжение 5 В формировалось интегральным стабилизатором типа 7805.
Плата с расположенными на ней элементами и источник питания размещаются в любом подходящем пластмассовом или деревянном корпусе. На крышке корпуса устанавливаются переменный конденсатор С2, выключатель S1, а также разъемы для подключения поисковой катушки L2 и головных телефонов BF1 (эти разъемы и выключатель S1 на принципиальной схеме не указаны).
Налаживание
Как и при регулировке других металлоискателей, данный прибор следует настраивать в условиях, когда металлические предметы удалены от поисковой катушки L2 на расстояние не менее одного метра.
Сначала с помощью частотомера или осциллографа необходимо настроить рабочие частоты опорного и измерительного генераторов. Частота опорного генератора устанавливается равной примерно 465 кГц регулировкой сердечника катушки L1 и, при необходимости, подбором емкости конденсатора С1. Перед регулировкой потребуется отсоединить соответствующий вывод конденсатора С3 от диодов детектора и конденсатора С4. Далее нужно отсоединить соответствующий вывод конденсатора С4 от диодов детектора и от конденсатора С3 и регулировкой конденсатора С2 установить частоту измерительного генератора так, чтобы ее значение отличалось от частоты опорного генератора примерно на 1 кГц.
После восстановления всех соединений металлоискатель готов к работе.
Порядок работы
Проведение поисковых работ с помощью рассмотренного металлодетектора не имеет каких-либо особенностей. При практическом использовании прибора следует переменным конденсатором С2 поддерживать необходимую частоту сигнала биений, которая изменяется при разряде батареи, изменении температуры окружающей среды или девиации магнитных свойств грунта.
Если в процессе работы частота сигнала в головных телефонах изменится, то это свидетельствует о наличии в зоне действия поисковой катушки L2 какого-либо металлического предмета. При приближении к некоторым металлам частота сигнала биений будет увеличиваться, а при приближении к другим – уменьшаться. По изменению тона сигнала биений, имея определенный опыт, можно легко определить, из какого металла, магнитного или немагнитного, изготовлен обнаруженный предмет.
3.2. Простой металлоискатель на микросхеме К176ЛЕ5
Как уже указывалось ранее, среди начинающих радиолюбителей большой популярностью пользуются схемы металлодетекторов, которые работают по принципу анализа частоты сигнала биений, возникающего при смешивании двух близких по частоте сигналов (принцип BFO). Такие приборы просты в изготовлении и налаживании, о чем можно судить, ознакомившись со следующей конструкцией.
Принципиальная схема
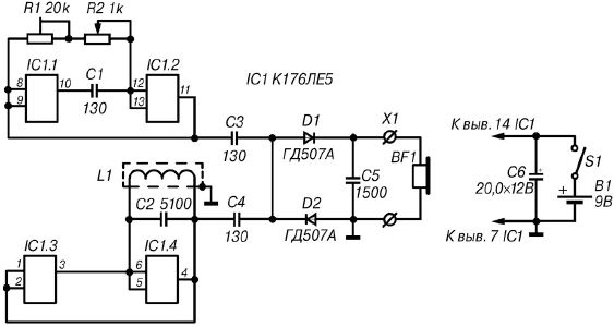
Как и в металлодетекторе, рассмотренном в предыдущем разделе, данный прибор собран всего на одной микросхеме (рис. 3.2). Однако отличия заключаются не только в другом типе используемой микросхемы, но и в схемотехнике опорного и измерительного генераторов. Несколько иное построение схемы позволило обойтись без конденсатора переменной емкости, а также использовать всего одну катушку индуктивности.

Рис. 3.2. Принципиальная схема металлоискателя на микросхеме К176ЛЕ5
Основу прибора составляют измерительный и опорный генераторы, детектор колебаний ВЧ и схема индикации.
Как и в упомянутой конструкции, в рассматриваемом приборе использованы два простых генератора, выполненные на элементах микросхемы IC1. При этом первый генератор, который является опорным, собран на элементах IC1.1 и IC1.2, а второй, измерительный или перестраиваемый генератор выполнен на элементах IC1.3 и IC1.4.
Рабочая частота опорного генератора зависит от суммарного сопротивления резисторов R1 и R2, а также от емкости конденсатора С1. Подстроечным резистором R1 обеспечивается грубое, а переменным резистором R2 – плавное изменение частоты генератора. Частота измерительного генератора зависит от емкости конденсатора С2 и индуктивности катушки L1, которая является поисковой.
Выходы обоих генераторов через развязывающие конденсаторы С3 и С4 подключены к детектору ВЧ-колебаний, выполненному на диодах D1 и D2 по схеме удвоения выпрямленного напряжения.
С выхода детектора низкочастотный сигнал подается непосредственно на головные телефоны BF1. Конденсатор С5 обеспечивает шунтирование нагрузки по высшим частотам.
При приближении поисковой катушки L1 колебательного контура перестраиваемого генератора к металлическому предмету ее индуктивность изменяется, что вызывает изменение рабочей частоты генератора. Если вблизи катушки L1 находится предмет из черного металла, ее индуктивность увеличивается, что приводит к уменьшению частоты измерительного генератора. Цветной же металл уменьшает индуктивность катушки L1, при этом рабочая частота генератора возрастает.
ВЧ-сигнал, сформированный в результате смешивания сигналов измерительного и опорного генераторов после прохождения через конденсаторы С3 и С4, подается на детектор. При этом амплитуда сигнала ВЧ изменяется с частотой биений.
Низкочастотная огибающая ВЧ-сигнала выделяется детектором, выполненным на диодах D1 и D2. Конденсатор С5 обеспечивает фильтрацию высокочастотной составляющей сигнала. Далее сигнал биений поступает на головные телефоны BF1.
Питание на микросхему IC1 подается от источника В1 напряжением 9 В.
Детали и конструкция
Все детали простого транзисторного металлоискателя за исключением поисковой катушки L1, резисторов R1 и R2, разъемов Х1 и Х2 и выключателя S1 расположены на печатной плате размерами 80х22 мм, изготовленной из одностороннего фольгированного гетинакса или текстолита.
К деталям, применяемым в данном устройстве, не предъявляются какие-либо особые требования. Естественно, рекомендуется использовать любые малогабаритные конденсаторы и резисторы, которые без проблем можно разместить на печатной плате (рис. 3.3).

Рис. 3.3. Печатная плата (а) и расположение элементов (б) металлоискателя на микросхеме К176ЛЕ5
В данном приборе помимо микросхемы К176ЛЕ5 можно использовать микросхемы К176ЛА7, К176ПУ1, К176ПУ2, К561ЛА7, К564ЛА7 или К564ЛН2.
Подстроечный резистор R1 может быть типа СП5-2, а переменный резистор R2 – типа СПО-0,5 (вполне подойдут и другие малогабаритные резисторы), конденсатор С6 – типа К50-12 или любой другой на номинальное напряжение не менее 10 В. Остальные конденсаторы могут быть любыми малогабаритными керамическими, например типа КМ-6.
Для изготовления катушки L1 рекомендуется использовать отрезок медной или алюминиевой трубки с внутренним диаметром 8-10 мм и длиной около 630 мм. Внутри трубки следует протянуть жгут из 20 отрезков провода ПЭЛШО диаметром 0,5 мм, предварительно протянутых в полихлорвиниловую трубку. Дюралюминиевую трубку с находящимися в ней проводами надо изогнуть по шаблону в кольцо диаметром около 200 мм. Конец провода, являющийся началом первого витка, следует припаять к одному из выводов конденсатора С2, начало второго витка – к концу первого витка и так далее. Конец последнего витка припаивается ко второму выводу конденсатора С2. В результате получится катушка, содержащая 20 витков. При изготовлении катушки L1 нужно особенно следить за тем, чтобы не произошло замыкание концов экранирующей трубки, поскольку в этом случае образуется короткозамкнутый виток.
Для изготовления экрана можно использовать и обычную алюминиевую фольгу. В этом случае дополнительную жесткость конструкции катушки L1 можно придать, если расположить ее между двумя дисками из фанеры или гетинакса соответствующих размеров.
В качестве источника звуковых сигналов рекомендуется применять любые высокоомные головные телефоны с сопротивлением около 2000 Ом. Подойдет широко известный телефон ТА-4 или ТОН-2.
Источником питания В1 может служить батарейка "Крона" или две батарейки типа 3336Л, соединенные последовательно.
Печатная плата с расположенными на ней элементами и источник питания размещаются в любом подходящем пластмассовом или деревянном корпусе. На крышке корпуса устанавливаются подстроечный резистор R1 и переменный резистор R2, разъем Х1 для подключения головных телефонов BF1, а также выключатель S1.
Поисковая катушка L1 располагается на конце любой удобной ручки.