Всего за 184 руб. Купить полную версию

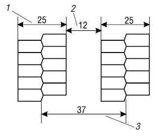
Рис. 16. Ширина улочки:
1 - ширина сота; 2 - ширина улочки; 3 - расстояние между средостениями сотов
После окончания главного медосбора в конце июля - начале августа с целью увеличения темпов осеннего развития ширину улочек опять желательно сократить до 8–9 мм.
После окончания выведения расплода при окончательном складывании гнезда ширину улочек лучше увеличивать до 12–15 мм, поскольку на расширенных улочках пчелы лучше зимуют. При этом имеется в виду, что в каждой улочке будет больше, чем обычно, пчел, поэтому в каждой рамке должно быть меда минимум 2,0 кг, но лучше - 2,5 кг.
В медовых магазинах ширину улочек надо иметь постоянной, в пределах 12–15 мм (не больше!).
Летки в ульях и тип заноса
Летки
Обязательной частью любого пчелиного жилища, будь то естественное или искусственное, является леток. Ведь, действительно, если попытаться абстрагироваться от всех частных деталей устройства любого пчелиного жилища, то в "сухом остатке" останутся только замкнутый объем, соты и леток. Эти три элемента пчелиного жилища являются первородными и обязательно необходимыми, ибо без любого из них пчелиное жилище не сможет быть таковым, поскольку не сможет выполнять возложенные на него функции.
Леток должен обеспечивать:
• беспрепятственную связь пчел с внешней средой и обратный доступ в гнездо;
• естественный воздухообмен между внешней средой и гнездом пчел - поступление чистого воздуха в гнездо и удаление из него использованного;
• возможность осуществления пчелами принудительной вентиляции гнезда при необходимости;
• минимальную задержку прилетающих с взятком и выходящих наружу пчел во время медосбора;
• согласование (регулирование) площади летка с силой семьи на протяжении всего года;
• хорошую различимость на фоне передней стенки улья в интересах недопущения блуждания пчел и особенно маток;
• максимальную защиту от неблагоприятных внешних условий и от проникновения в гнездо хищников и вредителей пчел;
• возможность беспрепятственного удаления мусора из улья.
Исходя из того что для разных пчелиных семей форма и площадь летка должны быть разными, рассмотрим, какие должны быть летки в улье пчелиной семьи.
В современных конструкциях ульев обычно имеются нижний щелевой леток и верхние, как правило круглые, летки.
Нижний леток. В стандартном улье высота нижнего щелевого летка обычно равна 8–10 мм. Если осенью, зимой и весной, когда обычно нет интенсивных полетов пчел, такой высоты летка вполне достаточно, то для лета и особенно периода главного медосбора - явно нет. Для этого периода нужен леток высотой 22–25 мм, который дает возможность беспрепятственно войти в улей и выйти из него большому количеству летных пчел, а также спасает от роения и выкучивания пчел в жару.
Верхний леток. В большинстве конструкций ульев верхний леток представляет круглое отверстие диаметром 20–25 мм. Лучше всего его закрывать секторной задвижкой.
Прилетная доска
Прилетная доска обеспечивает пчелам комфортные условия посадки перед входом в леток. Для пчел это своеобразная "посадочная полоса", если провести аналогию с авиацией.
Отсутствие прилетной доски создает неудобства при приземлении груженных взятком пчел, они при этом часто падают на землю, что замедляет темп работы семьи и уменьшает ее производительность.
На наш взгляд, прилетная доска является неотъемлемым элементом любой конструкции современного улья. Особенно большое значение для обеспечения высоких темпов работы семьи она имеет во время главного взятка.
Конструкция прилетной доски может быть произвольной, главное, чтобы доска плотно прилегала к улью и сопрягалась с летком без щели.
Тип заноса
Заносом принято называть положение плоскости рамок в улье относительно летка (передней стенки). Если плоскости рамок располагаются перпендикулярно к передней стенке, то это холодный занос. Если плоскости рамок располагаются параллельно передней стенке, это теплый занос.
Тип заноса определяется конструкцией улья. В последние годы абсолютное большинство стандартных и любительских конструкций ульев изготовляются под холодный занос.
Однако у нетрадиционного размещения рамок на теплый занос есть достоинства, которые нельзя получить при холодном заносе: пчелы строят соты на искусственной вощине в гнездах с теплым заносом сразу по всей площади и в два раза быстрее, чем в гнездах с холодным заносом. Среди достоинств теплого заноса можно назвать и более продуктивное использование ранневесеннего взятка. Но надо иметь в виду, что если оставить летом пчел с теплым заносом, то это в значительной степени увеличит вероятность роения таких семей.
Влияние отдельных элементов конструкции улья на жизнедеятельность пчел
Выше мы рассмотрели влияние основных элементов конструкции улья на жизнедеятельность пчелиной семьи. Сейчас рассмотрим вопросы влияния на семью таких элементов конструкции улья, как толщина стенок, величина подрамочного пространства, противоклещевая сетка, поддон, окраска и утепление улья.
Толщина стенок улья
Максимальная толщина стенок улья ограничивается удобством обслуживания и перемещения такого улья. Проще говоря, корпуса, магазины и весь улей в сборе должны иметь приемлемый для обслуживания и перевозки вес.
Как показывает практика, верхняя граница приемлемой толщины улья должна составлять 5 см.
А какова может быть нижняя граница? Понятно, что она должна быть по возможности минимальной, для того чтобы улей имел небольшой вес. Но существуют ограничения и на минимальную толщину стенки, которые определяются:
• технологическими требованиями по изготовлению таких ульев (выборка пазов, скрепление стенок и т. д.);
• прочностными требованиями - улей должен быть прочным и выдерживать все нагрузки при его обслуживании и перевозке;
• биологическими потребностями пчелы в таком жилище, которое обеспечивало бы приемлемые условия обитания семьи.
Практика показывает, что минимальная толщина стенки, из которой можно изготовить достаточно прочный улей и при этом не испытывать технологических сложностей, должна составлять 20 мм. Следовательно, можно сказать, что приемлемая толщина стенки улья - от 20 до 50 мм.
Дальше рассмотрим этот диапазон с точки зрения веса корпусов, магазинов и всего улья. Совершенно понятно, что чем тоньше стенки улья, тем он легче, а чем стенки толще, тем вес больше. Причем разница в весе может быть довольно существенной. Так, масса всего улья, изготовленного из доски толщиной 40 мм, будет в два раза больше массы улья, изготовленного из доски 20 мм, а разница в весе при этом может достигать 10–15 кг. Если же говорить о разнице в весе одного стандартного корпуса 40 мм и 20 мм, то она может составлять 3–4 кг, что тоже достаточно существенно, если учесть, что за сезон операция по снятию, переноске и постановке корпусов и магазинов проводится не одну сотню раз.
Следующий аспект - экономический. Известно, что основным фактором, определяющим цену покупаемой доски, является ее объем. В таком случае чем толще доска, тем больше ее объем при одинаковой площади, а следовательно, и стоимость. Тогда получается, что затраты на материал для улья, изготовленного из доски 20 мм, будут почти в два раза меньше, чем для аналогичного улья, изготовленного из доски 40 мм.
Подрамочное пространство. Противоклещевая сетка и поддон
Подрамочное пространство. В данном случае речь идет о расстоянии от нижней планки рамки до пола (дна) улья.
Подсотовое пространство в дупле определяется как расстояние от нижней кромки сотов до дна дупла. Известно, что в типичном дупле подсотовое пространство имеет довольно значительные размеры, доходя в отдельных случаях до 1 м и более. Установлено, что в этом пространстве происходят воздухообменные процессы, которые позволяют нормально зимовать в наших экстремальных условиях выходцам из южных краев (известно, что родиной медоносной пчелы является Индия).
Во всех стандартных ульях советского времени, да и у подавляющего количества более современных, подрамочное пространство составляет 20 мм.
Сегодня уже доподлинно известно, что как раз малое подрамочное пространство является одной из основных причин плохой зимовки пчел. При плохо организованной вентиляции поступающий в улей холодный внешний воздух встречается в ограниченном по объему подрамочном пространстве с теплым влажным воздухом клуба, резко его охлаждает, в результате чего на конструкциях улья (на полу, нижних частях рамок и стенок) происходит конденсация влаги. Эти конструкции пропитываются влагой, плесневеют, мед же при этом разжижается. Все это не способствует нормальной зимовке.
Значит, для зимнего периода жизни пчел маленькое подрамочное пространство не является оптимальным. Уже достаточно давно существуют рекомендации об увеличении подрамочного пространства на период зимовки путем подстановки под зимовальные корпуса дополнительного пустого корпуса. А некоторые пчеловоды решают эту задачу по-другому, предусматривая в самой конструкции улья подрамочное пространство глубиной до 15–20 см. В таком пространстве имеется возможность расположить противоклещевую сетку с электроподогревателем открытого типа под ней, а еще ниже - поддон, который может выниматься как вперед, так и назад. Пример компоновки элементов глубокого дна приведен на рис. 17.