Всего за 37 руб. Купить полную версию
Кроме того, задняя и боковые стенки будущего шкафа (то есть стéны помещения), хоть и закрыты фасадными дверями-купе, все же заслуживают приличной отделки. Наклеить обои после того, как шкаф будет собран, весьма затруднительно, поэтому обратите на стены внимание и с этой точки зрения. Если вы и не планировали ремонт в данном помещении, то выровнять хотя бы те стены, которые скроет шкаф-купе, и отделать их обоями, вагонкой или панелями стоит обязательно.
Проектируя такой крупный объект, как шкаф-купе, не стоит забывать о его подсветке. Если, например, шкаф с зеркальными дверцами расположен у окна, естественного света будет достаточно. Чтобы лучше рассмотреть себя в зеркале, по его периметру можно разместить дополнительные источники освещения. Для тех случаев, когда шкаф довольно широкий, а находящиеся в нем вещи плохо освещаются, предназначена внутренняя подсветка. Кроме того, она может служить и элементом декора. Поэтому подготовка стен к монтажу шкафа-купе должна включать прокладку электропроводки, монтаж клеммных коробок, розеток и выключателей освещения.
При изготовлении шкафа-купе имеет смысл придерживаться следующего плана действий.
1. Разметка места расположения вертикальной перегородки и прикрепление ее к задней стене, полу и потолку.
2. Разметка и монтаж полок первого отсека шкафа.
3. Разметка и крепление вертикальных перегородок верхней и нижней полок первого отсека шкафа.
4. Монтаж и крепление второго отсека.
5. Монтаж и крепление следующих отсеков (если их больше двух).
6. Крепление верхней и нижней направляющей для раздвижных дверей-купе.
7. Расчет габаритных размеров дверей.
8. Изготовление и сборка обвязки двери шкафа-купе.
9. Расчет и изготовление заполнения двери.
10. Установка заполнения двери.
11. Установка дверей шкафа-купе.
Лишь в том случае, когда все внутреннее устройство шкафа состоит из мобильных аксессуаров (корзин, разборных стеллажей и т. п.) или предполагает размещение домашнего офиса, работы начинаются с установки раздвижных дверей-купе. Однако в большинстве случаев стационарные стеллажи и полки все равно присутствуют, поэтому их монтаж выполняют в первую очередь.
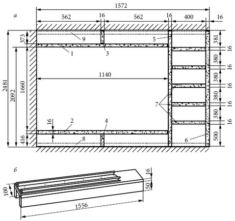
Начинается такая работа с разметки расположения вертикальных перегородок, стационарных полок и перемычек между ними. Для примера будем руководствоваться чертежом на рис. 28, а с размерами позиционирования деталей относительно стен и между собой. Предлагаемая конструкция, изготовленная из ЛДСП толщиной 16 мм, имеет глубину 520 мм, высоту 2480 мм (полностью от пола до потолка) и ширину 1572 мм, причем левая (по чертежу) стенка шкафа является стеной помещения. Таким образом, шкаф имеет только одну "искусственную" наружную стенку [6]. "Привяжем" шкаф к боковой стене с левой стороны и будем откладывать размеры и производить весь монтаж слева направо.

Рис. 28. Типовой шкаф-купе:
а – общий вид (двери условно не показаны); б – подиум с нижней направляющей;
1 – верхняя стационарная полка; 2 – нижняя стационарная полка; 3, 4 – верхняя и нижняя вертикальные перегородки; 5 – внутренняя перегородка шкафа; 6 – боковая стенка шкафа; 7 – полки второго отсека; 8 – подкладка под нижнюю направляющую дверей (или подиум в этом же месте); 9 – подкладка под верхнюю направляющую дверей
Итак, вначале разметьте расположение вертикальной перегородки [5]. Отложите с левой стороны от стены 1140 мм снизу, возле пола, и вверху, под потолком. Соедините полученные отметки линией и с помощью уровня или отвеса проверьте ее вертикальность. Эта процедура необходима для исключения ошибки, которая может возникнуть в результате неровности левой стены. Убедившись, что линия вертикальна, определите ее местом расположения левой стороны вертикальной перегородки [5].
Вдоль отчерченной линии с шагом 300–400 мм прикрутите к стене пластиковые крепежные уголки. К ним будет прикручена вертикальная перегородка. Вместо уголков желающие могут прикрутить к стене деревянный брусок сечением не менее 25 × 25, который выполнит ту же функцию. Затем приложите к уголкам или бруску вертикальную перегородку первого отсека и закрепите ее с помощью шурупов.
Выставьте вертикальную перегородку перпендикулярно задней стене шкафа. Это можно сделать, приложив угольник одной стороной к задней стене шкафа, а другой к перегородке. Однако этот прием применим лишь в случае, если у вас идеально выведены стены помещения. Второй способ – отложить размер ширины отсека (1140 мм) от левой стены до перегородки с лицевой стороны сверху и снизу и прочертить линии расположения перегородки на потолке и на полу. По полученным линиям прикрепите к полу и потолку пластиковые уголки, а к ним – вертикальную перегородку.
В полученном отсеке сразу же можно разметить и смонтировать полки. Сначала разметьте место расположения верхней стационарной полки [1]. Для этого на задней стене шкафа отложите от пола 2092 мм и сделайте две отметки: с левой стороны у стены и с правой стороны у линии разметки вертикальной перегородки шкафа. Соедините полученные отметки горизонтальной линией и проконтролируйте ее горизонтальность с помощью уровня. Сделайте еще одну такую же отметку на левой боковой стене, и соедините ее с ближайшей отметкой на задней стене. Получится линия, к которой прикладывается нижняя сторона верхней горизонтальной полки [1].
Эту же процедуру нужно провести и для нижней стационарной полки [2], только откладываемый от пола размер – 416 мм. Получается линия, к которой прикладывается нижняя сторона нижней стационарной полки [2]. По размеченным линиям закрепите пластиковые опорные уголки. На них уложите полки и закрепите их снизу шурупами.
Для крепления горизонтальных полок к вертикальной перегородке справа можно применить другой способ крепления – с помощью евровинтов (конфирматов). Это даст более прочное соединение частей конструкции.
В этом случае надо совместить торец полки и торец вертикальной перегородки и разметить места креплений. По размеченным точкам просверлите отверстия диаметром 5 мм и глубиной немного больше длины евровинта. Затем просто вставьте в просверленное отверстие евровинт и соедините детали между собой.
Разметьте положение вертикальной перегородки верхней полки [3]. Для этого на потолке и на верхней горизонтальной полке слева от стены отложите расстояние 562 мм. Полученные отметки на задней стенке соедините вертикальной линией, к которой будет прикладываться левая сторона вертикальной перегородки верхней полки [3]. Аналогично разметьте расположение вертикальной перегородки нижней полки [4] первого отсека шкафа.
Вертикальные перегородки к полкам крепите с помощью евровинтов, предварительно просверлив под них отверстия. Крепление вертикальной перегородки верхней полки к потолку и вертикальной перегородки нижней полки к полу производите с помощью пластиковых уголков.
Переходим ко второму отсеку. Руководствуясь чертежом, разметьте положение горизонтальных полок второго отсека [7] на задней стене шкафа. Для этого отложите от пола 500 мм (расстояние до нижней стороны первой полки), 896 мм (расстояние до нижней стороны второй полки) и т. д.
Разметьте расположение полок и места для крепежных евровинтов на правой стороне внутренней перегородки шкафа [5] и закрепите их. Если вы собираете шкаф вдвоем, то разметку необходимо перенести и на обратную сторону перегородки для удобства сборки шкафа. В этом случае один прикладывает полку к перегородке по разметке, а второй с обратной стороны перегородки сверлит монтажные отверстия одновременно в двух деталях – перегородке насквозь и полке до нужной глубины (в зависимости от длины евровинта). Напарник нужен и при монтаже полок – он будет поддерживать прикрученные с одной стороны полки, чтобы крепеж не разболтался.
Если же работа проводится в одиночку, операции проводите поэтапно:
– просверлите отверстия в перегородке по разметке под крепежные винты;
– приложите плашмя к перегородке полку и отметьте на ее торце положение монтажного отверстия;
– по торцу ДСП разметьте среднюю линию и по полученной разметке просверлите в полке отверстия под евровинты. Закрепляя полки, желательно продвигаться снизу вверх, чтобы под свободные концы полок подкладывать проставки, более-менее выравнивая их по горизонтали.
Собрав все полки на перегородке [5], приложите к полкам крайнюю правую стенку шкафа [6]. Поочередно совместите полки с разметкой на стене и по разметке с наружной стороны просверлите отверстия для крепежных винтов насквозь через стенку в полке на глубину крепежного винта. Как только отверстия для одной полки будут готовы, сразу же прикрутите ее и только после этого переходите к выполнению отверстий для следующей полки.
Если ваш шкаф имеет большее количество отсеков или другую конфигурацию полок, операции по их монтажу выполняются так же, т. е. вы последовательно собираете конструкцию, двигаясь слева направо к крайней правой вертикальной стене шкафа.
После того как каркас и стационарное внутреннее заполнение шкафа собраны, установите направляющие для раздвижных дверей.